ES2DF超快恢复二极管参数,ES2DF封装,ES2DF规格书资料PDF
ES2DF超快恢复二极管,ES2DF二极管封装为SMAF,ES2DF参数规格书,ES2DF的应用介绍
ES2DF超快恢复二极管,ES2DF二极管封装为SMAF,ES2DF参数规格书,ES2DF的应用介绍

ES2DF超快恢复二极管参数规格书: 点击查看
ES2DF超快恢复二极管,SMAF封装参数如下:
Maximum repetitive peak reverse voltage VRRM 最高反向峰值电压:200V
Maximum DC blocking voltage VDC 最大直流闭锁电压:200V
Maximum average forward rectified current I(AV) 最大正向平均整流电流:2.0A
Maximum instantaneous forward voltage at 2.0A VF 2.0A时的最大瞬时正向电压:1.0V
Maximum DC reverse current at rated DC blocking voltage TA=25℃ IR 额定直流阻断电压下的最大直流反向电流:5.0uA
Maximum DC reverse current at rated DC blocking voltage TA=125℃ IR 额定直流阻断电压下的最大直流反向电流:100uA
Operating junction and storage temperature range TJ,TSTG 工作温度和存储温度范围:-55to +150℃
ES2DF超快恢复二极管,SMAF封装尺寸:

ES2DF超快恢复二极管,SOD-123封装尺寸:

ES2DF超快恢复二极管,SOD-123封装尺寸:

ES2DF超快恢复二极管,SMA封装尺寸:

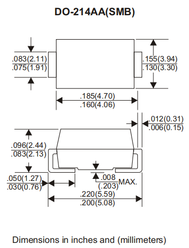
ES2DF超快恢复二极管,SMB封装尺寸

ES2DF超快恢复二极管,SMBF封装尺寸

〈烜芯微/XXW〉专业制造二极管,三极管,MOS管,桥堆等,20年,工厂直销省20%,上万家电路电器生产企业选用,专业的工程师帮您稳定好每一批产品,如果您有遇到什么需要帮助解决的,可以直接联系下方的联系号码或加QQ/微信,由我们的销售经理给您精准的报价以及产品介绍
联系号码:18923864027(同微信)
QQ:709211280