BAT54H,BAT54H二极管参数,BAT54H引脚图,BAT54H中文资料
BAT54H二极管,BAT54H二极管封装为SOD-323,BAT54H的作用,BAT54H丝印JV
BAT54H二极管,BAT54H二极管封装为SOD-323,BAT54H的作用,BAT54H丝印JV

BAT54H二极管参数规格书: 点击查看
BAT54H二极管,SOT-23封装参数如下:
Maximum repetitive peak reverse voltage VRRM 最大重复峰值反向电压:30V
Forward Current IF 电流:200mA
Forward voltage IF=100mA VF 压降:0.8V
Power Dissipation PD 功耗:200mW
Operating junction and storage temperature range TJ,TSTG 工作温度和存储温度范围:-55to +150℃
Reverse recovery time Trr 时间:5ns
BAT54H二极管,SOD-323封装尺寸:

BAT54H二极管,SOD-323封装尺寸:

BAT54H二极管,SOT-23封装尺寸:

BAT54H二极管,SOT-323封装尺寸:

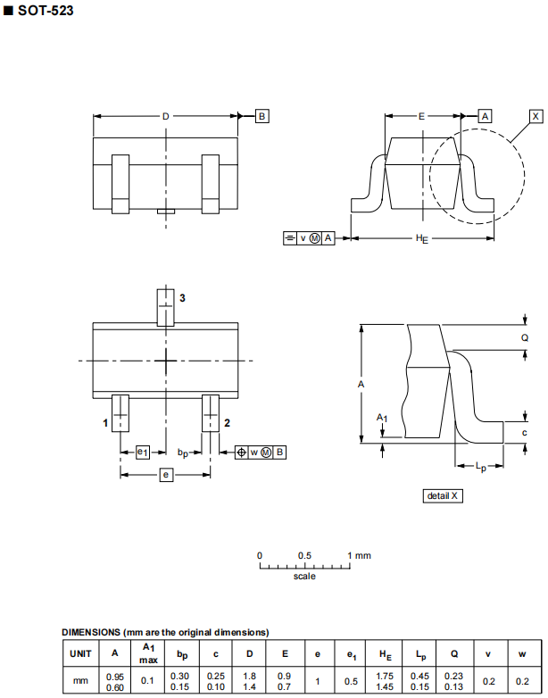
BAT54H二极管,SOT-523封装尺寸:

〈烜芯微/XXW〉专业制造二极管,三极管,MOS管,桥堆等,20年,工厂直销省20%,上万家电路电器生产企业选用,专业的工程师帮您稳定好每一批产品,如果您有遇到什么需要帮助解决的,可以直接联系下方的联系号码或加QQ/微信,由我们的销售经理给您精准的报价以及产品介绍

BAT54H二极管,SOT-523封装尺寸:

〈烜芯微/XXW〉专业制造二极管,三极管,MOS管,桥堆等,20年,工厂直销省20%,上万家电路电器生产企业选用,专业的工程师帮您稳定好每一批产品,如果您有遇到什么需要帮助解决的,可以直接联系下方的联系号码或加QQ/微信,由我们的销售经理给您精准的报价以及产品介绍
联系号码:18923864027(同微信)
QQ:709211280