B5819WS肖特基二极管参数,B5819WS正负极,B5819WS规格书资料
B5819WS肖特基二极管,B5819WS二极管封装为SOD-323,B5819WS参数规格书,B5819WS的作用
B5819WS肖特基二极管,B5819WS二极管封装为SOD-323,B5819WS参数规格书,B5819WS的作用

B5819WS肖特基二极管参数规格书: 点击查看
B5819WS肖特基二极管,SOD-323封装参数如下:
Non-Repetitive Peak Reverse Voltage VRM 非重复峰值反向电压:40V
Peak Repetitive Reverse Voltage VRRM 峰值重复反向电压:40V
Working Peak Reverse Voltage VRWM 工作峰值反向电压:40V
DC Blocking Voltage VR 直流阻断电压:40V
RMS Reverse Voltage VR(RMS) 均方根反向电压:28V
Forward Continuous Current IFM 正向连续电流:1A
Power Dissipation PD 功耗:250mW
RMS Reverse Voltage VR(RMS) 均方根反向电压:28V
Forward Continuous Current IFM 正向连续电流:1A
Power Dissipation PD 功耗:250mW
Maximum Forward Voltage VFM IF=1A时,最大正向电压:0.6V
Operating junction and storage temperature range TJ,TSTG 工作温度和存储温度范围:-65to +150℃
B5819WS肖特基二极管,SOD-123封装尺寸:

B5819WS肖特基二极管,SOD-323封装尺寸:

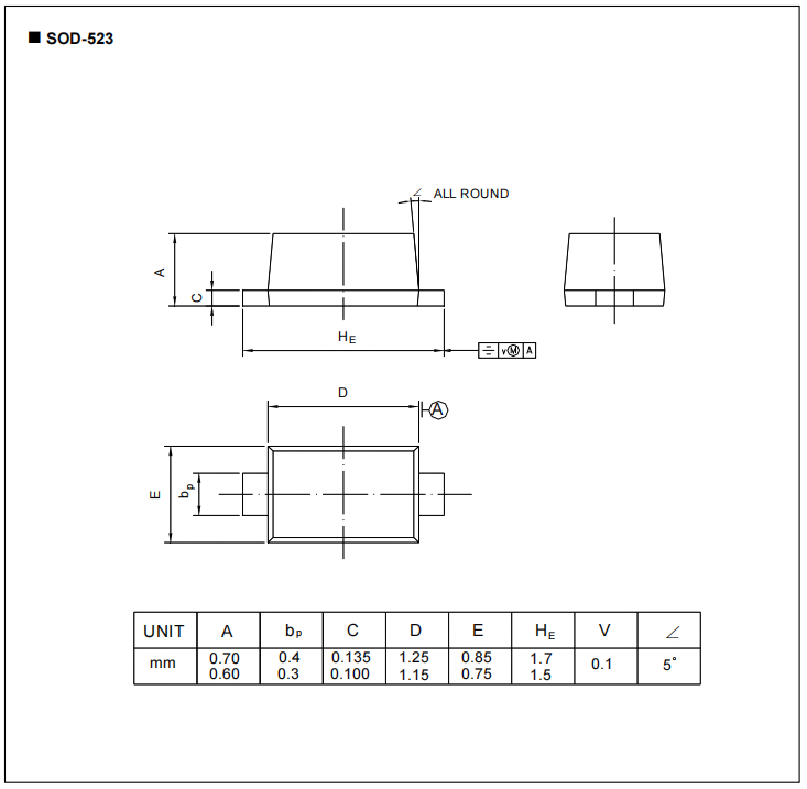
B5819WS肖特基二极管,SOD-523封装尺寸:

〈烜芯微/XXW〉专业制造二极管,三极管,MOS管,桥堆等,20年,工厂直销省20%,上万家电路电器生产企业选用,专业的工程师帮您稳定好每一批产品,如果您有遇到什么需要帮助解决的,可以直接联系下方的联系号码或加QQ/微信,由我们的销售经理给您精准的报价以及产品介绍

B5819WS肖特基二极管,SOD-523封装尺寸:

〈烜芯微/XXW〉专业制造二极管,三极管,MOS管,桥堆等,20年,工厂直销省20%,上万家电路电器生产企业选用,专业的工程师帮您稳定好每一批产品,如果您有遇到什么需要帮助解决的,可以直接联系下方的联系号码或加QQ/微信,由我们的销售经理给您精准的报价以及产品介绍
联系号码:18923864027(同微信)
QQ:709211280