SSL54低压降肖特基二极管,SSL54二极管参数,SSL54中文资料
SSL54低压降肖特基二极管,SSL54封装有SMAF,SMBF,SSL54肖特基二极管参数,SSL54规格书PDF
SSL54低压降肖特基二极管,SSL54封装有SMAF,SMBF,SSL54肖特基二极管参数,SSL54规格书PDF
Maximum repetitive peak reverse voltage VRRM 最高反向峰值电压:40V
Maximum DC blocking voltage VDC 最大直流闭锁电压:40V
Maximum average forward rectified current I(AV) 最大正向平均整流电流:5.0A
Maximum instantaneous forward voltage at 2.0A VF 2.0A时的最大瞬时正向电压:0.45V
Maximum DC reverse current at rated DC blocking voltage TA=25℃ IR 额定直流阻断电压下的最大直流反向电流:1.0mA
Maximum DC reverse current at rated DC blocking voltage TA=125℃ IR 额定直流阻断电压下的最大直流反向电流:50mA
Operating junction and storage temperature range TJ,TSTG 工作温度和存储温度范围:-55to +150℃
SSL54肖特基二极管SMAF封装尺寸:


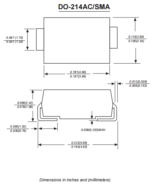
SSL54肖特基二极管SMA封装尺寸:

SSL54肖特基二极管SMBF封装尺寸:

〈烜芯微/XXW〉专业制造二极管,三极管,MOS管,桥堆等,20年,工厂直销省20%,上万家电路电器生产企业选用,专业的工程师帮您稳定好每一批产品,如果您有遇到什么需要帮助解决的,可以直接联系下方的联系号码或加QQ/微信,由我们的销售经理给您精准的报价以及产品介绍

SSL54肖特基二极管SMBF封装尺寸:

〈烜芯微/XXW〉专业制造二极管,三极管,MOS管,桥堆等,20年,工厂直销省20%,上万家电路电器生产企业选用,专业的工程师帮您稳定好每一批产品,如果您有遇到什么需要帮助解决的,可以直接联系下方的联系号码或加QQ/微信,由我们的销售经理给您精准的报价以及产品介绍
联系号码:18923864027(同微信)
QQ:709211280