BT151可控硅参数,BT151参数规格书,BT151引脚图
BT151可控硅,BT151引脚图封装,BT151代换,BT151参数规格书

BT151可控硅,BT151引脚图封装,BT151代换,BT151参数规格书

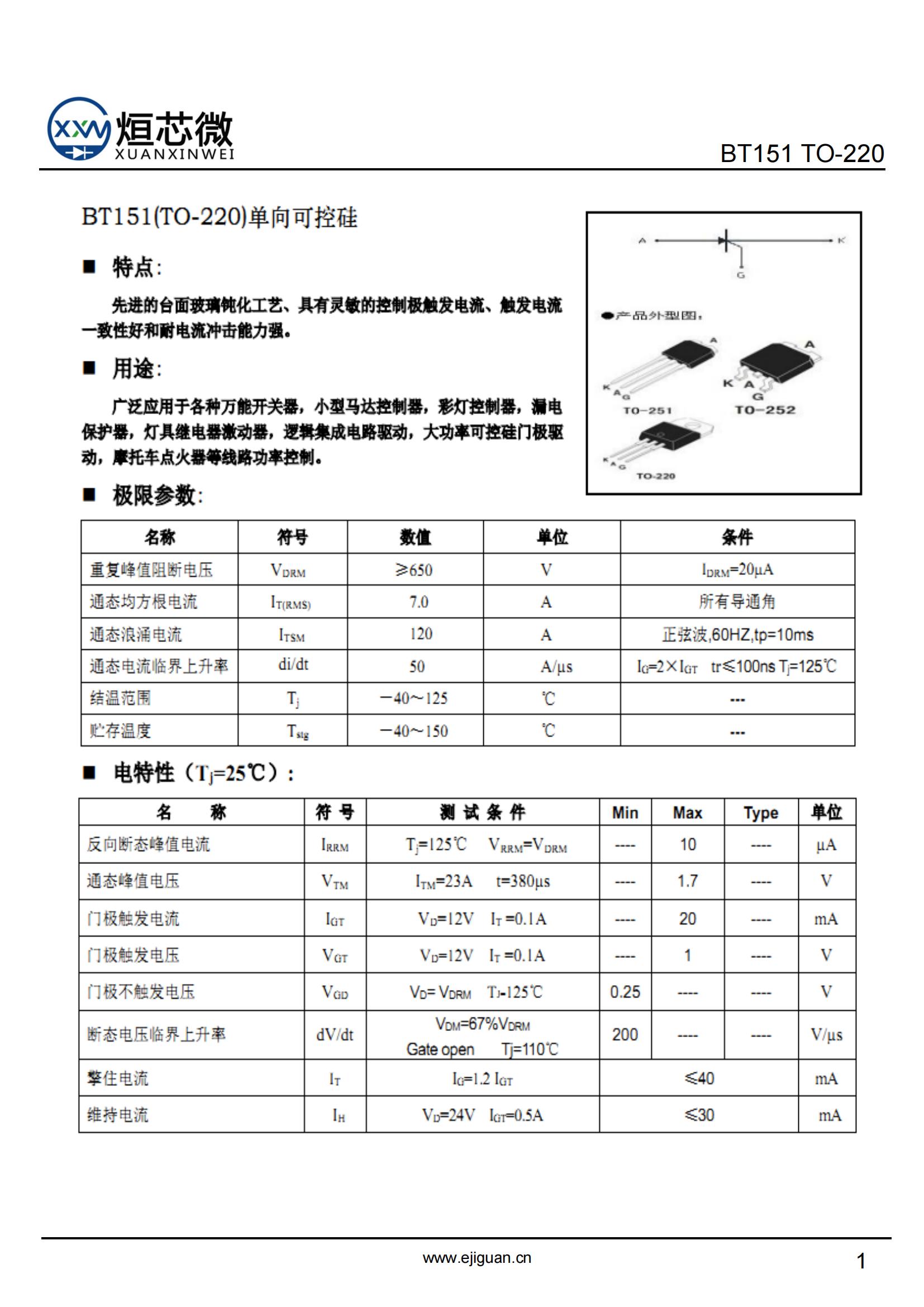
BT151 TO-220参数封装:点击查看

BT151封装有:TO-220/SOT-89/TO-92
Peak Repetitive Forward and Reverse Blocking Voltage 峰值重复正向和反向阻断电压 VDRM and VRRM:≥650V
Forward Current RMS 通态电流 IT(RMS):7.0A
Peak Forward Surge Current, TA = 25℃ 峰值正向浪涌电流 ITSM:120A
Forward "On" Voltage 通态电压 VTM:1.7V
Gate Trigger Current 门极触发电流 IGT:20mA
Gate Trigger Voltage 门极触发电压 VGT:1V
Operating Junction Temperature Range 工作结温度范围 TJ:-40 to +125℃
Storage Temperature Range 储存温度 Tstg:-40 to +150℃
BT151可控硅/TO-220封装尺寸:


BT151可控硅/SOT-89封装尺寸:


BT151可控硅/TO-92封装尺寸:


〈烜芯微/XXW〉专业制造二极管,三极管,MOS管,桥堆等,20年,工厂直销省20%,上万家电路电器生产企业选用,专业的工程师帮您稳定好每一批产品,如果您有遇到什么需要帮助解决的,可以直接联系下方的联系号码或加QQ/微信,由我们的销售经理给您精准的报价以及产品介绍
联系号码:18923864027(同微信)
QQ:709211280