KBU1010整流桥,KBU1010整流桥参数规格书
KBU1010整流桥,KBU1010封装为KBU,KBU1010整流桥参数,KBU1010规格书
KBU1010整流桥,KBU1010封装为KBU,KBU1010整流桥参数,KBU1010规格书

KBU1010整流桥参数规格书:点击查看

KBU1010整流桥参数具体如下:
Maximum repetitive peak reverse voltage VRRM最大重复峰值反向电压:1000V
Maximum DC blocking voltage VDC最大直流阻断电压:1000V
Maximum average forward rectified current IF(AV) 最大平均正向整流电流:10A
Maximum forward voltage at 4.0A DC 4.0A DC 时的最大正向电压:1.0V
Maximum Reverse Current at Ta=25℃ Ta=25℃时的最大反向电流:10uA
at Rated DC Blocking Voltage TA=125℃ 在额定隔直电压 TA=125℃:0.5mA
Operating temperature range TJ 工作温度范围:-55 to +150°C
storage temperature range TSTG 储存温度范围:-55 to +150°C
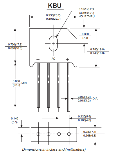
KBU1010整流桥堆封装,KBU封装尺寸:

〈烜芯微/XXW〉专业制造二极管,晶体三极管,MOS管,整流桥堆等,20年,工厂直销省20%,上万家电路电器生产企业选用,专业的工程师帮您稳定好每一批产品,如果您有遇到什么需要帮助解决的,可以直接联系下方的联系号码或加QQ/微信,由我们的销售经理给您精准的报价以及产品介绍
联系号码:18923864027(同微信)
QQ:709211280