KBL410整流桥,KBL410封装为KBL,KBL410整流桥参数,KBL410规格书

KBL410整流桥参数规格书:点击查看

KBL410整流桥参数具体如下:
Maximum repetitive peak reverse voltage VRRM最大重复峰值反向电压:1000V
Maximum average forward rectified current IF(AV) 最大平均正向整流电流:4A
Maximum instantaneous forward voltage drop per diode IFM=4A VF 每个二极管的最大瞬时正向压降:1.0V
Maximum DC reverse current at rated DC blocking voltage per diode VRM=VRRM 每个二极管在额定直流阻断电压下的最大直流反向电流:10uA
Operating temperature range TJ 工作温度范围:-55 to +150°C
storage temperature range TSTG 储存温度范围:-55 to +150°C
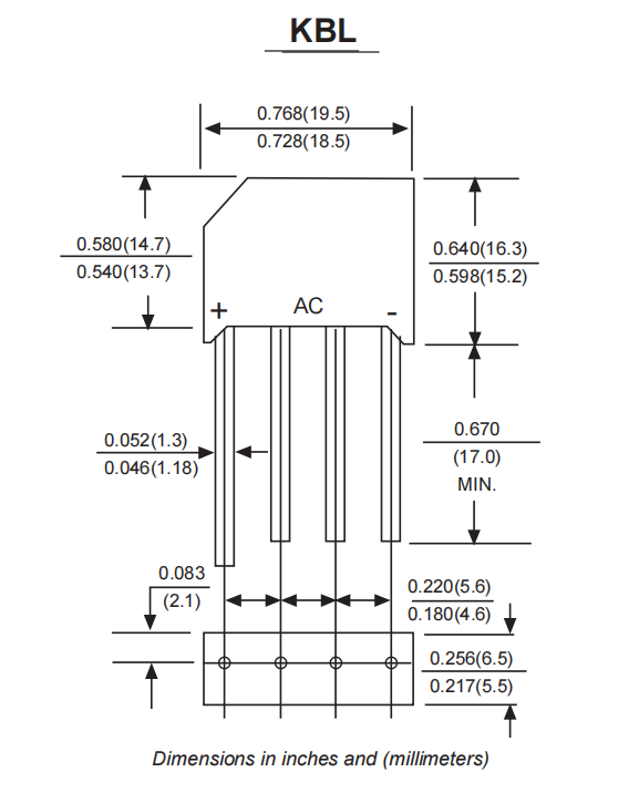
KBL410整流桥堆封装,KBL封装尺寸:

〈烜芯微/XXW〉专业制造二极管,晶体三极管,MOS管,整流桥堆等,20年,工厂直销省20%,上万家电路电器生产企业选用,专业的工程师帮您稳定好每一批产品,如果您有遇到什么需要帮助解决的,可以直接联系下方的联系号码或加QQ/微信,由我们的销售经理给您精准的报价以及产品介绍
联系号码:18923864027(同微信)
QQ:709211280