GBJ1506整流桥15A 600V,GBJ1506封装为6GBJ/6KBJ,GBJ1506整流桥参数规格书

GBJ1506整流桥参数规格书:点击下载

GBJ1506整流桥参数具体如下:

Maximum repetitive peak reverse voltage VRRM最大重复峰值反向电压:600V
Maximum DC blocking voltage VDC最大直流阻断电压:600V
Maximum average forward rectified current IF(AV) 最大平均正向整流电流:15.0A
Maximum instantaneous forward voltage drop per diode IFM=12.5A VF 12.5A时最大瞬时正向,每个二极管的压降:1.1V
Maximum DC reverse current at rated DC blocking voltage per diode IRRM VRM=VRRM 最大直流反向电流,每个二极管的额定直流阻断电压:10uA
Operating temperature range TJ 工作温度范围:-55 to +150°C
storage temperature range TSTG 储存温度范围:-55 to +150°C
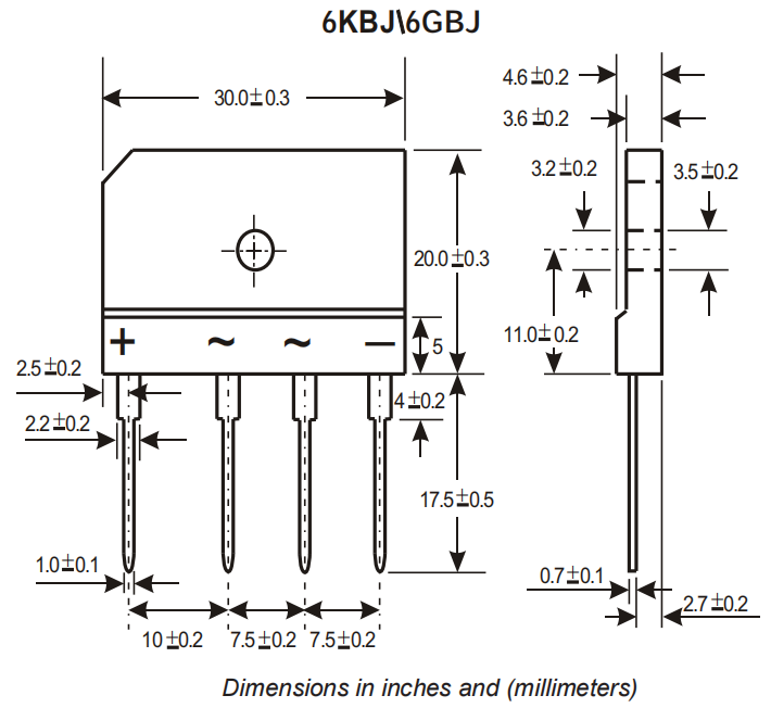
GBJ1506整流桥堆封装,6GBJ/6KBJ封装尺寸:

联系号码:18923864027(同微信)
QQ:709211280
〈烜芯微/XXW〉专业制造二极管,晶体三极管,MOS管,整流桥堆等,20年,工厂直销省20%,1500家电路电器生产企业选用,专业的工程师帮您稳定好每一批产品,如果您有遇到什么需要帮助解决的,可以直接联系上方的联系号码或加QQ,由我们的销售经理给您精准的报价以及产品介绍