MBR3045CT肖特基二极管30A 45V,MBR3045CT有TO220,TO220F两种封装,MBR3045CT二极管参数规格书

MBR3045CT肖特基二极管TO-220封装规格书:点击下载

MBRF3045CT肖特基二极管TO-220F封装规格书:点击下载

MBR3045CT肖特基二极管TO-220,TO-220F封装参数如下:
Maximum repetitive peak reverse voltage VRRM 最大重复峰值反向电压:45V
Maximum DC blocking voltage VDC 最大直流闭锁电压:45V
Maximum average forward rectified current I(AV) 最大正向平均整流电流:30.0A
Maximum Forward Voltage at 15A per leg VF 每只脚 15A 时的最大正向电压:0.68V
Maximum DC reverse current at rated DC blocking voltage TA=25℃ IR 额定直流阻断电压下的最大直流反向电流:0.1mA
Maximum DC reverse current at rated DC blocking voltage TA=125℃ IR 额定直流阻断电压下的最大直流反向电流:20.0mA
Operating junction and storage temperature range TJ,TSTG 工作温度和存储温度范围:-65to +175℃
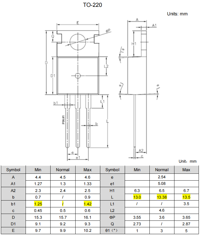
MBR3045CT肖特基二极管封装,TO-220封装尺寸:

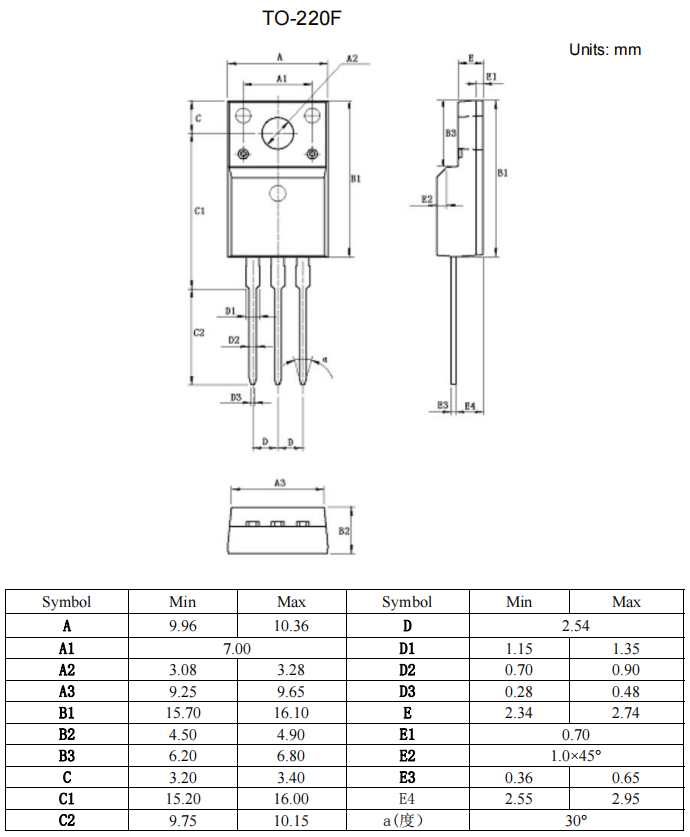
MBR3045CT肖特基二极管封装,TO-220F封装尺寸:

联系号码:18923864027(同微信)
QQ:709211280
〈烜芯微/XXW〉专业制造二极管,三极管,MOS管,桥堆等,20年,工厂直销省20%,1500家电路电器生产企业选用,专业的工程师帮您稳定好每一批产品,如果您有遇到什么需要帮助解决的,可以直接联系上方的联系号码或加QQ,由我们的销售经理给您精准的报价以及产品介绍