KBP206整流桥2A 600V,KBP206封装为KBP,DIP-4,KBP206整流桥参数规格书

KBP206整流桥参数规格书:点击下载

KBP206整流桥参数具体如下:
Maximum repetitive peak reverse voltage VRRM最大重复峰值反向电压:600.0V
Maximum DC blocking voltage VDC最大直流阻断电压:600.0V
Maximum average forward rectified current IF(AV) 最大平均正向整流电流:2.0A
Maximum instantaneous forward voltage drop per birdge element at 2.0A VF 2.0A时最大瞬间正向压降:1.0V
Maximum DC reverse current TA=25* IR 最大直流反向电流TA=25*:10.0uA
at rated DC blocking voltage TA=125* IR 额定直流反向电流TA=125*:0.5mA
Operating temperature range TJ 工作温度范围:-55 to +150°C
storage temperature range TSTG 储存温度范围:-55 to +150°C
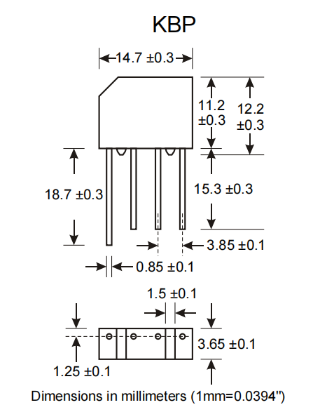
KBP206整流桥堆封装,KBP封装尺寸:

联系号码:18923864027(同微信)
QQ:709211280
〈烜芯微〉专业制造二极管,晶体三极管,MOS管,整流桥堆等,20年,工厂直销省20%,1500家电路电器生产企业选用,专业的工程师帮您稳定好每一批产品,如果您有遇到什么需要帮助解决的,可以直接联系上方的联系号码或加QQ,由我们的销售经理给您精准的报价以及产品介绍