S10M整流二极管10A 1000V,SMC封装,S10M参数规格书
S10M贴片整流二极管10A 1000V,S10M封装为SMC,S10M参数规格书
S10M整流二极管/SMC参数封装: 点击下载
S10M二极管参数具体如下:

Maximum repetitive peak reverse voltage VRRM 最大重复峰值反向电压:1000V
Maximum DC blocking voltage VDC 最大直流闭锁电压:1000V
Maximum average forward rectified current I(AV) 最大正向平均整流电流:10.0A
Maximum instantaneous forward voltage at 10A VF 10A时的最大瞬时正向电压:1.0V
Maximum DC reverse current at rated DC blocking voltage TA=25℃ IR 额定直流阻断电压下的最大直流反向电流:10uA
Maximum DC reverse current at rated DC blocking voltage TA=125℃ IR 额定直流阻断电压下的最大直流反向电流:100uA
Operating junction and storage temperature range TJ,TSTG 工作温度和存储温度范围:-55to +150℃
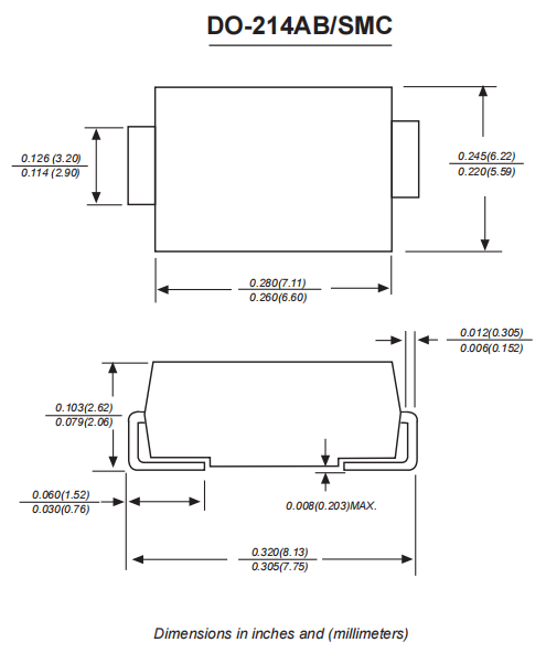
S10M整流二极管,SOD-214AB/SMC封装尺寸:

联系号码:18923864027
QQ:709211280
烜芯微专业制造二极管,三极管,MOS管,桥堆等,20年,工厂直销省20%,上万家电路电器生产企业选用,专业的工程师帮您稳定好每一批产品,如果您有遇到什么需要帮助解决的,可以直接联系上方的联系号码或加QQ,由我们的销售经理给您精准的报价以及产品介绍