SSR是固态继电器的简称,固态继电器一种无机械触点的电子开关元件,它具有控制灵活,可靠性高,寿命长,在通与断的时间不会产生电火花,无噪声,开关速度快,工作频率高,抗干扰能力强等优点,SSR的另一个特点是驱动电流(或电压)小,给输入端加一个很小的信号,就可以实现对被控制系统的控制。(下文所有固态继电器均用SSR来表示)
作为无机械触点的开关功能元件,SSR的基本使用框图如下:

SSR基本使用框图
SSR的类型,型号很多,所以它的输入控制方法和控制电路也相应较多。SSR之间的共同特点是驱动电流或驱动电压很小,输入一个很小的信号就可以时间对SSR输出状态通,断的控制。如果要实现有效而可靠的控制,其输入信号必须达到一个给定值。对输入回路工作电流的要求,推荐值为5-10mA时开通,小于1mA时关断,对于输入端工作电压的要求,一般情况下开通时不低于3V,关断时小于1V,当然,因产品特性不同伙厂家不同,对输入电流或电阻值的要求是会有差异的。因此在使用和设计电路的时候,可以根据SSR的类型,规格和使用场合来进行选择和设计,下面就介绍一些基本的输入端控制方法和电路。
1.SSR触点控制方式
由一组机械触点直接控制电路,如下图,图中的S可以是机械开关,也可以是继电器触点货电子开关电路。

机械触点直接控制电路图
2.用交流电源驱动

交流电源驱动电路图
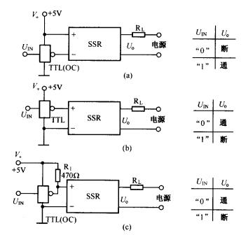
3.采用TTL数字集成电路驱动
用TTL数字继承电路控制SSR通断的电路,如下图:

TTL数字集成电路驱动SSR电路图
4.采用CMOS数字集成电路驱动
CMOS器件的输入阻抗高,输出逻辑电平摆动幅大(高低电平值接近电源电压),很适合与SSR和其他电路配合,但CMOS器件的静态功耗和动态功耗(静态功耗仅约为10nW,动态功耗为几毫瓦)。为确保CMOS器件使用安全,电路中采用三极管进行缓冲,隔离(如下图)。

CMOS数字集成电路驱动SSR电路图
5.用脉冲信号触发SSR的方法(如下图)
触发电路与SSR的“-”输入端相接,在A端加幅值为Up的脉冲信号,使可控硅VS触发导通,进而使SSR导通,该状态即使脉冲过后仍会继续保持。若此时B端加上另一个正脉冲信号,则VT导通,其集电极呈低电平。VS关断,脉冲过后,SSR转呈端态。

脉冲信号触发SSR电路图
6.采用三极管控制SSR的通断
SSR可用NPN型货PNP型晶体三极管直接控制其输入端(如下图a,b所示),在图a电路中,平时VT导通,SSR出于接通状态,当有脉冲时,SSR断开,在图b所示电路中,平时电路中,平时VT截止,SSR呈断开状态,当有脉冲时,SSR接通。

三极管控制SSR的通断电路图
对于一般的SSR,要求输入的最小工作电压为3V(接通),若低于1V,则SSR关断。
以上就是固态继电器(SSR)的控制和驱动方法介绍。目前固态继电器已广泛应用于计算机外围接口设备、恒温系统、调温、电炉加温控制、电机控制、数控机械,遥控系统、工业自动化装置以及作为电网功率因素补偿的电力电容的切换开关等等,另外在化工、煤矿等需防爆、防潮、防腐蚀场合中都有大量使用。
电话:18923864027(同微信)
QQ:709211280
〈烜芯微/XXW〉专业制造二极管,三极管,MOS管,桥堆等,20年,工厂直销省20%,上万家电路电器生产企业选用,专业的工程师帮您稳定好每一批产品,如果您有遇到什么需要帮助解决的,可以直接联系下方的联系号码或加QQ/微信,由我们的销售经理给您精准的报价以及产品介绍