随着电子产品的不断更新,保险丝作为电子产品?;ぷ爸玫墓丶涫谐⌒枨蠼嵋恢贝嬖诓⒉欢显龀?,市场对保险丝的功能将有更多的要求。但是一般的电子保险电路特性并不符合普通保险丝的熔断特性,其熔断时间不随电流的变化而变化。而基于单片机的电子保险丝克服了这一缺点,利用单片机即可对普通保险丝进行模拟,又能具有普通保险丝所没有的功能。

电子保险丝
1.系统总体结构
系统包括以下几个电路??椋篠TC89C52最小系统模块,MAX471电流采集模块、TLC2543 A/D转换模块、功能选择模块、1602液晶显示模块、继电器控制模块等。
其中,STC89C52最小系统??槭钦鱿低车目刂坪诵?MAX471电流采集??楦涸鸩杉馕У缏返缌?TLC2543 A/D转换模块负责将MAX471采集到的电流值进行模数转换传给单片机;功能选择??橛盟母霭醇迪?,三个档位键(0.3A,5S;0.4A,1S;2A,0.5S通过软件可对三个档进行设置),一个功能复位键;1602液晶显示??榻杉降牡缌髦凳凳毕允境隼矗⑾允舅〉牡滴坏南喙厥?继电器控制??楦莸テ目刂贫酝馕У缏方型?、断控制。系统总体结构框图如图1所示。

图1 系统总体结构框图
2.硬件设计
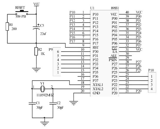
2.1STC89C52单片机最小系统
STC89C52是STC公司生产的一种低功耗、高性能CMOS8位微控制器,具有8K在系统可编程Flash存储器。STC89C52使用经典的MCS-51内核,但做了很多的改进使得芯片具有传统51单片机不具备的功能。在单芯片上,拥有灵巧的8位CPU和在系统可编程Flash,使得STC89C52为众多嵌入式控制应用系统提供灵活、有效的解决方案。
具有以下标准功能:8k 字节Flash,512字节RAM ,32位IO口线,看门狗定时器,内置4KB EEP-ROM ,MAX810复位电路,3个16位定时器/计数器,4个外部中断,一个7向量4级中断结构,全双工串行口。最高运作频率35MHz,本系统选择11.0592MHz。最小系统电路如图2所示。

图2 最小系统电路图
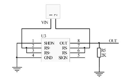
2.2MAX471电流采样电路
MAX471是美国MAXIM 公司生产的双向、精密电流传感放大器,内置35mQ精密传感电阻,在工作温度范围内,精度为2% ,可测量电流的上下限为±3A。硬件电路如图3所示。图中输出电阻R,为2KQ的精密电阻,则输出端OUT端的电压为VOUT=R5×ITEST×500×10-6V,其中Issr为外围电路的被测电流。这里只用于直流电路,SIGN端悬空,使用时保证VIN端接高电压端。

图3 MAX471电流采样电路
2.3TLC2543 A/D转换电路
MAX471电流采样电路输出的电压信号由OUT端输出,需经过A/D转换后送单片机,考虑到精度的要求,选用12位的TLC2543。其硬件电路如图4所示。图中REF+引脚接+4.096V的电压,REF-引脚接地。

图4 TLC2543 A/D转换电路
2.4继电器控制电路
外围电路的通断由继电器控制,控制电路如图5所示。当检测到电流超过设定值和预定时间后,由单片机的P2.0引脚输出低电平,控制继电器断开外围电路;当再次复位后外围电路接通。

图5 继电器控制电路
3.软件设计
开机后首先通过MAX471采集外围电路的电流,电流经过TLC2543 A/D转换成数字量,并在LCD显示当前电流值,当外围电路的电流超出事先设定好的熔断电流时,定时器开始定时,达到熔断时间,继电器吸合,外围电路断开,当按下复位键,继电器复位,外围电路恢复正常工作。具体流程如图6所示。

图6 软件设计流程图
结束语
以上就是基于单片机的电子直流保险丝设计介绍了。该设计以STC89C52为控制核心设计的电子直流保险丝,对外围直流电路的实时电流进行采集检测、显示,并对外围电路实现控制,从而达到?;さ淖饔?。主要优点在于可以通过A/D转换器同时采集,实现对多个外围电路的检测与?;?。本系统达到了简易保险丝的要求,性能稳定可靠,且成本较低。
电话:18923864027(同微信)
QQ:709211280
〈烜芯微/XXW〉专业制造二极管,三极管,MOS管,桥堆等,20年,工厂直销省20%,上万家电路电器生产企业选用,专业的工程师帮您稳定好每一批产品,如果您有遇到什么需要帮助解决的,可以直接联系下方的联系号码或加QQ/微信,由我们的销售经理给您精准的报价以及产品介绍