我们都见过很多太阳能灯,它们的价格非常便宜。但是用购买太阳能灯的钱无法从商店购买太阳能电池板、镍氢电池。而且它们还有一个缺点,即电池不能满足蓄电和用电的需求,整个使用过程并不是完整的循环,这种太阳能灯的寿命非常短。大多数灯整夜都不亮,原因有很多,比如电池坏/旧、太阳能电池板小、电子设备糟糕等等。针对这种情况,可以使用超级电容器代替电池,持续时间会更长。
太阳能草坪灯是一个独立的太阳能发电系统。它能够独立地完成把太阳能转换为电能,并能把电能转换成热能供照明和装饰使用,而不需要电线的传输。即使是在阴天,这个太阳能发电机(太阳能板)也可以收集,存储太阳能量。由于蓄电池寿命短以及不环保,因此本文介绍了一种基于超级电容器太阳能草坪灯的设计方法。超级电容器作为一种充电快、寿命长、绿色环保型储能元件,它给太阳能产品的发展带来了新的活力。

太阳能草坪灯
1.设计选择
1.1光源选择
由于LED技术目前已经实现了关键性突破,同时性能价格比也有较大地提高。现在的LED寿命已可达到100,000h以上,而且工作电压低,非常适合应用于太阳能草坪灯上。另外,LED由低压直流供电,其光源控制成本低,可以调节明暗,并可频繁开关,而且不会对LED的性能产生不良影响。因此,从可靠性、性价比、色温和发光效率等几个方面综合考虑,设计时可选择额定电压为3.3 V、工作电流为6 mA的超亮LED作为光源。由于草坪灯不但要有装饰作用,还要有一定的照明功能,故可选择8个LED使用。
1.2太阳能电池选择
太阳能电池是依据半导体PN结的光伏效应原理把太阳光能转化为电能的半导体器件,是超级电容器太阳能草坪灯的核心器件。太阳能电池性能的好坏直接决定着能量的转换效率及输出电压的稳定性,同时也直接决定了超级电容器太阳能草坪灯的性能。因此,设计时应采用性价比比较好的单晶硅太阳能电池。
由于地球上各个地区的太阳年总辐射量与平均峰值日照时数不同,太阳能草坪灯的设计和灯的使用地理位置是有关系的,太阳能电池组件额定输出功率和灯具的输入功率之间的关系大约是2~4:1,具体比例要根据灯的每天工作时间以及对连续阴雨天的照明要求决定。本系统的太阳能电池的功率为3.3V×0.006×8=0.1584 W,假设每天工作12个小时,太阳能电池功的效率为40%,每天有效工作时间为5小时,则可选用3 W/6 V的太阳能电池。
1.3超级电容选择
由于太阳能电池的输入能量极不稳定,同时草坪灯只是在周围光线较弱时才发光,因而必需配置蓄电系统才能有效工作。现阶段普遍采用铅酸蓄电池、Ni-Cd蓄电池或Ni-H蓄电池,但采用蓄电池作为蓄电系统有许多缺陷:首先可充电型蓄电池的充电次数有限(小于1000次),使用寿命较短;其次,由于其化学结构的影响,它不能进行大电流充电;第三,蓄电池需要有防过充、防过放以及温度补偿等控制电路,而且控制电路比较复杂;第四,可充电型蓄电池主要利用化学反应来进行充放电,电池中的废物会对环境产生污染,不属于环保产品。
因此,本产品中选用超级电容做为储能元件。该电容具有法拉级的超大电容量,超强的荷电保持能力,且漏电流非常小,8小时电压下降率小于5%;无须特别的充电电路和控制放电电路,充电迅速,而且可以在仅高于其漏电流(典型值约为1 mA)的状态下充电,因此,即使在阴天,太阳能电池也能对超级电容器充电;与蓄电池相比,其过充、过放都不对其寿命构成负面影响,可靠性高、使用寿命长(充放电循环寿命在10万次以上);此外还具有优良的温度性能,可在-40℃~75℃的环境温度中正常使用;无污染,是一种绿色电源;可焊接,而且不存在像蓄电池那样接触不牢固等问题。
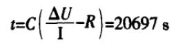
本太阳能草坪灯产品选用5.0V/225 F电容器??椋涞ブ坏缛萜鞑返腅SR(DC)只有20mΩ,直径25 mm,高为48 mm。5 V/225 F超级电容器充电时间为(在充电电流为450mA的情况下):

式中:C-电容器额定容量;△U-电容器工作电压变化;I-电容器充电电流;t-电容器充电时间。
超级电容器放电时间为:

式中:ESR为电容器的直流内阻。5 V/225 F超级电容器可从5 V放电到0.6 V。
2.系统控制电路设计
2.1充电电路
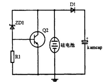
本系统中的充电电路由防过压和防反充电路构成,图1所示为其充电电路,图中的ZD1为5.6V稳压二极管,当电池电压高于5.6 V时,Q2导通,硅电池全部电流通过电阻Q2消耗掉,当硅电池电压降到5.6 V以下时,Q2截至,硅电池给超级电容充电,并同时?;こ兜缛?。

图1 充电电路
防止反充电控制电路可以保证在太阳能电池输入电压低于超级电容电压时,超级电容不会反向对太阳能电池充电,以免造成不必要的能量损耗。反充电控制可由图1中的二极管D1来完成,这个二极管选用肖特基二极管,因为肖特基二极管的导通压降比普通二极管低。
2.2驱动LED稳压电路
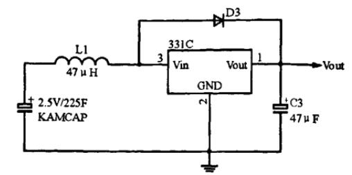
由于所选用的LED灯的额定电压为3.3 V,而超级电容器的电压为5.0 V,并且超级电容器在放电过程中电压会不断降低,因此需要有稳压电路来驱动LED。本文选用CMOS工艺制造且静态电流极低的VFM开关型DC/DC升压稳压器,该芯片内部包括VFM控制电路、LX开关驱动晶体管、基准电压单元、振荡器、误差比较放大器、电压采样电阻、LX开关?;さ缏返取P酒獠恐恍枰桓龅绺?、一个输出电容和一个肖特基二极管就可以提供稳定的低噪声输出电压。该稳压器具有8μA的极低输入电流、低纹波、低噪声特性,效率可达到80%,并具有0.6 V的极低启动电压,输出电压精度可达±2.5%。该部分电路如图2所示。

图2 驱动LED稳压电路
其中331C外围的电感和二极管会影响转换效率,此外,电容和电感也会影响输出波纹。因此。设计时应选择合适的电感、电容和肖特基二极管以获得较高的转换效率和较低的波纹和噪声。根据331C的数据手册,本设计选择47μH且小于0.5 Ω的电感和47μF的低ESR的钽电容。用于整流的二极管对DC-DC的效率影响很大,虽然普通的二极管也能够使DC-DC电路工作正常,但是会降低DC-DC转换器5%~10%的效率,所以D3采用正向导通电压较低、反应时间较短的肖特基二极管lN5817。
2.3光控电路
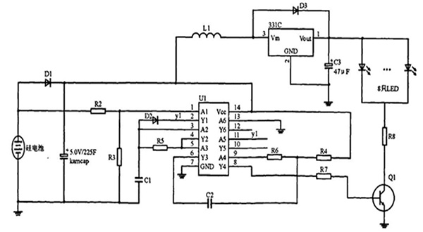
超级电容器太阳能草坪灯需要光控开关电路来控制LED的开关。以便在周围环境光线变暗时点亮LED,并当光线变亮时关闭LED。有些光控开关电路采用光敏电阻来开关LED,也可以直接采用太阳能电池做光敏开关,因为太阳能电池特性比光敏电阻好。这部分电路如图3所示。

图3 光控电路
图3中,U1为带施密特触发器的六反相器74HC14,其中的多谐振荡器由第二个反相器与R5和C1构成。这样,在白天光线变亮时,太阳能电池电压升高,74HC14的1脚为高电平,74HC14的2脚为低电平,8脚同样输出低电平,三极管Q1截至,LED关断。而当光线变暗时,太阳能电池电压降低到一定程度时,HC14的1脚为低电平,HC14的2脚为高电平,多谐振荡器开始振荡,并经过Y4输出高、低电平,Q2时而导通时而截至,此时只要调节R6和C1的值,以把闪光频率调节到人眼不能分辨即可,这样做的最大好处是可以延长草坪灯工作时间。经实际测试,该电路可以每天连续工作10小时以上,完全可以达到用户的使用需求。
3.关于电容器太阳能草坪灯设计的常见问题
3.1 LED灯泡中电容的作用是什么?
取决于你使用的是哪种电容器。有两种类型的电源操作 LED:
便宜的,由电压降整流器电路供电,其中降压功能由聚酯薄膜电容器执行,高达 2 微法拉?;褂幸桓龃笤?100 微法拉的电解液,可以防止浪涌并平滑直流电压。
然后是真正的 LED 灯,它有一个小的驱动模块,它是一个降压转换器,控制提供给 LED 串的电流。通常,这是大约 300 mA。电压根据灯的额定值而变化,从大约 25V 到 80V。驱动??橹型ǔS懈哐沟缃夂偷脱沟缃?。这些用于平滑 HV 输入和 LV 输出。
3.2 LED灯的电容有什么作用?
电容器通常用于 LED 驱动器以平滑和减少来自电源的纹波。为 LED 照明系统选择合适的电容器有助于避免闪烁、消除过热并确保 LED 灯的使用寿命。
3.3 LED灯需要电容吗?
需要一个电容器,因为虽然 LED 颜色变化会因电阻、电感、电源质量等原因导致较大的压降,但问题在于这些智能 LED 中有一个小型微控制器,对掉电很敏感(输入电压下降)。
3.4 LED 需要多大尺寸的电容器?
针对典型的 LED 照明电路来说,对于 C1、C2 和 C3,应选择额定 AC 250Vrms 的安全认可电容器。C6是二极管的缓冲电容;需要额定承受 DC 250V 至 DC 630V 的部件,这些部件可以具有 X7R 温度特性。
3.5 电容器会阻止 LED 闪烁吗?
电容器实际上可以用来减少闪烁,但它们需要与 LED 二极管本身并联,而不是与电源连接。
3.6 电容器和电池有什么区别?
电池 可以将化学能转化为电能的装置。电容器 用于储存能量的电子元件。与以化学方式储存能量的电池不同,电容器以物理方式储存能量,其形式与静电非常相似。
3.7 将带电的电容器连接到灯泡时会发生什么?
当一个电容器放在一个包含一个灯泡和一个电池的电路中时,电容器最初会充电,随着充电的发生,电路中将出现非零电流,因此灯泡会亮起。
3.8 当用电容器设计太阳能草坪灯时,电容器会增加电压吗?
电容器不会增加电压。在直流电路中,连接一个充电的电容器作为电源将提供电容器的电位作为电源电压,随着电容器放电,这将随着时间的推移而减少。
3.9 可以用电容器作为电池吗?
施加在导体上的电压会在电容器中产生电场,从而存储能量。电容器像电池一样工作,如果在其两端施加可能导致电荷大于其“当前”电荷的电势差,它将被充电。
结语
以上就是基于电容器的太阳能草坪灯设计介绍了。本设计采用了超级电容和集成的DC-DC芯片,因而整个电路设计简单,可靠性高,属于绿色环保产品。电子设备本身就是一种最先进的技术,它非常小,可以焊接到超级电容器上。即使在多云的天气它也可以充电,可以把它放在任何你喜欢的外壳里。而该草坪灯很好的结合了太阳能和超级电容器的优势,它无需安装其他电源,就可以主动发光,还能够根据环境光线的强弱自动控制灯的开关,并且安装方便、不用布线、工作稳定可靠、免维护、环保无污染、使用寿命长,可广泛应用于广场绿地、小区草坪等场所。
电话:18923864027(同微信)
QQ:709211280
〈烜芯微/XXW〉专业制造二极管,三极管,MOS管,桥堆等,20年,工厂直销省20%,上万家电路电器生产企业选用,专业的工程师帮您稳定好每一批产品,如果您有遇到什么需要帮助解决的,可以直接联系下方的联系号码或加QQ/微信,由我们的销售经理给您精准的报价以及产品介绍