电阻器是电子电路中应用数量最多的元件,通常按功率和阻值形成不同系列,供电路设计者选用。电阻器在电路中主要用来调节和稳定电流与电压,可作为分流器和分压器,也可作电路匹配负载。根据电路要求,还可用于放大电路的负反馈或正反馈、电压-电流转换、输入过载时的电压或电流?;ぴ?,又可组成RC电路作为振荡、滤波、旁路、微分、积分和时间常数元件等。那么电阻器的阻值是怎么标注的呢?下面一起来看看吧:
1.直标法
直标法”是将电阻器的类别及主要技术参数的数值直接标注在电阻器表面上,如上图所示。对片状电阻,虽然其体积有大有小,但目前使用最多的是3.2&TImes;1.6(mm)及2&TImes;1.25(mm)两种规格,它们的体积都很小,故而一般只将阻值标注在电阻表面,其余参数都予以省略。通常用3位阿拉伯数字来标注片状电阻的阻值,其中第1位数代表阻值的第1位有效数;第2位数代表阻值的第二位有效数字;第3位数代表阻值倍率,即阻值第1、2位有效数之后0的个数。例如:
203代表20后的3个0,即20,000Ω=20kΩ。471表示47后面加1个0,即470Q。105表示1MQ。272表示2.7kΩ。
对于带小数的欧姆级片状电阻或10Ω之内的整数值片状电阻,也用R来代表Ω,与上述特殊标注法相同。例如:
1R2表示1.2Ω:4R7表示4.7Ω;R33表示0.33Ω。
值得注意的是:不少初学者往往将片状电阻末位标注为0的电阻识别错,如将100误认为100Ω,将620误认为620Ω等,其实末位为0表示第1、2有效数之后的0的个数为零,即没有0,这样,100应理解为10Ω,620应为62Ω,依此类推。少数片状电阻亦有用4位数字标注阻值的,如在美国GE空调器??氐缏分芯陀斜曜⑽?801的片状电阻,其实际阻值为6.8kΩ。由此可见,4位数标注与3位数标注的差别只是多了一位有效数,其余与3位数标注法相同,这里不再赘述。如图1所示

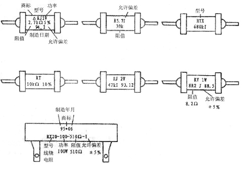
图1 直标法
2.文字符号法
随着电子元件的不断小型化,特别是表面安装元器件(SMC和SMD)的制造工艺不断进步,使得电阻器的体积越来越小,其元件表面上标注的文字符号也作出了相应改革。一般仅用三位数字标注电阻器的数值,精度等级不再表示出来(一般小于±5%)。具体规定如下:
(1)元件表面涂以黑颜色表示电阻器。
(2)电阻器的基本标注单位是欧姆(Ω),其数值大小用三位数字标注。
(3)对于十个基本标注单位以上的电阻器,前两位数字表示数值的有效数字,第三位数字表示数值的倍率。如100表示其阻值为10&TImes;100=10Ω;223表示其阻值为22&TImes;103=22kΩ。
(4)对于十个基本标注单位以下的元件,第一位、第三位数字表示数值的有效数字,第二位用字母“R”表示小数点。如3R9表示其阻值为3.9Ω。

图2 文字符号法
3.色标法
“色标法”是将电阻器类别及主要技术参数的数值用颜色(色环或色点)标注在它的表面上,普通的电阻器用四色环表示,精密电阻用五色环表示。紧靠电阻体一端头的色环为第一环,若采用四色环标注,其第一环是十位数,第二环为个位数,第三环为应乘位数,第四环为允许误差率。
若采用五色环标注,其第一环是百位数,第二环为十位数,第三环为个位数,第四环为应乘位数,第五环为允许误差率。
各颜色所代表的数值如下表:

顺便指出,电阻额定功率与它的体积大小密切相关:额定功率越大,体积也越大。常用电阻的外形尺寸与额定功率间的对应关系见下表所示。有经验的爱好者可以从电阻体积上大体判断出它的额定功率值,这对识别无功率标注的电阻(如色环电阻)是很有帮助的。
4.数码标示法
在产品和电路图上用三位数字来表示元件的标称值的方法称之为数码标示法。该方法常见于贴片电阻或进口器件上。
在三位数字中,从左至右的第一、二位为有效数字,第三位数字表示有效数字后面所加"0"的个数(单位为Ω)。如果阻值中有小数点,则标示为"0"或"000"的电阻,阻值为0Ω,这种电阻实际上是跳线(短路线),在有些电路中,阻值为0Ω的贴片电阻用作保险电阻使用。如图3所示:

图3 数码标示法
有时第三位也用字母表示有效数字后所乘的倍率,这种方法表示的电阻值与前面方法所表示的识别方法有点不同:它的前两位数字只是一代码。
第三位的字母与倍率的变化为:
代表字母:A B C D E F G H X Y Z
代表倍率: 100 101 102 103 104 105 106 107 10-1 10-2 10-3
例如:“01A”表示的阻值为100×100=100Ω;“13C”表示的阻值为133×102=13.3KΩ。
以上就是电阻器的标注方法介绍了。固定电阻器的选用有多种类型,选择哪一种材料和结构的电阻器,应根据应用电路的具体要求而定;而且所选电阻器的电阻值应接近应用电路中计算值的一个标称值,应优先选用标准系列的电阻器。一般电路使用的电阻器允许误差为±5%~±10%。
电话:18923864027(同微信)
QQ:709211280
〈烜芯微/XXW〉专业制造二极管,三极管,MOS管,桥堆等,20年,工厂直销省20%,上万家电路电器生产企业选用,专业的工程师帮您稳定好每一批产品,如果您有遇到什么需要帮助解决的,可以直接联系下方的联系号码或加QQ/微信,由我们的销售经理给您精准的报价以及产品介绍