在电子学中,称为达林顿配置(通常称为达林顿对)的多晶体管是由两个双极晶体管组成的电路,其中一个晶体管的发射极连接到另一个晶体管的基极,这样电流被第一个晶体管放大被第二个进一步放大。两个晶体管的集电极连接在一起,这种配置比单独采用的每个晶体管具有更高的电流增益。
1.什么是达林顿管
达林顿管就是两个三极管接在一起,极性只认前面的三极管。具体接法如下,以两个相同极性的三极管为例,前面三极管集电极跟后面三极管集电极相接,前面三极管发射极跟后面三极管基极相接,前面三极管功率一般比后面三极管小,前面三极管基极为达林顿管基极,后面三极管发射极为达林顿管发射极,用法跟三极管一样,放大倍数是两个三极管放大倍数的乘积。

图1 达林顿管
2.达林顿管的优点
典型的达林顿晶体管具有1000或更高的电流增益,因此只需要很小的基极电流就可以使该晶体管对接通更高的开关电流。
电路提供非常高的输入阻抗。
它可以简单地由两个独立的NPN晶体管制成,也可以采用多种单一封装。
3.达林顿管应用电路图

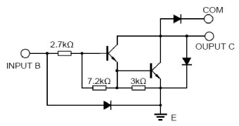
图2 达林顿管电路图
4.达林顿管的工作原理
达林顿管又称复合管。他将两个三极管串联,以组成一只等效的新的三极管。这只等效三极管的放大倍数是原二者之积,因此它的特点是放大倍数非常高。达林顿管的作用一般是在高灵敏的放大电路中放大非常微小的信号,如大功率开关电路。在电子学电路设计中,达林顿接法常用于功率放大器和稳压电源中。

图3 达林顿管工作原理图
5.达林顿管的应用
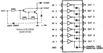
系统中的行驱动器和列驱动器均可采用高β、高速低压降的达林顿管。用BD683(或BD677)型中功率NPN达林顿管作为列驱动器,而用BD682(或BD678)型PNP达林顿管作行驱动器,控制8×8LED矩阵板上相应的行(或列)的像素发光。应注意的是,达林顿管由于内部由多只管子及电阻组成,用万用表测试时,be结的正反向阻值与普通三极管不同。对于高速达林顿管,有些管子的前级be结还反并联一只输入二极管,这时测出be结正反向电阻阻值很接近,容易误判断为坏管,请注意。
用于大功率开关电路、电机调速、逆变电路。
驱动小型继电器:利用CMOS电路经过达林顿管驱动高灵敏度继电器的电路。虚线框内是小功率NPN达林顿管FN020。
驱动LED智能显示屏:LED智能显示屏是由微型计算机控制,以LED矩阵板作显示的系统,可用来显示各种文字及图案。
6.关于达林顿管的常见问题
6.1达林顿晶体管的主要功能是什么?
达林顿晶体管充当具有高电流增益的单个晶体管,这意味着使用来自微控制器或传感器的少量电流来运行更大的负载。
6.2达林顿管有哪些缺点?
带宽有限
此配置在负反馈电路中的某些频率处引入了相移
由于高饱和电压,它提供高功耗
第一个晶体管的漏电流被下一个晶体管放大
6.3达林顿晶体管有什么用?
达林顿晶体管对的应用涉及在低频下需要高增益的地方,如电源调节器、音频放大器输出级、显示驱动器、电机控制器、触摸和光传感器以及螺线管控制。
6.4达林顿放大器的电压增益是多少?
典型的达林顿对的增益为10000,有些增益高达50000。达林顿对可以由两个单独的晶体管组装而成,但使用达林顿晶体管更方便。
6.5如何测试达林顿晶体管的好坏
(1)识别达林顿晶体管上的基极、集电极和发射极引线?;吡拥骄骞芏灾械谝桓鼍骞艿幕?,集电极共同连接到这对晶体管的两个元件,发射极引线连接到第二个晶体管的发射极。如果您不确定设备是 NPN 还是 PNP 类型,请参阅制造商的规格表。以下步骤针对的是 NPN 型晶体管。反转 PNP 型设备的测试引线的极性。
(2)将万用表拨盘转到二极管设置。如果工具没有此选项,请将其调至最低欧姆设置。
(3)将正极仪表引线夹或压在底座引线上。如果测试导线时没有内置夹子,请使用鳄鱼夹跳线连接晶体管导线和仪表探头。夹住探头可以更轻松地使用微型设备。
(4)将负极测试探针接触到集电极,然后是发射器。正常工作的晶体管将显示低 hFE(晶体管电流增益)读数。
(5)将负表引线夹在晶体管的基极引线上。
(6)将正极引线压到发射极和集电极引线上。由于测试设备的反向偏置,每个读数都应显示开路(无限电阻)。
结语
以上就是达林顿管典型应用电路图与工作原理的介绍了,即使在安全区电压下,达林顿对也可以足够敏感以响应皮肤接触通过的电流。因此它可以形成一个新的触敏开关输入级。达林顿晶体管可用于大电流电路,例如LM1084稳压器。其他高电流应用可能包括那些涉及电机或继电器的计算机控制的应用,其中电流从计算机输出线的安全低电平放大到连接设备所需的量。
电话:18923864027(同微信)
QQ:709211280
〈烜芯微/XXW〉专业制造二极管,三极管,MOS管,桥堆等,20年,工厂直销省20%,上万家电路电器生产企业选用,专业的工程师帮您稳定好每一批产品,如果您有遇到什么需要帮助解决的,可以直接联系下方的联系号码或加QQ/微信,由我们的销售经理给您精准的报价以及产品介绍