二极管是最早诞生的半导体器件之一,其应用非常广泛。特别是在各种电子电路中,利用二极管和电阻、电容、电感等元器件进行合理的连接,构成不同功能的电路,可以实现对交流电整流、对调制信号检波、限幅和钳位以及对电源电压的稳压等多种功能。下面将介绍几种二极管的应用电路:
1.简易直流稳压电路
二极管简易稳压电路主要用于一些局部的直流电压供给电路中,主要利用二极管的管压降基本不变特性。由于电路简单,成本低,所以应用比较广泛。
二极管导通后其管压降基本不变,对硅二极管而言这一管压降是0.6V左右,对锗二极管而言是0.2V左右。如图所示是由普通3只二极管构成的简易直流稳压电路。电路中的VD1、VD2和VD3是普通二极管,它们串联起来后构成一个简易直流电压稳压电路。

图:3只普通二极管构成的简易直流稳压电路
2.温度补偿电路
众所周知,PN结导通后有一个约为0.6V(指硅材料PN结)的压降,同时PN结还有一个与温度相关的特性:PN结导通后的压降基本不变,但不是不变,PN结两端的压降随温度升高而略有下降,温度愈高其下降的量愈多,当然PN结两端电压下降量的绝对值对于0.6V而言相当小,利用这一特性可以构成温度补偿电路。如图所示是利用二极管温度特性构成的温度补偿电路。

图:二极管温度补偿电路
3. 控制电路
二极管导通之后,它的正向电阻大小随电流大小变化而有微小改变,正向电流愈大,正向电阻愈小;反之则大。利用二极管正向电流与正向电阻之间的特性,可以构成一些自动控制电路。如图所示是一种由二极管构成的自动控制电路,又称ALC电路(自动电平控制电路),它在磁性录音设备中(如卡座)的录音电路中经常应用。

图:二极管构成的自动控制电路
4.限幅电路
二极管最基本的工作状态是导通和截止两种,利用这一特性可以构成限幅电路。所谓限幅电路就是限制电路中某一点的信号幅度大小,让信号幅度大到一定程度时,不让信号的幅度再增大,当信号的幅度没有达到限制的幅度时,限幅电路不工作,具有这种功能的电路称为限幅电路,利用二极管来完成这一功能的电路称为二极管限幅电路。
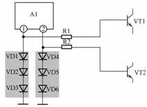
如图所示是二极管限幅电路。在电路中,A1是集成电路(一种常用元器件),VT1和VT2是三极管(一种常用元器件),R1和R2是电阻器,VD1~VD6是二极管。

图:二极管限幅电路
5.开关电路
开关电路是一种常用的功能电路,例如家庭中的照明电路中的开关,各种民用电器中的电源开关等。在开关电路中有两大类的开关:一种是机械式的开关,采用机械式的开关件作为开关电路中的元器件;另一种是电子开关,就是不用机械式的开关件,而是采用二极管、三极管这类器件构成开关电路。
开关二极管同普通的二极管一样,也是一个PN结的结构,不同之处是要求这种二极管的开关特性要好。当给开关二极管加上正向电压时,二极管处于导通状态,相当于开关的通态;当给开关二极管加上反向电压时,二极管处于截止状态,相当于开关的断态。二极管的导通和截止状态完成开与关功能??囟芫褪抢谜庵痔匦?,且通过制造工艺,开关特性更好,即开关速度更快,PN结的结电容更小,导通时的内阻更小,截止时的电阻很大。二极管构成的电子开关电路形式多种多样,如图所示是一种常见的二极管开关电路。

图:二极管开关电路
6.检波电路
如图所示是二极管检波电路。电路中的VD1是检波二极管,C1是高频滤波电容,R1是检波电路的负载电阻,C2是耦合电容。

图:二极管检波电路
检波电路主要由检波二极管VD1构成。在检波电路中,调幅信号加到检波二极管的正极,这时的检波二极管工作原理与整流电路中的整流二极管工作原理基本一样,利用信号的幅度使检波二极管导通,如图9-49所示是调幅波形展开后的示意图。

图:调幅波形时间轴展开示意图
从展开后的调幅信号波形中可以看出,它是一个交流信号,只是信号的幅度在变化。这一信号加到检波二极管正极,正半周信号使二极管导通,负半周信号使二极管截止,这样相当于整流电路工作一样,在检波二极管负载电阻R1上得到正半周信号的包络,即信号的虚线部分,见图中检波电路输出信号波形(不加高频滤波电容时的输出信号波形)。
检波电路输出信号由音频信号、直流成分和高频载波信号三种信号成分组成,详细的电路分析需要根据三种信号情况进行展开。这三种信号中,最重要的是音频信号处理电路的分析和工作原理的理解。
7.?;さ缏?/div>
继电器内部具有线圈的结构,所以它在断电时会产生电压很大的反向电动势,会击穿继电器的驱动三极管,为此要在继电器驱动电路中设置二极管?;さ缏?,以保护继电器驱动管。如图所示是继电器驱动电路中的二极管保护电路,电路中的J1是继电器,VD1是驱动管VT1的?;ざ埽琑1和C1构成继电器内部开关触点的消火花电路。

图:二极管?;さ缏?/div>
本文总结了二极管的七种应用电路,二极管除单向导电特性外,还有许多特性,很多的电路中并不是利用单向导电特性就能分析二极管所构成电路的工作原理,而需要掌握二极管更多的特性才能正确分析这些电路。
电话:18923864027(同微信)
QQ:709211280
〈烜芯微/XXW〉专业制造二极管,三极管,MOS管,桥堆等,20年,工厂直销省20%,上万家电路电器生产企业选用,专业的工程师帮您稳定好每一批产品,如果您有遇到什么需要帮助解决的,可以直接联系下方的联系号码或加QQ/微信,由我们的销售经理给您精准的报价以及产品介绍
- 上一篇:瞬态抑制二极管,瞬态抑制二极管的作用和原理介绍
- 下一篇:二极管的工作原理和特性详解
相关阅读
最新资讯
- 怎么用TVS二极管提高电路的抗突波能力
- PIN二极管的电导调制机制和应用介绍
- 基于双MOS管的防反灌电路工作原理介绍
- 高效率整流二极管的特性和应用介绍
- 详解稳压二极管的关键特性和应用原理
- MOS管选型关键因素分析,怎么选择合适的参数
- 三相整流电路分析,半波整流与全波整流的工作原理
- IGBT三相全桥整流电路工作原理介绍
- 详解快恢复二极管,结构,特性和应用介绍
- 三极管和MOS管组合式开关电路分析
联系烜芯微
咨询热线:
18923864027
传真:
18923864027
QQ:
709211280
地址:
深圳市福田区振中路84号爱华科研楼7层