随着高速功率MOSFET生产技术的迅速发展,MOSFET的工作频率越来越高,驱动方式越来越安全,而且价格也越来越低。因此,近年来市场上大量出现了应用于各种家用电器和工业用报警器的开关功率放大器。与线性功率放大器相比,虽然开关功率放大器 的电路稍微复杂,但它的效率很高,可以减小散热片的大小,甚至可以不使用散热片,因此可大幅地减小产品的体积。在常见的开关功率放大器中,MP7720可在最大工作电压24V的情况下可输出20W功率,TDA7481可在最大工作电压±18V情况下输出18W功率,而STA510可在最大工作电压60V的情况下输出100W功率。这些集成芯片一般在输出部分采用2个或4个N沟道MOSFET驱动,因此其内部电路较复杂,而且其价格也很高。所以应用于专业音响设备时虽不存在任何问题,但是应用于一般的工业用报警器 时却或多或少存在一些问题。
本文采用通用集成芯片TL494把模拟信号转换成PWM(脉宽调制)信号,并在输出部分采用N沟道MOSFET和P沟道MOSFET构成开关功率放大器。TL494广泛应用于半桥式开关电源,它具有工作频率和工作电压高、控制方式多、价格低廉等优点。输出部分在上下两端各自采用N沟道MOSFET和P沟道MOSFET构成独特的驱动方式来驱动,负载的另一侧连接到半桥方式的电容器,因此具有整体电路简单、工作状态稳定、价格低廉等特点,应用于工作频率低于10kHz、功率在15W~50W的工业用报警器时可提高产品的竞争力。
1.TL494介绍
TL494是一种开关电源脉宽调制(PWM)控制芯片。多年来,作为最廉价的双端PWM芯片,TL494在双端拓扑,如推挽和半桥中应用极多。由于其较低的工作频率以及单端的输出端口特性,它常配合功率双极性晶体管(BJT)使用,如用于配合功率MOSFET则需外加电路。TL494工作在7V~40V的宽电压范围内,最大工作频率为200kHz,内部具有锯齿波发生器、PWM发生器和滞后时间调整功能。
2.方案设计
图1是基于TL494的开关功率放大器的框图。电路设计的关键是占空比调节电路、输入信号压缩电路和MOSFET驱动电路。

图1 TL494构成的开关功率放大器框图
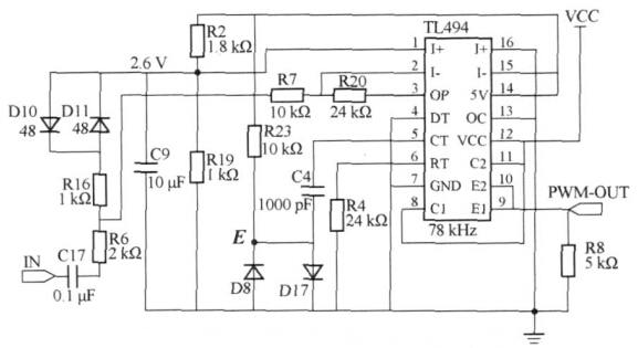
2.1占空比调节电路
占空比是PWM信号调制时提高电压利用率的关键。因为TL494是开关电源用集成芯片,所以在其内部把最小滞后时间设定为0.1V电压。最大占空比在发射级输出时约为96%。图2所示为输入部分和PWM信号调制的部分电路。

图2 信号输入部分和PWM发生器
在图2中,当C4=1000pF,R4=24k时,工作频率约为78kHz。如果没有占空比调节电路D8、D17、R23,则因为内部滞后时间比较器的比较点为0.1V,所以最小导通时间约为1.52μs,最小占空比为D=1.52/13≈12%。因此,PWM时电压利用率将下降。如果使用D8、D17、R23,则会在锯齿波发生用的电容器C4的E点产生0.82V的偏置电压,把锯齿波的起点从原来的0V提高到0.82V。因此导通时间减小到0.64μs,最小占空比减小到D=0.64/13≈4.9%,可明显地提高电压利用率。图3是无占空比调节电路时输出波形,图4是有占空比调节电路时输出波形。

图3 无占空比调节电路时输出波形

图4 有占空比调节电路时输出波形
2.2输入信号压缩电路
因为报警器的输入信号变化范围较大,所以需要将幅度较大的信号按一定比例压缩。在图2中,R6、R16、D10、D11构成输入信号压缩电路,其关键是利用了二极管的输入特性。图5示出其输入特性,其中D10和D11并联,可在正负两个方向压缩信号。

图5 输入信号压缩电路的输出特性
压缩比取决于R6、R16的值,其值越大,压缩比越大。调整R6、R16的值,设定压缩信号的变化范围为-0.82V~0.82V,则变化量是1.64V。见图4,锯齿波电压变化范围是0.82V~3.25V,所以TL494内部误差放大器的输出信号变化范围是2.43V。内部误差放大器的增益取决于R7和R20,调整其值,当压缩信号的变化量在1.64V时,将内部误差放大器的输出信号变化范围设定为2.43V即可。警报器大都使用高音扬声器,因此可大幅度降低振幅较大的低音。
2.3MOSFET驱动电路
P沟道MOSFET采用IRF9540,具有最大工作电压100V、最大工作电流18A、VGS电压5V~15V时饱和等特性。N沟道MOSFET采用IRF540,具有最大工作电压100V、最大工作电流27A、VGS电压5V~15V时饱和等特性。驱动三极管Q3采用NPN型C8050,Q7采用PNP型C8550。这两种驱动三极管都具有最大工作电压30V、最大工作电流1A、VBE为12V的特性。图6为MOSFET驱动电路。

图6 MOSFET驱动电路
图7所示为MOSFET驱动原理波形。当A点的脉冲电压为低时,电流通过稳压二极管D7和三极管Q3的反偏形成VGS电压,QH导通。当A点的脉冲电压为高时,电流通过稳压二极管D9和三极管Q7的反偏形成VGS电压,QL导通。图7示出了详细的驱动波形,其中脉冲电压为低时,其电压低于VL才能使QH导通,脉冲电压为高时,其电压高于VH才能使QL导通。从VL变化到VH需要一定时间,这时会出现QH和QL同时截止的状态,因此,脉冲变化过程很安全。

图7 MOSFET驱动原理波形
QH和QL的VGS由下式决定:

式中:VGS为MOSFET的驱动电压;VC为电源电压;VD为稳压管D7和D9的稳压电压(一般使用相同的稳压管);VBE为C8050和C8550的反击穿电压。
图8是实测的驱动波形。脉冲电压从低到高变化过程中,QH和QL同时截止的时间约为100~300ns。

图8 实测的驱动波形
2.4输出部分工作原理
如图6所示,输出部分由QH、QL和L3、C8、C5、C7构成。输出电压经过L3、C8滤除高频波后传送到负载。一般在输出端采用一个电解电容器,但本电路采用C5和C7构成半桥方式,然后将其中点连接到负载。这种连接方式的优点是两个电容器既为输出信号的传送通路(此时电容值是两个电容的并联值),同时也对电源具有滤波作用(此时电容值是两个电容的串联值),而且把电容器的内压降低一半。
3.实验结果
表1所示为输入电压为35V、工作频率为78kHz时使用不同稳压值的稳压二极管时的静态电流。

从表1可以看出,稳压二极管的稳压值为0V、5V时VL和VH导通点的距离太近,同时导通时间太长,有较大的静态电流,而20V时虽然电流较小,但MOSFET严重发热。从表1可知,工作电压为35V时稳压二极管的选取范围是7.5V~15V。
结语
实验结果表明,把TL494的PWM信号用于N沟道MOSFET和P沟道MOSFET,构成独特驱动方式的开关功率放大器克服了两个功率MOSFET同时导通的缺点,具有理想的驱动波形,效率大于95%,带宽良好且价格低廉,完全满足工业用报警器的要求。而且在18W输出功率下,与TDA7481构成的功率放大器相比,无多大差别,而且基本上没有发热现象,可以去除散热片。若要获得更大输出功率,只需把工作电压提高到35V以上,并配上适当的稳压二极管即可。
电话:18923864027(同微信)
QQ:709211280
〈烜芯微/XXW〉专业制造二极管,三极管,MOS管,桥堆等,20年,工厂直销省20%,上万家电路电器生产企业选用,专业的工程师帮您稳定好每一批产品,如果您有遇到什么需要帮助解决的,可以直接联系下方的联系号码或加QQ/微信,由我们的销售经理给您精准的报价以及产品介绍