正激变换由于拓扑简单,升/ 降压范围宽,广泛应用于中小功率电源变换场合。正激变换器的输出功率不象反激变换器那样受变压器储能的限制,因此输出功率较反激变换器大,但是正激变换器的开关管电压应力高,为两倍输入电压,有时甚至超过两倍输入电压。过高的开关管电压应力成为限制正激变换器容量继续增加的一个关键因素。驱动芯片T L494 是一种价格便宜、驱动能力强、死区时间可控,同时带有两个误差放大器,当负载变化时来进行电压和电流反馈PI调节,这样进一步加强了电源的稳定性。本文介绍了一款基于固定频率脉宽调制控制芯片T L494 的30 W 电源,分析了该电路的结构,给出了具体的电路设计和实验波形。
1.双管正激变换器电路
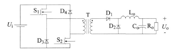
双管正激变换器电路如图1 所示。

图1 双管正激变换器
该主电路拓扑结构有三个优点:
( 1) 克服了单端正激变换器中开关电压应力高的缺点。
( 2) 与全桥变换器和半桥变换器相比,每一个桥臂都是由一个二极管和一个开关管串联组成,不存在桥臂直通的问题,可靠性高。
( 3) 不需要采用特殊的磁通复位技术,避免复杂的去磁绕组的设计和减少高频变压器的体积,使电路变得简洁,也不需要加RCD 来进行复磁箝位,并能对电源进行馈电,提高了效率。
2.TL494特点
TL494是典型的固定频率脉宽调制控制集成电路,它包含了控制开关电源所需的全部功能,可作为双管正激式、半桥式、全桥式开关电源的控制系统。它的工作频率为1~ 300 kHz,输入电压达40 V,输出电流为200 mA,其内部原理图如图2 所示。

图2 TL494内部功能方框图
TL494内部设置了线性锯齿波振荡器,振荡频率f = 1. 1/ ( R C) ,它可由两个外接元件R和C来调节(分别接6 脚和5 脚) 。TL494内设两个误差放大器,可构成电压反馈调节器和电流反馈调节器,分别控制输出电压的稳定和输出过流的?;? 设置了5V1%的电压基准( 14 脚) ,它的死区时间调节输出形式可单端,也可以双端, 一般是作为双端输出类型的脉宽调制PWM,TL494 作为一种PWM控制芯片有如下特点:
(1) 控制信号由IC 外部输入,一路送到死区时间控制端,一路送到两路误差放大器输入端,又称PWM比较器输入端。
(2) 在输出控制13脚接地时,这将使最大占空系数为已知输出的96 %,而在输出控制13 脚接参考电平时,占空比则是给定输出的48 % 。
(3) 脉宽调制比较器、误差放大器能调节输出脉宽,当反馈电压脚3从0.5~3.5V时,输出脉宽从被死区时间控制输入端确定的最大导通时间里下降到零。
(4) 死区时间控制比较器具有120 mV有效输入补偿电压,它限制最小输出死区时间近似等于锯齿波周期时间的4 % 。在死区时间控制端,设置固定电压时( 范围0~ 0. 3V) 就能在输出脉冲上产生附加的死区时间。
3.电源电路
3.1电源主电路
从图3可以看出,电路结构简单,容易实现,并在MOSFET 桥臂增加了霍尔传感器,以保证输出反馈电流环的要求。为了增加电路的通用性,设计的电路板增加了双路输出的功能,只要改变变压器的设计,即可以完成多路输出。当两个主功率开关管截止时,原边绕组的电压极性相反,使另外一桥臂的两个二极管导通,电压被箝位在输入电压值。因此开关管承受的电压与输入电压相同。在输入电压最大值低于350 V时,开关管只需要选择450 V 的耐压值即可。这里我们选用N 沟道MOSFET,IRF830( 4. 5 A/ 500 V) 。

图3 双管正激变换的主电路
3.2直流侧电压采样
图4 是对直流侧输出的电压进行采样,其中光耦选择至关重要。我们选用TLP521,内部是两只光耦集成在一个芯片中,其传输特性几乎完全一致,根据电流相等的原理,这样就能够实现高精度的直流高压隔离采样。

图4 直流侧输出电压隔离采样
由电路图可知输入输出比:

只要合理选择电阻的参数值,就可以把高压侧的输出电压降为需要的采样电压值。
3.3流过主电路开关管的电流采样
图5中4R1接主电路上的霍尔传感器,有效地避免因变压器原边电流过流而可能出现烧坏主电路功率开关管的现象。为此,必须对流过MOSFET 开关管的脉冲电流大小进行采样。当发生过流时,系统应能够快速反应做出相应的保护措施。流过MOFET 脉冲电流经开环霍尔电流传感器转换为电压信号,再经过简单RC 滤波和同相比例放大器得到需要的电流采样值。

图5 来自霍尔传感器电流采样电路
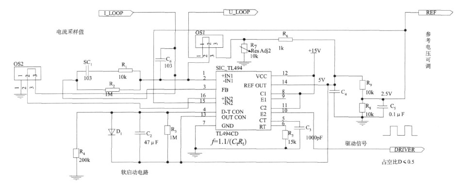
3.4主控制电路
主控芯片电路如图6。T L494的13脚接到高电平,运行在推挽输出模式。10 脚作为驱动信号输出接口,驱动电流可达500 mA。4 脚外围电路是软启动部分。由于T L494 内部放大器15、1 6、3 脚组成的放大器构成了过流?;さ缏罚坏┘觳獾降缌鞴?,则3 脚输出高电平封闭了1、2、3脚组成的放大器。同时,使得PWM 输出占空比减少,保证主电路开关管的安全。

图6 主控芯片电路
反馈电压的PI 调节部分的LM324 内部的一个放大器组成的电压闭环。T L494 的1、2、3 脚组成的内部放大器构成了电流闭环。当输出电压偏高时,经过了电压闭环电路后,ULOOP 变小,经过了电流闭环后,FB 端口电压变大,输出PWM 脉宽变小,输出电压调低。当变压器原边电流增大时,经过了电流闭环后,FB 端口电压变大,输出PWM 脉宽变小,电流值减小,可见构成的双环系统可以稳定的运行。
3.5MOSFET驱动电路
主电路的两个MOSFET 开关管要求同时开通,同时关闭。主控芯片TL494 发出的控制信号,要一分为二来驱动MOSFET。驱动信号经过推挽电路,再经过脉冲变压器可以很方便的得到一对同相位的控制信号。
4.试验波形
通过调压器在供电电源端输入110 V 的交流电压,使得系统稳定的工作在30 V、1 A 的负载下,观察TL494 电源芯片输出的驱动信号波形、MOSFET 开关管Ugs、Uds 、负载正常工作时的波形、以及突然加载、突然掉载情况,其试验波形如图7。

图7 试验波形图
结束语
开关电源最重要的两个部分就是DC-DC 变换器和控制电路。文中通过样机测试表明,该电路实用可靠,工作稳定。其不足之处是在提倡环保技术的今天,没有进行PFC 和软开关技术设计。
电话:18923864027(同微信)
QQ:709211280
〈烜芯微/XXW〉专业制造二极管,三极管,MOS管,桥堆等,20年,工厂直销省20%,上万家电路电器生产企业选用,专业的工程师帮您稳定好每一批产品,如果您有遇到什么需要帮助解决的,可以直接联系下方的联系号码或加QQ/微信,由我们的销售经理给您精准的报价以及产品介绍