74LS48芯片是一种常用的七段数码管译码器驱动器,常用在各种数字电路和单片机系统的显示系统中,本文将介绍74LS48的引脚、真值表、逻辑功能及常用电路等等。
1.74LS48概述
7段显示译码器74LS48是输出高电平有效的译码器,74LS48除了有实现7段显示译码器基本功能的输入(DCBA)和输出(Ya~Yg)端外,7448还引入了灯测试输入端(LT)和动态灭零输入端(RBI),以及既有输入功能又有输出功能的消隐输入/动态灭零输出(BI/RBO)端。

74LS48
2.74LS48引脚图

图1 74LS48的引脚排列

74LS48真值表
4.74LS48逻辑图
图2给出了7448的逻辑图,方框图和符号图。由符号图可以知道,4号管脚端具有输入和输出双重功能。作为输入(BI)低电平时,G21为0,所有字段输出置0,即实现消隐功能。作为输出(RBO),相当于LT,及CT0的与坟系,即LT=1,RBI=0,DCBA=0000时输出低电平,可实现动态灭零功能。3号(LT)端有效低电平时,V20=1,所有字段置1,实现灯测试功能。

图27448的逻辑图,方框图和符号图
5.逻辑功能
由7448真值表可获知7448所具有的逻辑功能:
(1)7段译码功能(LT=1,RBI=1)
在灯测试输入端(LT)和动态灭零输入端(RBI)都接无效电平时,输入DCBA经7448译码,输出高电平有效的7段字符显示器的驱动信号,显示相应字符。除DCBA = 0000外,RBI也可以接低电平,见表1中1~16行。
(2)消隐功能(BI=0)
此时BI/RBO端作为输入端,该端输入低电平信号时,表1倒数第3行,无论LT 和RBI输入什么电平信号,不管输入DCBA为什么状态,输出全为“0”,7段显示器熄灭。该功能主要用于多显示器的动态显示。
(3)灯测试功能(LT = 0)
此时BI/RBO端作为输出端, 端输入低电平信号时,表1最后一行,与 及DCBA输入无关,输出全为“1”,显示器7个字段都点亮。该功能用于7段显示器测试,判别是否有损坏的字段。
(4)动态灭零功能(LT=1,RBI=1)
此时BI/RBO端也作为输出端,LT 端输入高电平信号,RBI 端输入低电平信号,若此时DCBA = 0000,表1倒数第2行,输出全为“0”,显示器熄灭,不显示这个零。DCBA≠0,则对显示无影响。该功能主要用于多个7段显示器同时显示时熄灭高位的零。
6.常用电路图

图3 高低电平控制数码管
74ls48的输入端A B C D是8421码,D是高位,通过A B C D 的高低电平控制数码管的显示,如图3: A是高电平,B C D 是低电平, 表示十进制“1”,因此数码管显示“1”。 千万别把数码管选错了,共阴和共阳极数码管不同。

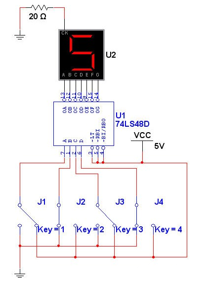
图4 在MulTIsim10中使用74LS48电路
在MulTIsim10中使用74LS48电路见图,??槊挥写砦蟆N耸∈?,直接了一个限流电阻,20Ω,仿真正确工作。如果真实电路,应该在每段加300Ω限流电阻。
电话:18923864027(同微信)
QQ:709211280
〈烜芯微/XXW〉专业制造二极管,三极管,MOS管,桥堆等,20年,工厂直销省20%,上万家电路电器生产企业选用,专业的工程师帮您稳定好每一批产品,如果您有遇到什么需要帮助解决的,可以直接联系下方的联系号码或加QQ/微信,由我们的销售经理给您精准的报价以及产品介绍