目前铁路信号灯主要采用双丝白炽灯作为光源,但因其寿命问题,始终制约着信号灯的发展。随着LED光源的出现,尤其是大功率LED技术的日趋成熟,采用LED作为信号灯光源就逐渐成为一种趋势。而实现LED光源高可靠性的关键技术,则是驱动电源的设计。为此,提出一种基于LM2576和AD8217芯片实现的高精度恒流电源设计方案,具有精度高、稳定性高等特点。
1.硬件设计
高精度恒流电源总体框图如图1所示,主要由降压整流滤波电路、门限电路、开关稳压集成电路和恒流反馈电路4部分组成。

图1 高精度恒流电路总体框图
1.1降压整流滤波电路
采用工频线绕R型变压器进行降压处理,使用桥式整流电路和滤波电容进行整流滤波,输出相对稳定的直流电源。
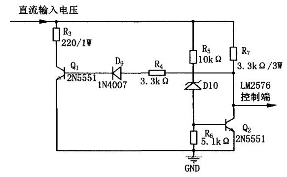
1.2门限电路
为了避免信号灯在异常干扰电压下误触发点灯,设置了启动门限,即必须大于门限电压阈值才可点灯。门限电路原理如图2所示。当输入电压值小于门限值时,Q1导通,Q2截止,此时消感应电阻R3接通,LM2576电源电路关闭,信号灯不会被点亮;当输入电压值大于等于门限值时,Q1截止,Q2导通,消感应电阻R3断开,LM2576电源电路打开,信号灯将会被点亮。

图2 门限电路原理图
1.3开关稳压集成电路
采用以LM2576系列开关稳压集成芯片为核心的开关型电源电路,具有效率高、稳定性好等特点。LM2576是美国国家半导体公司生产的3A电流输出降压开关型集成稳压电路,内含固定频率振荡器(52kHz)和基准稳压器(1.23V),并具有完善的保护电路,包括电流限制及热关断电路等,外围仅需较少器件即可构成高效的恒流稳压电路。采用的LM2576-ADJ可调式稳压芯片,通过控制输入反馈信号实现恒流稳压??匚妊辜傻缏吩砣缤?所示。LM2576控制端口连接门限电路,当满足阈值要求时打开电源;LM2576反馈端口连接恒流反馈电路,输出恒定电流以满足信号灯点灯要求。

图3 开关稳压集成电路原理图
1.4恒流反馈电路
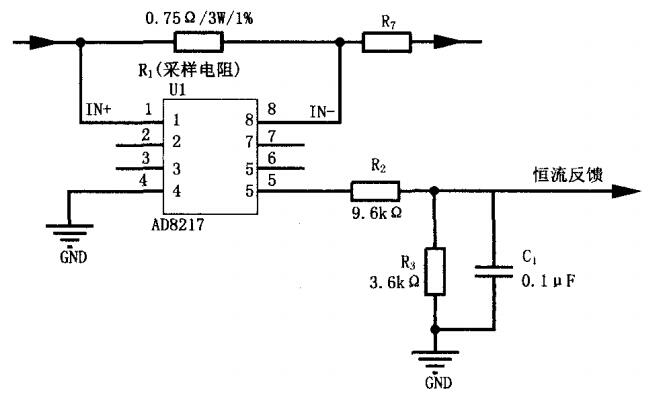
采用以AD8217分流放大器为核心的电路,具有稳定性好的特点。AD8217是一款高压、高分辨率分流放大器,设定增益为20V/V,在-40℃~+125℃宽温度范围内的最大增益误差为±0.35%,缓冲输出电压可以直接与任何典型转换器连接。AD8217可以提供从4.5~80V的共模抑制性能,并内置一个LDO(低压降稳压器),无需电源供电。AD8217芯片引脚输出简单,仅包含同向输入IN+、反向输入IN-、输出OUT和接地GND。
恒流反馈电路原理如图4所示。设定信号灯恒流300mA,点灯回路中采样电阻R1取值0.75Ω,恒流反馈分压电阻R3取值3.6KΩ。LM2576反馈电压输入值为1.23V,根据计算式0.75×0.3×20×3.6/(R2+3.6)=1.23,计算结果R2=9.57≈9.6KΩ,反算恒流值I=300.6mA。

图4 恒流反馈原理图
2.试验
设计的恒流电源能够驱动大功率LED铁路信号灯,分别在低温-40℃、常温+20℃和高温+70~C条件下,进行电流测试。测试结果如表1所示。
结论
本文总结了基于LM2576和AD8217的高精度恒流电源设计方案。经试验结果表明:该恒流电源温漂小,且恒流精度高,能够作为铁路大功率LED信号灯驱动电源,确保信号灯显示稳定可靠。该点式LED信号灯产品已经在济南局试点应用,效果良好,推荐在全路范围内推广使用。
电话:18923864027(同微信)
QQ:709211280
〈烜芯微/XXW〉专业制造二极管,三极管,MOS管,桥堆等,20年,工厂直销省20%,上万家电路电器生产企业选用,专业的工程师帮您稳定好每一批产品,如果您有遇到什么需要帮助解决的,可以直接联系下方的联系号码或加QQ/微信,由我们的销售经理给您精准的报价以及产品介绍