LM339集成块内部装有四个独立的电压比较器,设计用于在通带内存在输入信号时提供饱和的晶体管接地。采用C-14型封装,图1为外型及管脚排列图。由于LM339使用灵活,应用广泛,所以世界上各大IC生产厂、公司竟相推出自己的四比较器,如IR2339、ANI339、SF339等,它们的参数基本一致,可互换使用。

图1 外型及管脚排列图
1.单限比较器电路
图2a给出了一个基本单限比较器。输入信号Uin,即待比较电压,它加到同相输入端,在反相输入端接一个参考电压(门限电平)Ur。当输入电压Uin》Ur时,输出为高电平UOH。图2b为其传输特性。

图2 单限比较器电路图
2.过热检测?;さ缏?/div>
它用单电源供电,1/4LM339的反相输入端加一个固定的参考电压,它的值取决于R1于R2。UR=R2/(R1+R2)*UCC。同相端的电压就等于热敏元件Rt的电压降。当机内温度为设定值以下时,“+”端电压大于“-”端电压,Uo为高电位。当温度上升为设定值以上时,“-”端电压大于“+”端,比较器反转,Uo输出为零电位,使保护电路动作,调节R1的值可以改变门限电压,既设定温度值的大小。

图3 过热检测?;さ缏吠?/div>
3.迟滞比较器
迟滞比较器又可理解为加正反馈的单限比较器。前面介绍的单限比较器,如果输入信号Uin在门限值附近有微小的干扰,则输出电压就会产生相应的抖动(起伏)。在电路中引入正反馈可以克服这一缺点。
图4a给出了一个迟滞比较器,人们所熟悉的“史密特”电路即是有迟滞的比较器。图4b为迟滞比较器的传输特性。

图4 迟滞比较器电路图
不难看出,当输出状态一旦转换后,只要在跳变电压值附近的干扰不超过ΔU之值,输出电压的值就将是稳定的。但随之而来的是分辨率降低。因为对迟滞比较器来说,它不能分辨差别小于ΔU的两个输入电压值。迟滞比较器加有正反馈可以加快比较器的响应速度,这是它的一个优点。除此之外,由于迟滞比较器加的正反馈很强,远比电路中的寄生耦合强得多,故迟滞比较器还可免除由于电路寄生耦合而产生的自激振荡。
4.电压跳变点固定电路
如果需要将一个跳变点固定在某一个参考电压值上,可在正反馈电路中接入一个非线性元件,如晶体二极管,利用二极管的单向导电性,便可实现上述要求。图5为其原理图。

图5 电压跳变点固定电路原理图
5.过电压检测电路
图6为某电磁炉电路中电网过电压检测电路部分。电网电压正常时,1/4LM339的U42.8V,比较器翻转,输出为0V,BG1截止,U5的电压就完全决定于R1与R2的分压值,为2.7V,促使U4更大于U5,这就使翻转后的状态极为稳定,避免了过压点附近由于电网电压很小的波动而引起的不稳定的现象。由于制造了一定的回差(迟滞),在过电压?;ず?,电网电压要降到242-5=237V时,U4《U3,电磁炉才又开始工作。这正是我们所期望的。

图6 某电磁炉电路中电网过电压检测电路部分图
6.双限比较器(窗口比较器)
图7电路由两个LM339组成一个窗口比较器。当被比较的信号电压Uin位于门限电压之间时(UR1<Uin<UR2),输出为高电位(UO=UOH)。当Uin不在门限电位范围之间时,(Uin>UR2或Uin<UR1)输出为低电位(UO=UOL),窗口电压ΔU=UR2-UR1。它可用来判断输入信号电位是否位于指定门限电位之间。

图7 双限比较器电路图
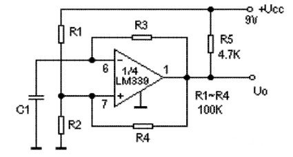
7.用LM339组成振荡器
图8为有1/4LM339组成的音频方波振荡器的电路。改变C1可改变输出方波的频率。本电路中,当C1=0.1uF时。f=53Hz;当C1=0.01uF时,f=530Hz;当C1=0.001uF时,f=5300Hz。
LM339还可以组成高压数字逻辑门电路,并可直接与TTL、CMOS电路接口。

图8 音频方波振荡器电路图
8.电灯双稳态开关电路
电路见图9所示。220V交流电经变压器降压、D1~D4整流、C1滤波后,获得+11V直流电源。本双稳态开关的核心器件是一片LM339(四电压比较器),这里只使用其中的一个电压比较器。接通电源后,+11v电源经继电器线圈和R4使比较器的反向输入端④脚置高电平,调可变电阻RP,使比较器的同向输人端偏置在+3v左右,因④脚电压高于⑤脚电压,比较器输出低电平,三极管vT截止,继电器不工作,电灯L不亮。同时,电容c2不能被充电。这是电路的第一种稳定状态。按一下电灯开关K,④脚经c2接地为置低电平。和⑤脚电压比较后,比较器从第②脚输出高电平,VT饱和导通,继电器得电,其??サ鉐K吸合,电灯L点亮。
因VT饱和导通,其集电极为低电平,经R4反馈又使④脚在开关K跳开后仍能维持在低电平状态,比较器锁定在高电平输出状态,此高电平由第②脚经R1向C2快速充电,C2可充到接近+5v(此电压值可由R3调整),这是电路的第二种稳定状态。当再次按下开关K时,C2的高电平作用于④脚,又使比较器输出低电平,vT截止,继电器失电,电灯L熄灭。同时VT集电极的高电平经R4反馈到④脚,使在开关K跳开后④脚仍能维持在高电平状态,并使比较器锁定在低电平输出。此时电容c2经Rl向②脚快速放电,处于低电平状态,等待K的再次被按下。电路即如此循环工作,使得每按一次K,电灯即亮或熄一次。

图9 LM339用作电灯双稳态开关
元件选择与调试
D1~D5为1N4002,继电器为JZC-21F;IC为LM339,K为轻触开关,RP为22ka可调电阻,C1=220µF,C2=0.01µF,R1=85ka;R2=6.5ka,R3=5.5ka,R4=lka;VT为9013。
本电路需调节RP,使⑤脚电压低于②脚输出的高电平。实际调节时可先将RP向下调小,然后适当上调即可。
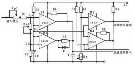
9.综合?;さ缏吠?/div>
除了电子元器件自身特性之外,温度也是影响开关电源可靠性的重要因素之一。电源设备可靠性设计技术统计资料表明,电子元器件温度每升高2℃,可靠性下降 10%;温升50℃时的寿命只有温升25℃时的1/6.为了避免开关电源的元器件因过热造成损坏,在开关电源中设置过热?;さ缏芬彩潜匾?。
输入电压可以由交流电源整流滤波后取得,它表明的是输入开关电源电压的变化。调整Rp2可以调节过压、欠压动作的电压阈值。N1欠为压比较器,当输入电平(Vc《Va)时,比较器输出低电平封锁驱动信号。

图10 过压、欠压、过热?;さ缏吠?/div>
N2为过压比较器,当输入高电平(Vc》Vb)时,比较器输出的也是低电平,因而驱动信号也被封锁。当对比的信号电压Vc位于门限电压之间(Va《Vc《Vb)时,输出高电平,开关电源正常工作。图10所示的电路是利用一个四比较器LM339与几个分立电子元器件构成的过压、欠压、过热保护电路图。
电话:18923864027(同微信)
QQ:709211280
〈烜芯微/XXW〉专业制造二极管,三极管,MOS管,桥堆等,20年,工厂直销省20%,上万家电路电器生产企业选用,专业的工程师帮您稳定好每一批产品,如果您有遇到什么需要帮助解决的,可以直接联系下方的联系号码或加QQ/微信,由我们的销售经理给您精准的报价以及产品介绍
- 上一篇:LM339和LM339N的区别介绍
- 下一篇:基于LM339的测试仪电路设计图解
相关阅读
最新资讯
- 怎么用TVS二极管提高电路的抗突波能力
- PIN二极管的电导调制机制和应用介绍
- 基于双MOS管的防反灌电路工作原理介绍
- 高效率整流二极管的特性和应用介绍
- 详解稳压二极管的关键特性和应用原理
- MOS管选型关键因素分析,怎么选择合适的参数
- 三相整流电路分析,半波整流与全波整流的工作原理
- IGBT三相全桥整流电路工作原理介绍
- 详解快恢复二极管,结构,特性和应用介绍
- 三极管和MOS管组合式开关电路分析
联系烜芯微
咨询热线:
18923864027
传真:
18923864027
QQ:
709211280
地址:
深圳市福田区振中路84号爱华科研楼7层