先看下二极管伏安特性曲线原理
向左转|向右转


第一象限的正向特性:当正向电压从零开始上升,在0.4V之前,二极管的正向电流很小。但从0.7V开始,电流迅速增加。第二象限的反向特性:反向电压一直到达-40V时,反向电流也即反向漏电流近乎为零。说明二极管的正向电压大于0.7V后,其等效电阻很小,这是二极管的正向特性;二极管的反向特性是反向电阻很大。
向左转|向右转


图1中,二极管处于正向接法,它的管压降是0.7V。因此,电阻R上的电压为:那么流过电阻R的电流呢?再来看图2:两只二极管的正极都接到12V,因此两只二极管都属于正向接法。于是,D1二极管的正极应当是6+0.7V=6.7V,D2二极管的正极应当是2+0.7=2.7V。那么电路的输出端电压Usr到底是多少呢?假设Usc=6.7V,于是二极管D2将处于正向接法。又因为二极管D2的压降是0.7V,因此二极管D2的正极将会被强制性地拉到2.7V。如此一来,二极管D1将处于反偏状态,即D1的负极电压比正极电压高。注意:D2导通后,D1的正极变成2.7V,同时D1的负极是6V,因此D1被反向偏置而截止。也就是说,输出电压Usc被强制性地钳位在2.7V。哪个电压低,电路的输出电压就是低电压再加上0.7V。
向左转|向右转


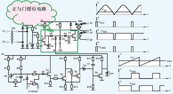
此图是一套用于控制晶闸管触发的电路。按图示我们能看到用正与门构成的钳位电路。三个输入端分别是测控端电压、PID控制和触发脉冲电路。测控端电压电路正常输出是脉动直流,高电平的占空比较大;PID控制输出也是高的电平,而触发脉冲则输出正负交替的高电平脉冲。可见,在正常情况下,与门的输出由触发脉冲来决定,毕竟零电平也是脉冲的一部分??杉?,钳位电路的应用还是很广泛的。再谈谈稳压二极管。上图的测控端电压电路:
向左转|向右转


设变压器的初级电压为380Vac,次级为24Vac,于是经过桥式整流后,其平均电压为0.9X24=21.6V,属于脉动直流。但实际计算时不能这样算,必须用最大值来计算。
我们知道稳压二极管工作在反向击穿区,见第一幅图的第三象限。它的曲线特点是:电流变化很大,但电压变化很小,这就是它的稳压原理。不过要注意:此时二极管处于反向接法,即稳压二极管工作在反向电压下。设,上图中的稳压二极管稳定电压是12V,最大稳定电流是25毫安。我们先把电阻R2开路,来计算R1的值。故R1取值为820欧,功率为0.51W,取标称值1W。此时稳压二极管两端的波形是什么样的?就是波形图中下部的绿色部分。在这里,稳压二极管起到给半波直流波形削头的作用。现在,我们把R2接入,于是流过稳压二极管的电流变小了。但只要流过稳压二极管的电流仍然在它的稳定电流范围之内,则稳压二极管的稳压作用就能维持。设稳压二极管的最小稳定电流为5毫安,则流过R2和R3的电流为25-5=20毫安。故R2+R3的取值为:实际上,我们看到R2+R3的和只要不低于600欧即可,故R2+R3的实际值会大于计算值。具体取值与我们的解答无关,此处忽略。我们看到,晶体管T1的集电极也有一只稳压二极管D2,它的用途同样也是削幅,使得输出到后级的脉冲幅度最高值就等于稳压二极管的稳定电压。
〈烜芯微/XXW〉专业制造二极管,三极管,MOS管,桥堆等20年,工厂直销省20%,上万家电路电器生产企业选用,专业的工程师帮您稳定好每一批产品,如果您有遇到什么需要帮助解决的,可以点击右边的工程师,或者点击销售经理给您精准的报价以及产品介绍
电话:18923864027(同微信)
QQ:709211280〈烜芯微/XXW〉专业制造二极管,三极管,MOS管,桥堆等20年,工厂直销省20%,上万家电路电器生产企业选用,专业的工程师帮您稳定好每一批产品,如果您有遇到什么需要帮助解决的,可以点击右边的工程师,或者点击销售经理给您精准的报价以及产品介绍