开关电源的电路组成
开关电源的主要电路是由输入电磁干扰滤波器(EMI)、整流、滤波电路组成。辅助电路有输入过欠压?;さ缏贰⑹涑龉费贡;さ缏?、输出过流?;さ缏?、输出短路?;さ缏返?。
开关电源的组成??槿缤?所示。

图1 开关电源的组成???/div>
注:PFC即功率因数,主要用来表征电子产品对电能的利用效率。功率因数越高,说明电能的利用效率越高。
PFC包括无源PFC和有源PFC,无源PFC采用电感补偿方法使交流输入的基波电流与电压之间相位差减小来提高功率因数;有源PFC电路中往往采用高集成度的IC。
输入电路的原理及常见电路
1)AC输入整流滤波电路原理

图2 输入滤波、整流回路原理图
①防雷电路:当有雷击,产生高压经电网导入电源时,由MOV1、MOV2、MOV3:F1、F2、F3、FDG1 组成的电路进行?;?。
当加在压敏电阻两端的电压超过其工作电压时,其阻值降低,使高压能量消耗在压敏电阻上,若电流过大,F1、F2、F3 会烧毁?;ず蠹兜缏?。
注:MOV为压敏电阻,也称为突波吸收器是一种具有电压电流对称特性的电压属性电阻器,主要是用来?;に械牡缱硬坊蛟馐芸鼗蛘呃谆饔辗⑺耐徊ㄓ跋?;
F为温度保险丝;FDG为陶瓷气体放电管(也用GDT表示),是一种由陶瓷材料制成的特殊结构的气体放电设备。
②输入滤波电路:C1、L1、C2、C3组成的双 [公式] 型滤波网络主要是对输入电源的电磁噪声及杂波信号进行抑制,防止对电源干扰,同时也防止电源本身产生的高频杂波对电网干扰。
当电源开启瞬间,要对C5充电,由于瞬间电流大,加RT1(热敏电阻)就能有效的防止浪涌电流。
因瞬时能量全消耗在RT1电阻上,一定时间后温度升高后RT1阻值减?。≧T1是负温系数元件),这时消耗的能量非常小,后级电路可正常工作。
③整流滤波电路:交流电压经BRG1整流后,经C5滤波后得到较为纯净的直流电压。若C5容量变小,输出的交流纹波将增大。
2)DC输入滤波电路原理

图3 DC输入滤波电路原理
①输入滤波电路:C1、L1、C2组成的双 [公式] 型滤波网络主要是对输入电源的电磁噪声及杂波信号进行抑制,防止对电源干扰,同时也防止电源本身产生的高频杂波对电网干扰。
C3、C4 为安规电容(指电容器失效后,不会导致电击,不会危及人身安全的安全电容器,通常用于抗干扰电路中的滤波作用),L2、L3为差模电感(一种对差模高频干扰的感抗大的电感)。
② R1、R2、R3、Z1、C6、Q1、Z2、R4、R5、Q2、RT1、C7组成抗浪涌电路。在起机的瞬间,由于 C6的存在Q2不导通,电流经RT1构成回路。当C6上的电压充至Z1的稳压值时Q2导通。
如果C8漏电或后级电路短路现象,在起机的瞬间电流在RT1上产生的压降增大,Q1导通使 Q2没有栅极电压不导通,RT1将会在很短的时间烧毁,以?;ず蠹兜缏?。
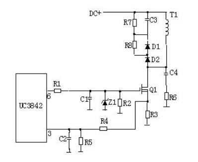
功率变换电路
常见电路

图4 典型原理图
3)工作原理
R4、C3、R5、R6、C4、D1、D2组成缓冲器,和开关MOS管并接,使开关管电压应力减少,EMI减少,不发生二次击穿。
在开关管Q1关断时,变压器的原边线圈易产生尖峰电压和尖峰电流,这些元件组合一起,能很好地吸收尖峰电压和电流。从R3测得的电流峰值信号参与当前工作周波的占空比控制,因此是当前工作周波的电流限制。
当R5上的电压达到1V时,UC3842(一种高性能固定频率电流型控制器,包含误差放大器、PWM比较器、PWM锁存器、振荡器、内部基准电源和欠压锁定等单元)停止工作,开关管Q1立即关断。
R1和Q1中的结电容CGS、CGD一起组成RC网络,电容的充放电直接影响着开关管的开关速度。R1过小,易引起振荡,电磁干扰也会很大;R1过大,会降低开关管的开关速度。Z1通常将MOS管的GS电压限制在18V以下,从而?;ち薓OS管。
Q1的栅极受控电压为锯形波,当其占空比越大时,Q1导通时间越长,变压器所储存的能量也就越多;当Q1截止时,变压器通过D1、D2、R5、R4、C3释放能量,同时也达到了磁场复位的目的,为变压器的下一次存储、传递能量做好了准备。
IC根据输出电压和电流时刻调整着6脚锯形波占空比的大小,从而稳定了整机的输出电流和电压。 C4和R6为尖峰电压吸收回路。
输出整流滤波电路
1、正激式整流电路
开关电源 电路
图5 整流电路
T1为开关变压器,其初极和次极的相位同相。D1为整流二极管,D2为续流二极管,R1、C1、R2、C2为削尖峰电路。L1为续流电感,C4、L2、C5组成π型滤波器。
其中, π型滤波器是一种二级滤波器,作用是去除不需要的谐波,在直流电源中的减小电流的脉动,使电流更加平滑。
图5为正激式整流电路,反激式整流电路的不同在于取消了续流二极管,削尖电路使用假负载代替。
(假负载:一般接在输出电路两端,能够承受一定的功率同时又能满足电路设计要求的负载,不能太大也不能太小,要不然会增加额外的功耗,在空载时由于输出电压不稳定,接入假负载能够使电源稳定,这个假负载除了有负载作用同时还兼有泄放电阻的作用,在断电时候把残留的电放掉)
〈烜芯微/XXW〉专业制造二极管,三极管,MOS管,桥堆等20年,工厂直销省20%,上万家电路电器生产企业选用,专业的工程师帮您稳定好每一批产品,如果您有遇到什么需要帮助解决的,可以点击右边的工程师,或者点击销售经理给您精准的报价以及产品介绍
电话:18923864027(同微信)
QQ:709211280〈烜芯微/XXW〉专业制造二极管,三极管,MOS管,桥堆等20年,工厂直销省20%,上万家电路电器生产企业选用,专业的工程师帮您稳定好每一批产品,如果您有遇到什么需要帮助解决的,可以点击右边的工程师,或者点击销售经理给您精准的报价以及产品介绍
- 上一篇:两种恒流电路的原理与应用分析
- 下一篇:稳压二极管(齐纳二极管)参数详解
相关阅读