一.戴维宁等效电路
各种等效电路暂不赘述,举例笔者在工作中常用的


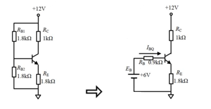
如上图所示,此种在工作最为常见,当评审别人电路时候来算他们三极管导通状态,熟悉经常口算就可以,判断三极管何种状态。
举例:三极管基极独立供电,利用三极管估算法算得


第一步,完成戴维宁等效果后,利用基尔霍夫电压定律,列出方程:
EB=IBQRB+UBEQ+(1+β)IBQRE结得IBQ=(EB-UBEQ)/(RB+(1+β)RE)=29.01UA
第二步,根据放大状态下,晶体管基本电流关系IEQ=(1+β)IBQ=101*29.01=2.901MA
第三步,据欧姆定律,有UEQ=IEQ*RE=2.930*1.8KR=5.274V UCQ=EC-ICO*RC=12-2.901MA*1KR=9.099V
第四步,UCEQ=UCQ-UEQ=9.099-5.274=3.825V,可判断晶体管属于放大状态。
思路:计算三极管静态其实就是通过基极电流,算出集电极和射极的电流,来算出电压,集电极和射极的电势差。
电话:18923864027(同微信)
QQ:709211280
烜芯微专业制造二极管,三极管,MOS管,桥堆等20年,工厂直销省20%,上万家电路电器生产企业选用,专业的工程师帮您稳定好每一批产品,如果您有遇到什么需要帮助解决的,可以点击右边的工程师,或者点击销售经理给您精准的报价以及产品介绍
电话:18923864027(同微信)
QQ:709211280
烜芯微专业制造二极管,三极管,MOS管,桥堆等20年,工厂直销省20%,上万家电路电器生产企业选用,专业的工程师帮您稳定好每一批产品,如果您有遇到什么需要帮助解决的,可以点击右边的工程师,或者点击销售经理给您精准的报价以及产品介绍