肖特基二极管是以其发明人肖特基博士(Schottky)命名的,SBD是肖特基势垒二极管(SchottkyBarrierDiode,缩写成SBD)的简称。SBD不是利用P型半导体与N型半导体接触形成PN结原理制作的,而是利用金属与半导体接触形成的金属-半导体结原理制作的。因此,SBD也称为金属-半导体(接触)二极管或表面势垒二极管,它是一种热载流子二极管。


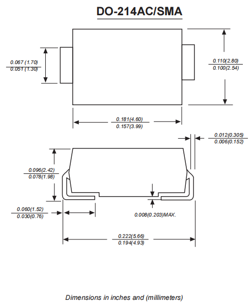
上图是肖特基二极管 SS14 SMA(DO-214AC) 40V,1A,VF=0.55V 1A,肖特基二极管是近年来问世的低功耗、大电流、超高速半导体器件。其反向恢复时间极短(可以小到几纳秒),正向导通压降仅0.4V左右,而整流电流却可达到几千毫安。这些优良特性是快恢复二极管所无法比拟的。中、小功率肖特基整流二极管大多采用封装形式。
肖特基二极管封装


肖特基二极管分为有引线和表面安装(贴片式)两种封装形式,采用有引线式封装的肖特基二极管通常作为高频大电流整流二极管、续流二极管或保护二极管使用。它有单管式和对管(双二极管)式两种封装形式。
肖特基对管又有共阴(两管的负极相连)、共阳(两管的正极相连)和串联(一只二极管的正极接另一只二极管的负极)三种管脚引出方式。
采用表面封装的肖特基二极管有单管型、双管型和三管型等多种封装形式,有A~19种管脚引出方式。
肖特基二极管作用


肖特基(Schottky)二极管,又称肖特基势垒二极管(简称 SBD),它属一种低功耗、超高速半导体器件。最显著的特点为反向恢复时间极短(可以小到几纳秒),正向导通压降仅0.4V左右。其多用作高频、低压、大电流整流二极管、续流二极管、保护二极管,也有用在微波通信等电路中作整流二极管、小信号检波二极管使用。在通信电源、变频器等中比较常见。
一个典型的应用,是在双极型晶体管 BJT 的开关电路里面, 通过在 BJT 上连接 Shockley 二极管来箝位,使得晶体管在导通状态时其实处于很接近截止状态,从而提高晶体管的开关速度。这种方法是 74LS,74ALS,74AS 等典型数字 IC 的 TTL内部电路中使用的技术。
肖特基(Schottky)二极管的最大特点是正向压降 VF 比较小。在同样电流的情况下,它的正向压降要小许多。另外它的恢复时间短。它也有一些缺点:耐压比较低,漏电流稍大些。选用时要全面考虑。
肖特基二极管一般用在电源次级输出整流上面。
作用还是整流,其优势是正向压降低,反向恢复时间快,所以整体损耗会比其他的二极管低很多。
B5819W为集电极电流1A 基极电压40V的贴片肖特基管,1N5819为参数相同的插件式肖特基管,两个管只是封装不同。简单来说就是一个是贴片的 一个是插接件式的。
SBD具有开关频率高和正向压降低等优点,但其反向击穿电压比较低,大多不高于60V,最高仅约100V,以致于限制了其应用范围。像在开关电源(SMPS)和功率因数校正(PFC)电路中功率开关器件的续流二极管、变压器次级用100V以上的高频整流二极管、RCD缓冲器电路中用600V~1.2kV的高速二极管以及PFC升压用600V二极管等,只有使用快速恢复外延二极管(FRED)和超快速恢复二极管(UFRD)。目前UFRD的反向恢复时间Trr也在20ns以上,根本不能满足像空间站等领域用1MHz~3MHz的SMPS需要。即使是硬开关为100kHz的SMPS,由于UFRD的导通损耗和开关损耗均较大,壳温很高,需用较大的散热器,从而使SMPS体积和重量增加,不符合小型化和轻薄化的发展趋势。因此,发展100V以上的高压SBD,一直是人们研究的课题和关注的热点。
SBD的主要优点包括两个方面:
1)由于肖特基势垒高度低于PN结势垒高度,故其正向导通门限电压和正向压降都比PN结二极管低(约低0.2V)。
2)由于SBD是一种多数载流子导电器件,不存在少数载流子寿命和反向恢复问题。SBD的反向恢复时间只是肖特基势垒电容的充、放电时间,完全不同于PN结二极管的反向恢复时间。由于SBD的反向恢复电荷非常少,故开关速度非???,开关损耗也特别小,尤其适合于高频应用。
但是,由于SBD的反向势垒较薄,并且在其表面极易发生击穿,所以反向击穿电压比较低。由于SBD比PN结二极管更容易受热击穿,反向漏电流比PN结二极管大。
烜芯微专业制造二极管,三极管,MOS管,桥堆等20年,工厂直销省20%,上万家电路电器生产企业选用,专业的工程师帮您稳定好每一批产品,如果您有遇到什么需要帮助解决的,可以点击右边的工程师,或者点击销售经理给您精准的报价以及产品介绍
电话:18923864027(同微信)
QQ:709211280烜芯微专业制造二极管,三极管,MOS管,桥堆等20年,工厂直销省20%,上万家电路电器生产企业选用,专业的工程师帮您稳定好每一批产品,如果您有遇到什么需要帮助解决的,可以点击右边的工程师,或者点击销售经理给您精准的报价以及产品介绍