实现扩压电路常用的有三种方法:
1. 固定抬高输出电压
电路如图1所示。如果需要输出电压Uo高于手头现有的稳压块的输出电压时,可使用一只稳压二极管DW将稳压块的公共端电位抬高到稳压管的击穿电压Vz,此时,实际输出电压Uo等于稳压块原输出电压与Vz之和。将普通二极管正向运用来替代DW,同样可起到抬高输出电压的作用。例如,想为自己的录音机装一个6V、500mA的稳压电源,而手头只有一只7805稳压器,则可按图2电路安装。D1选用2CP(IN4001)类硅二极管,其上压降约为0.8V,这样输出就约为5.8V,足以满足录音机的需要了。若将D1换成发光二极管LED,不但能提高输出电压,而且LED发光还起到电源指示作用。


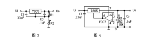
2.输出电压可调电路
利用78**系列固定输出稳压电路,也可以组成电压可调电路,如图3所示。输出电压Uo=Uxx(1+R2/R1),其中Uxx为稳压块标称输出电压。显然,若将R1、R2数值固定,该电路就可用于固定抬高输出电压。如果将R1或R2换成光敏电阻,便可构成光控输出电压关断电路。图4用运放作为电压跟随器,克服了稳压块静态电流Io的影响,输出电压Uo=Uxx(1+R2/R1),其中R1为电位器中心抽头与A点之间的电阻值,R2为电位器中心抽头与B点之间的电阻值。电路中运放亦可用741运放,输出电压从7-30V连续可调。


3.电压极性变换电路
如果需要正电压输出而手头只有79**系列稳压块或需要负电压输出而手头只有78**系列稳压块,这种情况下,可以采用图5、6电路进行极性转换,注意输入电压不是对地而是悬空输入的。
电话:18923864027(同微信)
QQ:709211280
烜芯微专业制造二极管,三极管,MOS管,桥堆等20年,工厂直销省20%,上万家电路电器生产企业选用,专业的工程师帮您稳定好每一批产品,如果您有遇到什么需要帮助解决的,可以点击右边的工程师,或者点击销售经理给您精准的报价以及产品介绍