
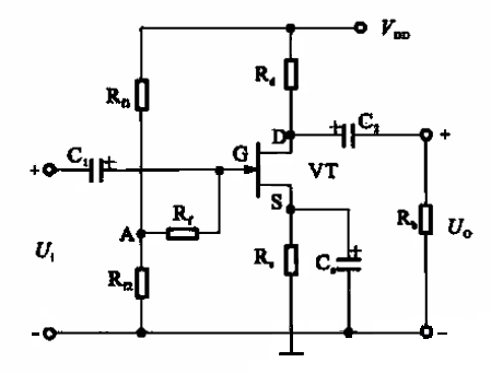
上图所示为分压式自偏压电路又称栅极接正电位偏置电路,它是在自给偏压共源放大电路的基础上,加上分压电阻器R和R蛇构成的。图中,电源UDD、输入耦合电容器cl、输出耦合电容器C2、漏极电阻器轧、源极电阻器Rs、源极旁路电容器C;的作用均与自给偏压共源放大电路相同。Rti和R伫是分压偏置电阻器,Rn与R岔的接点通过大电阻Rf与栅极相连。由于栅极绝缘无电流,所以Rn与R也的分压点A与栅极同电位。由于该电路既有“分压偏置”又有“自给偏置”,所以又称为组台偏置电路。这种偏置电路即可甩于耗尽型场效应管,也可用于增强型场效应管。
烜芯微专业制造二极管,三极管,MOS管,桥堆等20年,工厂直销省20%,上万家电路电器生产企业选用,专业的工程师帮您稳定好每一批产品,如果您有遇到什么需要帮助解决的,可以点击右边的工程师,或者点击销售经理给您精准的报价以及产品介绍