本设计事例使用称为反激式的变压器方式。在这里,将说明反激方式的基本电路和特征。
反激式转换器除了一般的PWM控制外,还有自励型的RCC(Ringing Choke ConVerter)、RCC利用使用共振技术的准谐振型,一共有3种,常使用在100W以下的开关电源上。


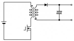
基本电路如图所示,非常简单,只有少数部件所组成。经由开关用晶体管斩波输入电压(DC),之后再透过开关用变压器,将电能传送至二次侧。接着,在二次侧进行整流、平滑,成为需要的DC电压。不过,实际的电路会监控输出,并增加控制开关晶体管的反馈电路、控制电路。
反激式转换器,可组成降压和升压,且同时支持绝缘和非绝缘,优点是确保大输入电压范围,但较大的峰值电流会流过开关元件、二极管和输出电容器,导致必须采用能支持该峰值电流的部件。
构成绝缘电路时,使用光耦合器或三级绕组,隔离二次侧,也就是来自于输出的反馈。视控制IC而定,在无来自于输出的反馈下保持稳定。以下为反激式转换器的特征总结。
反激式转换器的特征
1.可组成降压、升压
2.可组成绝缘、非绝缘
3.构造简单、能以最少的部件数量组成
4.适用于100W左右的开关电源
5.输入电压范围大
6.和正激方式相比,必须加装大容值的电容器
7.输出精度要求不高时,变压器的匝数比决定其输出电压,也可利用作为非稳定输出电
烜芯微专业制造二极管,三极管,MOS管,桥堆等20年,工厂直销省20%,4000家电路电器生产企业选用,专业的工程师帮您稳定好每一批产品,如果您有遇到什么需要帮助解决的,可以点击右边的工程师,或者点击销售经理给您精准的报价以及产品介绍
烜芯微专业制造二极管,三极管,MOS管,桥堆等20年,工厂直销省20%,4000家电路电器生产企业选用,专业的工程师帮您稳定好每一批产品,如果您有遇到什么需要帮助解决的,可以点击右边的工程师,或者点击销售经理给您精准的报价以及产品介绍