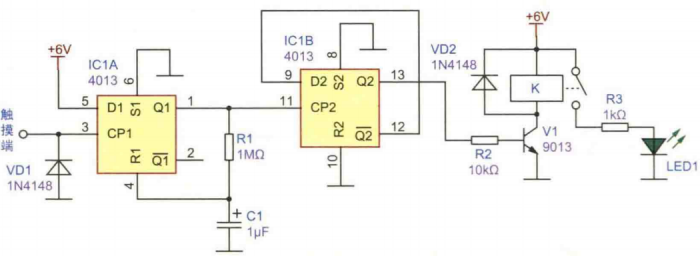
这是一个用4013组成的触摸开关电路,只要用手触摸一次开关即可接通,再触摸一次开关断开。电路原理图见下图所示。


由于CMOS电路的输入端均为场效应管结构,而场效应管是一种电压控制元件,它有极高的输入阻抗,约几十兆欧。它的输入端几乎不消耗电流,因此只要用手触摸,人体产生的微弱感应电压就足可以使电路翻转。
在本电路中,IC1A与R1、C1组成单稳态触发器,用来执行延时和消除触摸时的干扰和抖动。电路输入端第3脚所加的二极管VD1为输入端保护二极管,用来泄放积累的电荷和过高的反向电压。IC1B接成双稳态触发器形式,用来控制继电器K的接通与断开。当用手触摸4013的第3脚时,人体的感应信号送入
ICIA的CP1端,IC1A触发翻转,Q1将输出高电平,该高电平一路送入ICIB的 CP2端,使ICIB触发翻转,Q2(第13脚)输出高电平,经过R2送入V1的基 极,驱动继电器K吸合,LED1点亮,表明开关已经接通。另一路通过电阻Rl 向电容C1充电,由于电容两端电压不能突变,此时IClA的Q1高电平加至R1 端(第4脚),使得ICIA复位,Q1输出恢复为低电平,ICIB的CP端(第11脚) 也为低电平。C1经过一小段时间充满电后,R1(第4脚)恢复为低电平,IC1A 恢复为稳态,等待下次触发。
由于ICIB是双稳态触发器,当ICIA再次被触发时,CP2端(第11脚)将再次输入高电平信号,IC1B再次翻转,Q2(第13脚)将变为低电平,继电器 K断开,LED1熄灭。完成一次开、关转换过程。
烜芯微专业制造二极管,三极管,MOS管,桥堆等20年,工厂直销省20%,4000家电路电器生产企业选用,专业的工程师帮您稳定好每一批产品,如果您有遇到什么需要帮助解决的,可以点击右边的工程师,或者点击销售经理给您精准的报价以及产品介绍
烜芯微专业制造二极管,三极管,MOS管,桥堆等20年,工厂直销省20%,4000家电路电器生产企业选用,专业的工程师帮您稳定好每一批产品,如果您有遇到什么需要帮助解决的,可以点击右边的工程师,或者点击销售经理给您精准的报价以及产品介绍