防雷?;さ缏吩诠ひ档缏钒迳鲜鞘殖<挠τ玫缏?,今天就让我们一探究竟。
端口都进行了防雷?;ど杓?,其中包括220V交流电源防雷设计、以太网防雷?;?、DI输入端口防雷保护、AI输入端口防雷保护、RS232/RS485防雷?;?,下面将对这些防雷保护电路一一进行分析。
1.1.1 220V交流电源防雷?;?/div>
环境动力监控系统中电源采用220V交流电源供电,前端所使用的防雷保护电路详见图1


图1 220V交流电源防雷?;さ缏?/div>
由于采用了复合对称电路与共模、差模全保护,因此L、N可以随便接,安全。即便压敏电阻短路失效后与电路脱离,一般也不会引起火灾。根据实际的使用经验U2最容易遭受雷击损坏,由于压敏电阻本身的老化或承受暂时过电压的多次冲击,压敏电阻的漏电流迅速增加发热导致短路失效。压敏的短路失效将造成整个供电线路的短路故障,并引起着火、爆炸等威胁到人身和财产安全的严重事故。本电路由于采用了金属氧化锌压敏电阻U2,因此能有效地避免传统的氧化锌压敏电阻因短路失效可能带来的火灾等安全隐患。与此同时,如果因为雷击损坏时,其隔离的熔断保险丝将同时熔断,主机CPU可以在LS_Check端检测到相应的信号,从而起到雷击损坏报警功能。
表1 压敏电阻值选择一览表


压敏电阻的压敏电压值可参考表1选取,压敏电压值可以适当选高一点,这样更安全、耐用,故障率低,但残压略高。然后根据通流容量要求选择外形尺寸和封装形式,或采用几个压敏电阻并联,注意应挑选压敏电压值相近的并联,每个压敏电阻都要单独串联温度保险管,以延长使用寿命和确保安全。
陶瓷气体放电管的通流容量根据要求的通流容量选择,直流击穿电压为470V~600V。当要求的通流容量≤3KA时,可以用玻璃放电管代替。
压敏电阻和气体放电管都必须按冲击10次以上的降额值计算通流容量(压敏电阻为一次冲击通流容量的三分之一左右,气体放电管为最大通流容量的一半左右)。
1.1.2 以太网防雷?;?/div>
随着以太网技术在基站和机房监控中的应用,带网口的采集设备越来越多,以前网络设备大都用在机房和大楼的里面,机房和大楼本楼的防雷措施很充分,所以以前的带网口的设备基本没有考虑防雷的问题,至多在网口处加一些瞬态抑制二极管(TVS管)防浪涌,其?;ぶ副旰艿?差模500V,共模1000V),当设备使用在基站中时,因如上述原因,大量网络采集设备在基站中因被雷击而损坏。
面临这种问题,用户的处理策略是在网口外加信号防雷器,以提高设备的防雷性能。但是,外加防雷器有很多不便,例如,需要重新做设备和防雷器直接的连接线,这样连接点从原来的1个,增加为3个,故障率也增加了3倍。同时网口传输的是10M/100M高速信号,而外加防雷器的分布电容很大,对网络信号的传输会有影响,这种方式是以牺牲传输距离和速度来提高设备的防雷效果。
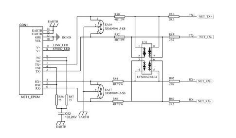
在环境动力监控系统中,提供并采用了一种既能提高防雷效果,防止网络设备因雷击损坏,又不会影响网络传输性能,可以保证网络传输距离和速度的监控采集设备网口防雷电路。详见图2。


图2 以太网口防雷电路
在如图2所示的网口防雷电路中,在网络变压器和网口插座之间增加放电管和双向瞬态电压泄放电路组成的两级防护电路,极大的增强了网口的差模防护能力。第一限流电阻R80、R82、R84、R88和气体放电管EA16、EA17组成了一级防护电路,对雷击的浪涌电压进行第一级?;?,具有泄放雷电暂态过电流和限流过电压作用。一级防护电路可以产生很大的泄放电流(3KA),大部分入侵能量通过地泄放。在此基础上,由U31和R81、R83、R85、R89组成的双向瞬态电压泄放电路组成了二级防护电路,对差分信号进行双向残压吸收,对雷击的浪涌电压进行第二级?;?,剩余能量经过双向瞬态电压泄放电路泄放,到网络变压器的能量就很小了。在两级防护电路的作用下,本电路具有良好的防雷效果,可以防止网络设备因雷击而造成的损坏。
在一级防护电路中,气体放电管的寄生电容很小;在二级防护电路中,采用了由二极管、瞬态电压抑制二极管、二极管串连组成的瞬态电压泄放集成IC,大大降低了二级防护电路中TVS管过大的结电容。所以,本网口防雷电路不会影响网络传输性能,可以保证原来的网络传输距离和传输速度,网络传输距离和网口波形均可满足规范要求,同时具有良好的防雷效果。
在如图2所示的网口防雷电路中,在器件选型方面,为了不影响网络波形和传输性能,第一限流电阻的阻值为欧姆级,在本电路中R80、R82、R84、R88的电阻值为4.7Ω。为了?;ね绫溲蛊鳎植挥跋焱绱湫阅?,第二限流电阻(R81、R83、R85、R89)的阻值可以在0Ω至10Ω之间,最好在2Ω至3Ω之间,在本电路中R81、R83、R85、R89的电阻值为2.2Ω。为了降低电路的体积同时减少分布电容的影响,本电路采用了由二极管、瞬态电压抑制二极管、二极管串连组成的瞬态电压泄放集成IC(UFS08A2.8L04),因UFS08A2.8L04中含有4条由第一二极管、瞬态单向电压抑制二极管、第二二极管依次串联组成的瞬态电压泄放支路,所以每路网口发送信号线的防雷电路和接收信号线的防雷电路可以共用一个UFS08A2.8L04芯片,大大的减小了电路的体积和分布电容的影响。
1.1.3 AI/DI输入端口防雷?;?/div>
在基站环境中由于AI/DI输入端口是通过长距离的线缆与传感器相连,因此AI/DI端口同样存在防雷?;の侍?主要为感应雷),在RMS-500系统中我们采用气体放电管加TVS管组成的两级防护电路,详见图3和图4。


在图3和图4中,我们可以看到AI防雷保护电路与DI防雷?;さ缏反嬖诘那?,在DI防雷保护电路中我们使用了功率电阻R1(7.5Ω/2W),R1应满足R1≥(U1 -U2) /I1,其中U1为测得空气放电管的冲击击穿电压值,U2为TVS管最高钳位电压,I1为查TVS器件手册得到TVS管8/20us冲击电流下的最大通流量。在AI防雷电路中由于需要对4~20mA电流和电压进行测量,因此我们在精度范围内采用电感L1而没有使用电阻,L1应满足L1≥(U1 -U2) × (T2 -T1) / (I1 /2),电感L1的取值计算方法为:以 8/20us 冲击电流为准,测得在设计通流容量下压敏电阻的残压值 U1,查 TVS 器件手册得到 8/20us 冲击电流作用下TVS管的最大通流量I1、以及TVS管最高钳位电压U2,8/20us 冲击电流的视在波头时间T1=8us,视在半峰值时间T 2=20us。
烜芯微专业制造二极管,三极管,MOS管,桥堆等20年,工厂直销省20%,4000家电路电器生产企业选用,专业的工程师帮您稳定好每一批产品,如果您有遇到什么需要帮助解决的,可以点击右边的工程师,或者点击销售经理给您精准的报价以及产品介绍
烜芯微专业制造二极管,三极管,MOS管,桥堆等20年,工厂直销省20%,4000家电路电器生产企业选用,专业的工程师帮您稳定好每一批产品,如果您有遇到什么需要帮助解决的,可以点击右边的工程师,或者点击销售经理给您精准的报价以及产品介绍
- 上一篇:六种简单的开关电源电路原理图解析
- 下一篇:电感是什么-电感基础知识介绍
相关阅读
最新资讯
- 怎么用TVS二极管提高电路的抗突波能力
- PIN二极管的电导调制机制和应用介绍
- 基于双MOS管的防反灌电路工作原理介绍
- 高效率整流二极管的特性和应用介绍
- 详解稳压二极管的关键特性和应用原理
- MOS管选型关键因素分析,怎么选择合适的参数
- 三相整流电路分析,半波整流与全波整流的工作原理
- IGBT三相全桥整流电路工作原理介绍
- 详解快恢复二极管,结构,特性和应用介绍
- 三极管和MOS管组合式开关电路分析
联系烜芯微
咨询热线:
18923864027
传真:
18923864027
QQ:
709211280
地址:
深圳市福田区振中路84号爱华科研楼7层