下表列出了 5V CMOS 的输入电压阈值、 3.3VLVTTL 和 LVCMOS 的输出驱动电压。


从上表看出, 5V CMOS 输入的高、低输入电压阈值均比 3.3V 输出的阈值高约一伏。因此,即使来自 3.3V 系统的输出能够被补偿,留给噪声或元件容差的余地也很小或者没有。我们需要的是能够补偿输出并加大高低输出电压差的电路。


输出电压规范确定后,就已经假定:高输出驱动的是输出和地之间的负载,而低输出驱动的是 3.3V和输出之间的负载。如果高电压阈值的负载实际上是在输出和 3.3V 之间的话,那么输出电压实际上要高得多,因为拉高输出的机制是负载电阻,而不是输出三极管。
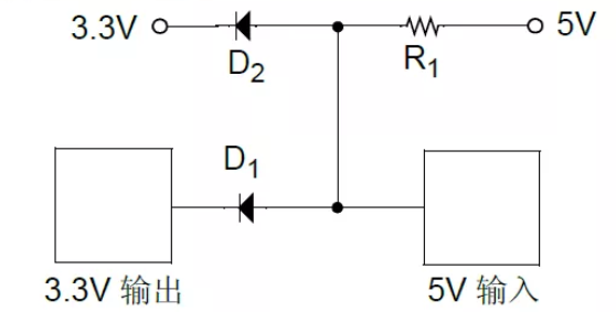
如果我们设计一个二极管补偿电路 (见图 7-1),二极管 D1 的正向电压 (典型值 0.7V)将会使输出低电压上升,在 5V CMOS 输入得到 1.1V 至1.2V 的低电压。它安全地处于 5V CMOS 输入的低输入电压阈值之下。输出高电压由上拉电阻和连至3.3V 电源的二极管 D2 确定。这使得输出高电压大约比 3.3V 电源高 0.7V,也就是 4.0 到 4.1V,很安全地在 5V CMOS 输入阈值 (3.5V)之上。
注: 为了使电路工作正常,上拉电阻必须显著小于 5V CMOS 输入的输入电阻,从而避免由于输入端电阻分压器效应而导致的输出电压下降。上拉电阻还必须足够大,从而确保加载在 3.3V 输出上的电流在器件规范之内。
烜芯微专业制造二极管,三极管,MOS管,桥堆等20年,工厂直销省20%,4000家电路电器生产企业选用,专业的工程师帮您稳定好每一批产品,如果您有遇到什么需要帮助解决的,可以点击右边的工程师,或者点击销售经理给您精准的报价以及产品介绍
烜芯微专业制造二极管,三极管,MOS管,桥堆等20年,工厂直销省20%,4000家电路电器生产企业选用,专业的工程师帮您稳定好每一批产品,如果您有遇到什么需要帮助解决的,可以点击右边的工程师,或者点击销售经理给您精准的报价以及产品介绍