该文讲述了二极管正向浪涌电流测试的基本要求和标准测试方法,针对标准测试方法存在的不足,设计实现了采用信号控制、电容储能和大功率场效应管晶体管电流驱动的电路解决方案,简洁而又高效地实现了二极管正向浪涌电流的测试。
正弦半波脉冲电流的产生
二极管的规格繁多,常见的额定通态电流从数百毫安到数百安培甚至更高,ifsm测试需要的峰值脉冲电流要求达到数十倍的额定通态电流值。标准的测试方法是采用大容量工频变压器,截取市电交流波形来产生时间常数为10ms、导通角为0°~180°的正弦半波脉冲,如图1。


图1 正向浪涌电流测试电路
用这种方法产生几百上千安培的正弦脉冲电流,所用到的变压器体积重量都非常可观,安装与使用十分不便。一些国外公司的产品对浪涌冲击电流波形有特殊要求,比如要求在正向整流电流的基础上再加一个时间常数为10ms或8.3ms、导通角为0°~180°的正弦半波脉冲电流,或者要求施加连续两个时间常数为10ms或8.3ms、导通角为0°~180°的正弦半波脉冲电流等。显然再采用市电截取的方法,已经很难满足不同器件的测试要求了。
设计思路
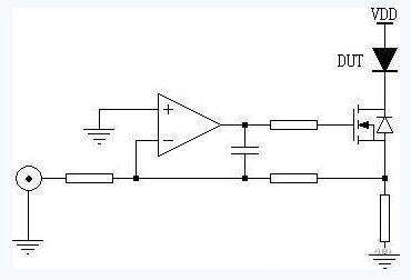
大功率场效应管晶体管是一类标准的电压控制电流器件,在vdmos管的线性工作区内,漏极电流受栅极电压控制:ids=gfs*vgs[2]。给栅极施加所需要的电压波形,在漏极就会输出相应的电流波形。因此,选用大功率vdmos管适合用于实现所需的浪涌电流波形,电路形式如图2所示。


图2 vdmos电流驱动电路
运放组成基本的反向运算电路,驱动vdmos管的栅极,漏源电流通过vdmos管源极取样电阻,加到运放反向输入端,与输入波形相加形成反馈,运放输出电压控制vdmos管的栅极电压vgs,进而控制漏极输出电流ids[3]。这个ids就是施加给待测二极管(dut)的正向浪涌电流。
单只vdmos管的功率和电流放大能力是有限的,无法达到上千安培的输出电流能力,采用多只并联的方式可以解决这个问题,以达到所需要的峰值电流。常见的连接方法如图3所示。


图3 vdmos并联方式
本测试方案采用了成熟的电路控制技术,简洁而有效地实现了各种浪涌冲击测试的要求。使用的都是常规易得的元器件,组建的装置体积小重量轻,可以很方便地安装在普通仪器箱中,成为一件标准测试仪器。具有使用灵活、易操作,测试精准度高,安全可靠等特点。
烜芯微专业制造二极管,三极管,MOS管,桥堆等20年,工厂直销省20%,4000家电路电器生产企业选用,专业的工程师帮您稳定好每一批产品,如果您有遇到什么需要帮助解决的,可以点击右边的工程师,或者点击销售经理给您精准的报价以及产品介绍
烜芯微专业制造二极管,三极管,MOS管,桥堆等20年,工厂直销省20%,4000家电路电器生产企业选用,专业的工程师帮您稳定好每一批产品,如果您有遇到什么需要帮助解决的,可以点击右边的工程师,或者点击销售经理给您精准的报价以及产品介绍