高速光耦常用型号有:
(1)100K bit/S:6N138、6N139、PS8703;
(2)1M bit/S:6N135、6N136、CNW135、CNW136、PS8601、PS8602、PS8701、PS9613、PS9713、CNW4502、HCPL-2503、HCPL-4502、HCPL-2530(双路)、HCPL-2531 (双路);
(3)10M bit/S:6N137、PS9614、PS9714、PS9611、PS9715、HCPL-2601、HCPL-2611、HCPL-2630(双路)、HCPL- 2631(双路)。
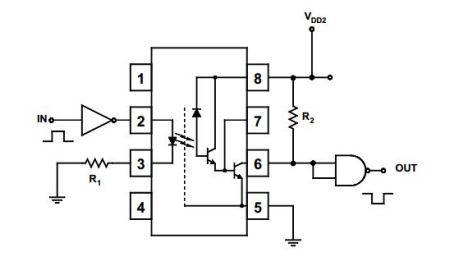
如图例,型号为6N136。

高速光耦与普通光耦的区别:高速光耦的结构是光敏二极管+放大驱动电路,普通光耦的结构是光敏三极管+放大驱动电路。
光敏二极管的响应速度(上升下降时间)是纳秒级,光敏三极管的响应速度(上升下降时间)是微秒级。不是说普通光耦工作在线性区它就能高速,它固有的响应时间也有上限。另外如果普通光耦工作在线性区,那它也会受限截至频率Fc(Cut-off Frequency)这个参数,普通光耦的Fc基本在50KHz左右(测试条件VCC=5v、IC=5ma、RL=100R,RL加大Fc更小,RL=1K时,Fc大约在10KHz左右),像TLP521,Fc约50KHz,PC817,Fc约80KHz,CNY117,Fc约250KHz。

拓展:光耦合器(opticalcoupler equipment,英文缩写为OCEP)亦称光电隔离器或光电耦合器,简称光耦。它是以光为媒介来传输电信号的器件,通常把发光器(红外线发光二极管LED)与受光器(光敏半导体管,光敏电阻)封装在同一管壳内。当输入端加电信号时发光器发出光线,受光器接收光线之后就产生光电流,从输出端流出,从而实现了“电—光—电”控制。以光为媒介把输入端信号耦合到输出端的光电耦合器,由于它具有体积小、寿命长、无触点,抗干扰能力强,输出和输入之间绝缘,单向传输信号等优点,在数字电路上获得广泛的应用。
光电耦合的主要特点如下:
1.输入和输出端之间绝缘,其绝缘电阻一般都大于10000MΩ,耐压一般可超过1kV,有的甚至可以达到10kV以上。
2.由于光接收器只能接受光源的信息,反之不能,所以信号从光源单向传输到光接收器时不会出现反馈现象,其输出信号也不会影响输入端。
3.由于发光器件(砷化镓红外二极管)是阻抗电流驱动性器件,而噪音是一种高内阻微电流电压信号。因此光电耦合器件的共模抑制比很大,所以,光电耦合器件可以很好地抑制干扰并消除噪音。
4.容易和逻辑电路配合。
5.响应速度快。光电耦合器件的时间常数通常在毫秒甚至微秒级。
6.无触点、寿命长、体积小、耐冲击。
烜芯微专业制造二极管,三极管,MOS管,桥堆等20年,工厂直销省20%,4000家电路电器生产企业选用,专业的工程师帮您稳定好每一批产品,如果您有遇到什么需要帮助解决的,可以点击右边的工程师,或者点击销售经理给您精准的报价以及产品介绍
烜芯微专业制造二极管,三极管,MOS管,桥堆等20年,工厂直销省20%,4000家电路电器生产企业选用,专业的工程师帮您稳定好每一批产品,如果您有遇到什么需要帮助解决的,可以点击右边的工程师,或者点击销售经理给您精准的报价以及产品介绍