计时器,是利用特定的原理来测量时间的装置。计时器的种类包括电磁打点计时器、电火花计时器、坚持计时器、停车计时器、反应计时器、放大计时器以及windows计时器等等。电磁打点计时器和电火花打点计时器最为常见。
电磁打点计时器是一种使用交流电源的计时仪器,其工作电压是4-6V,电源的频率是50Hz,它每隔0.02s打一次点。电火花计时器是利用火花放电在纸带上打出小孔而显示出点迹的计时仪器,使用220V交流电压,当频率为50Hz时,它每隔0.02s打一次点,电火花计时器工作时,指导运动所受到的阻力比较小,试验误差比电磁打点计时器的要小。
工作原理
对CLK信号进行“减1计数”。首先CPU把“控制字”,写入“控制寄存器”,把“计数初始值”写入“初值寄存器”,然后, 定时/计数器按控制字要求计数。计数从“计数初始值 开始,每当CLK信号出现一次,计数值减1,当计数值减为0时,从OUT端输出规定的信号(具体形式与工作模式有关)。当CLK信号出现时,计数值是否减1(即是否计数),受到“门控信号”GATE的影响,一般,仅当GATE有效时,才减1.门控信号GATE如何影响计数操作,以及输出端OUT在各种情况下输出的信号形式与定时/计数器的工作模式有关。这里,应该指出如此三点。
803l单片机有2个16位的定时器/计数器:定时器0(T0)和定时器1(T1)。
T0由2个定时寄存器TH0和TL0构成,T1则由TH1和TL1构成,它们都分别映射在特殊功能寄存器中,从而可以通过对特殊功能寄存器中这些寄存器的读写来实现对这两个定时器的操作。作定时器时,每一个机器周期定时寄存器自动加l,所以定时器也可看作是计量机器周期的计数器。由于每个机器周期为12个时钟振荡周期,所以定时的分辨率是时钟振荡频率的1/12。作计数器时,只要在单片机外部引脚T0(或T1)有从1到0电平的负跳变,计数器就自动加1。计数的最高频率一般为振荡频率的l/24。


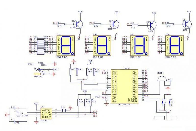
主控MCU
芯片: STC15F204EA-DIP28
性能: 5V 1T单片机,比传统单片机块6 12倍,工作频率5 35MHZ ; 4K程序存储flash,SRAM 256字节,1KEEPROM ; 2个定时器,8路10位ADC转器;内部看i ]狗,高精度内部RC时钟; 26个通用IO口,可工作在4种模式。
时钟芯片
时钟芯片为DS1302 ,外接32.768KHZ晶振,匹配有22Pf电容,走时精准,稳定;带有备用电池,掉电保持时间准确。
1寸超大数码管显示
显示器采用1寸超大高亮数码管显示,可视距离大于10米。驱动方式采用简单实用的85503极管共阳驱动。数码管段选接单片机P2口,位选分别接P3.4 P3.7口.采用光敏电阻采集环境光照度来做亮度调节,可实现无极调光。
输入设备
由于板子大小的关系(大小决定了花钱的多少), 输入按键只设计了2个,一个为功能键,一个为加1键。 按键接口和程序下载接口共用P3.0和P3.1引脚。
温度采集及发声元件
本电路板上还有一个热敏电阻,可以通过单片机的ADC??槎寥∪让舻缱璧淖柚担詈蠡凰阄鼻暗奈露?,实现温度计的功能。最后还加上一个蜂呜器 ,可做整点报时,闹铃响铃,还可做按键提示音等作用。
烜芯微专业制造二极管,三极管,MOS管,桥堆等20年,工厂直销省20%,4000家电路电器生产企业选用,专业的工程师帮您稳定好每一批产品,如果您有遇到什么需要帮助解决的,可以点击右边的工程师,或者点击销售经理给您精准的报价以及产品介绍
烜芯微专业制造二极管,三极管,MOS管,桥堆等20年,工厂直销省20%,4000家电路电器生产企业选用,专业的工程师帮您稳定好每一批产品,如果您有遇到什么需要帮助解决的,可以点击右边的工程师,或者点击销售经理给您精准的报价以及产品介绍