我们现在生活在一个以数字方式主导的世界,随着人们尝试更多地以自动方式控制日常生活的方方面面,未来还会沿着这个方向进一步迈进。过去,多数控制系统在很大程度上都是通过模拟方式,而当今的系统则主要依靠广泛使用的低成本微控制器来提供灵活、且易于更新的系统级控制功能。
您可能会认为模拟设计的时代已经过去,但现实情况却不是这样,实际上正好相反,为了更接近于真实,控制系统必须依靠几乎总是模拟信号的传感器输入。尽管业界也存在数字传感器,但它们通常包含模拟传感器、信号调理和模数转换器(ADC)等子系统,因此基本上仍以模拟为基础。因此,需要正确处理低频模拟信号并将其提供给 ADC,将其转换为数字域以进行后续处理,这种能力是许多设计工程师的一项关键要求,尤其是对于那些开发物联网(IoT)节点等基于传感器应用的工程师。
模拟信号链
典型的模拟信号链通常由信号源(通常为某种形式的传感器设备)、缓冲、滤波、放大以及 ADC 组成。在将信号以高保真度转换为数字域之前,所有这些主动元件,包括其他相关的被动组件,都在信号保持方面起着重要作用。
设计过程首先要从幅度和对噪声的敏感性来判断源信号的性质,大多数传感器输出一个直流电压,其与测量的参数成比例,这些可以是光、温度、压力或其他物理参数。通常,传感器只会产生一个相对较弱的信号,而且很容易会受到噪声影响,并有可能破坏测量结果。因此,应将一个伴随电路(如基于运算放大器的简单非反相放大器)放置在尽可能靠近传感器的位置。由于任何长度的走线都会或多或少充当天线作用,并可能拾取有害的环境噪声,因而尽可能接近传感器非常重要。如果某些应用必须要使用较长的走线,则必须对其进行屏蔽。
这种电路的增益由电阻的比率决定,因此,电阻值的任何差异都会对电路的增益和信号链中传输的信号幅度产生影响。在某些情况下,这可能不是主要问题,但如果成为必须要关注的问题,则需要采用公差要求严格的电阻。例如,为了提高精度,可以使用 Maxim MAX5491LC 等具有匹配电阻的器件,它们每个都在 SOT23 封装内部包含两个电阻,具有非常高的匹配度(0.035%),并且在 -40°C~+ 85°C 工作温度范围内具有 2ppm /°C 的低漂移。


图 1:基于运算放大器的非反相放大器。
图 1 所示的简易单运算放大器电路可作为理想的缓冲器,特别是用于将来自远端的传感器信号沿长信号线传输。虽然它的配置和使用都很简单,但是为了获得小信号准确放大所需的高精度,需要考虑运算放大器的许多性能方面。
从理论上讲,如果运算放大器的两个输入都处于相同的电位,则输出应为零。实际上,情况并非如此,输出端会存在一个很小的差值电压,称为输入失调电压(offset voltage)。如果运算放大器需要消耗太多功率才能运行,也会影响非常弱的传感器信号(例如物联网应用中非电池供电传感器产生的信号)。设计人员应在传感器信号缓冲范围内考虑运算放大器的输入阻抗(通常在 M 级别,因此无需过多考虑)和输入偏置电流(运算放大器工作所需的电流)。
为了克服单个运算放大器的局限性,精密放大器通常把匹配的一对运算放大器组合在同一个封装中。下面的电路配置通常采用双运算放大器,例如 ADA4522 系列。


图 2:双运算放大器电路可以克服单运算放大器中容易出现的一些固有误差。
上述电路经过优化,可与任何小信号传感器配合使用,能够提供具有零漂移的低噪声解决方案。它的输入偏置电流仅为 50pA,输入失调电压为 0.7V。对高阻抗信号的任何影响都可忽略不计,从而可以精确放大来自任何传感器类型的信号。通过为每个输入配置专用的运算放大器,电路的输入阻抗由共模输入阻抗决定,其值约为 100GΩ。由于运算放大器包含在同一封装内部,因此从根本上消除了任何误差或失调,从而简化了设计高精度解决方案的工作负担。
另一个双运算放大器是德州仪器(TI)提供的高精度 OPA2156,该款下一代器件具有极低的失调电压,最大为 200V,5pA 的低偏置电流,以及 3V/C 的低漂移,所有这些特性能够确保提供具备非常低噪声和高精度的解决方案。这种独特的器件具有许多出众的功能,包括能够在电源轨之间摆动输入和输出,具有高带宽(25MHz)和高转换率(40V/s),非常适合快速运动的传感应用。它采用 8 引脚 SOIC 封装,能够在 -40°C~+ 125°C 的整个工业温度范围内工作。


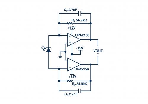
图 3:差分光电二极管放大器的应用示例。
某些传感器具有不同类型的输出,可以相应地使用运算放大器不同的配置以正确放大其输出。图 3 所示为一个电流范围 0A~90A 的光电二极管应用示例,其设计输出范围为 -5V~+5V。通过将一个电容器整合到反馈环路,可以构建一个滤波器,而不需要额外的分立滤波元件。在此示例中,采用了一个 2.7pF 电容器以提供 1MHz 的截止频率,从而消除了不必要的高频噪声。在信号链的模拟部分之后是 ADC,它将模拟信号转换为数字域,以进一步通过 DSP 处理或数据存储。在努力解决了信号缓冲、滤波以及放大的麻烦之后,为应用选择正确的 ADC 则更加重要。
数据转换注意事项
ADC 是相对复杂的子系统,因此,必须综合考虑许多参数,以确保能够满足系统总体设计目标。任何 ADC 都包括四个主要参数:分辨率、速度、精度和噪声。分辨率通?;嵊胱既沸韵嗷煜匾氖切枞鲜兜搅秸呤峭耆煌牟问?。
分辨率是指为每次采样或转换生成的位数,它定义了可以转换的最小信号以及可在输出端产生明显变化的最小增量信号。精度则定义为输出与相应输入的保真程度,并包括 ADC 本身的任何失调或非线性。通常,提高分辨率也会提高转换器的精度。
在视频处理等应用中,速度是一个很大的问题,因为通常要求以至少两倍于源信号最高频率的速度进行转换。在传感应用中,尤其是那些测量物理参数(例如温度)的应用,速度却几乎不是需要关注的问题。
所有 ADC 都会生成某种形式的量化噪声,这是转换过程不可避免的副产物。例如,如果输入是纯正弦波,则输出将是由一系列小步长构成的正弦波,这种非线性被称为量化噪声。增大分辨率将有助于减低系统中的量化噪声。
考虑了影响信号完整性的参数后,设计人员需要查看其他设备参数,包括主机系统的数字接口和可用通道的数量,以及系统 / 应用所需的任何其他特定功能。德州仪器的 ADS1219 是一款高精度 24 位 ADC,其输入可以配置为四个多路复用单端输入或一对差分输入,能够为设计人员提供极高的灵活性。该器件仅需最少量的外部元件,其板载缓冲级(buffer stage)可直接连接到高阻抗源。它还有一个可编程增益级,用于进一步的信号调理。 ADS1219 采用 16 引脚 WQFN 或 TSSOP 封装,内置双线 I2C 兼容接口,允许将数据以高达 1Mbps 的速度传输到主机系统。
结论
模拟设计仍然是我们当今世界中非常重要的一部分。为了最大程度地利用持续提供的准确和可靠传感数据,需要构建和保持强大的模拟信号链。首先要充分了解传感器的特性,尤其是其输出信号。模拟信号链会始终包括运算放大器和分立元件以及数据转换组件。尽管设计工程师会竭尽全力地确保选择合适的主动元器件,但必须也要同样考虑能够决定系统性能的被动元件。
烜芯微专业制造二极管,三极管,MOS管,桥堆等20年,工厂直销省20%,4000家电路电器生产企业选用,专业的工程师帮您稳定好每一批产品,如果您有遇到什么需要帮助解决的,可以点击右边的工程师,或者点击销售经理给您精准的报价以及产品介绍
烜芯微专业制造二极管,三极管,MOS管,桥堆等20年,工厂直销省20%,4000家电路电器生产企业选用,专业的工程师帮您稳定好每一批产品,如果您有遇到什么需要帮助解决的,可以点击右边的工程师,或者点击销售经理给您精准的报价以及产品介绍