湿敏电阻是利用湿敏材料吸收空气中的水分而导致本身电阻值发生变化这一原理而制成的。工业上流行的湿敏电阻主要有氯化锂湿敏电阻,有机高分子膜湿敏电阻。工业上流行的湿敏电阻主要有:
1、半导体陶瓷湿敏元件;
2、氯化锂湿敏电阻;
3、有机高分子膜湿敏电阻 。


湿敏电阻的特点是在基片上覆盖一层用感湿材料制成的膜,当空气中的水蒸气吸附在感湿膜上时,元件的电阻率和电阻值都发生变化,利用这一特性即可测量湿度 。湿敏电容一般是用高分子薄膜电容制成的,常用的高分子材料有聚苯乙烯、聚酰亚胺、酪酸醋酸纤维等。当环境湿度发生改变时,湿敏电容的介电常数发生变化,使其电容量也发生变化,其电容变化量与相对湿度成正比 。


湿敏电阻的工作原理:
湿敏电阻式传感器主要由感湿层3、电极4和具有一定机械强度的绝缘基片2组成,如图1所示。感湿层在吸收了环境中的水分后引起两电极间电阻值的变化,这样就将相对湿度的变化转换成电阻值的变化。


湿敏电阻结构示意图
湿敏电阻只能用交流的,直流会导致湿敏失效,因为直流的电场会导致高分子材料中的带电粒子偏向两极,一定时间以后湿敏电阻就会失效。所以必须用交流维持其动态平衡,这也是为什么测湿敏电阻阻值要用电桥而不能用普通万用表的原因。
水分子是极性分子,在直流电场中会分解为H2及O2,影响测量,并且在湿度传感器中存在导电离子,在高湿情况下,如采用直流电会漂移,造成电导率漂移,影响传感器的使用寿命??刹捎肦C充放电,计时方式,有些芯片有RFC功能,亦可使用,或用IC直接产生1KHZ方波,叠加在采样电阻与湿度传感器之上,通过AD,在正周期内测量分压亦可?;虿捎媚D獾缏?,通过对数运算进行R/V转换,再AD采样。


湿敏电阻的应用:
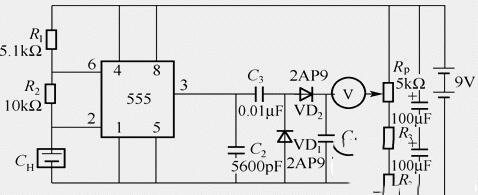
湿敏电阻器广泛应用于洗衣机、空调器、录像机、微波炉等家用电器及工业、农业等方面作湿度检测、湿度控制用。如图所示,是湿度检测器电路原理图。


湿度检测器电路原理图
图2所示电路中,由555时基电路、湿度传感器CH等组成多谐振荡器,在振荡器的输出端接有电容器C2,它将多谐振荡器输出的方波信号变为三角波。当相对湿度变化时,湿度传感器CH的电容量将随着改变,它将使多谐振荡器输出的频率及三角波的幅度都发生相应的变化,输出的信号经VD1,VD2整流和C4滤波后,可从电压表上直接读出与相对湿度相应的指数来。Rp电位器用于仪器的调零。
氯化锂湿敏电阻
多片电阻组合式氯化锂湿敏传感器是利用湿敏元件的电气特性(如电阻值),随湿度的变化而变化的原理进行湿度测量的传感器,湿敏元件一般是在绝缘物上浸渍吸湿性物质,或者通过蒸发、涂覆等工艺制各一层金属、半导体、高分子薄膜和粉末状颗粒而制作的,在湿敏元件的吸湿和脱湿过程中,水分子分解出的离子H+的传导状态发生变化,从而使元件的电阻值随湿度而变化。
氯化锂湿度传感器具有稳定性、耐温性和使用寿命长多项重要的优点,氯化锂湿敏传感器已有了五十年以上的生产和研究的历史,有着多种多样的产品型式和制作方法,都应用了氯化锂感湿液具备的各种优点尤其是稳定性最强,氯化锂湿敏器件属于电解质感湿性材料,在众多的感湿材料之中,首先被人们所注意并应用于**湿敏器件,氯化锂电解质感湿液依据当量电导随着溶液浓度的增加而下降。电解质溶解于水中降低水面上的水蒸气压的原理而实现感湿。
氯化锂感湿基片的结构为选用绝缘材料的衬底,在上方制作一对金属电极,涂覆一层电解质溶液感湿膜,氯化锂是典型的离子晶体,属于非亲合型电解质,氯化锂溶液中,Li+对极性水分子的吸引力极强,离子水分程度最高。氯化锂感湿膜由氯化锂和聚乙烯醇混合制作,其主要特性:
(1) 是可在120度高温环境中稳定工作,这一点是其他高分子电容是湿度传感器不可比拟的;
(2)氯化锂湿敏元件线性测湿量程较窄大约在20%RH左右,在该测量范围内,其线性误差小于2%RH。所以,在全范围湿度测量环境中要想达到高精度的湿度测量,目前普遍采用的单片湿敏元件测量方法就很难实现了。
有机高分子膜湿敏电阻
湿敏电阻的特点是在基片上覆盖一层用感湿材料制成的膜,当空气中的水蒸气吸附在感湿膜上时,元件的电阻率和电阻值都发生变化,利用这一特性即可测量湿度。湿敏电容一般是用高分子薄膜电容制成的,常用的高分子材料有聚苯乙烯、聚酰亚胺、酪酸醋酸纤维等。当环境湿度发生改变时,湿敏电容的介电常数发生变化,使其电容量也发生变化,其电容变化量与相对湿度成正比。
电子式湿敏传感器的准确度可达2-3%RH,这比干湿球测湿精度高。湿敏元件的线性度及抗污染性差,在检测环境湿度时,湿敏元件要长期暴露在待测环境中,很容易被污染而影响其测量精度及长期稳定性。这方面没有干湿球测湿方法好。
烜芯微专业制造二极管,三极管,MOS管,桥堆等20年,工厂直销省20%,4000家电路电器生产企业选用,专业的工程师帮您稳定好每一批产品,如果您有遇到什么需要帮助解决的,可以点击右边的工程师,或者点击销售经理给您精准的报价以及产品介绍
烜芯微专业制造二极管,三极管,MOS管,桥堆等20年,工厂直销省20%,4000家电路电器生产企业选用,专业的工程师帮您稳定好每一批产品,如果您有遇到什么需要帮助解决的,可以点击右边的工程师,或者点击销售经理给您精准的报价以及产品介绍