NTC被称为负温度系数热敏电阻,是由Mn-Co-Ni的氧化物充分混合后烧结而成的陶瓷材料制备而来,它在实现小型化的同时,还具有电阻值-温度特性波动小、对各种温度变化响应快的特点,可被用来做高灵敏度、高精度的温度传感器,在电子电路当中也经常被用作实时的温度监控及温度补偿等。随着本体的温度升高,NTC的电阻阻值会呈非线性的下降,这个是NTC的特性。为了更好地利用该特点,在应用前我们需要清楚地了解NTC的基本参数,本文将对此做出讨论,希望在实际的电路设计中对电子研发工程师有一些帮助。
电阻-温度特性
NTC热敏电阻的电阻-温度特性曲线如下图:


通常我们用以下几个参数来定义该曲线:
R25:25℃时NTC本体的电阻值
B值:材料常数,是用来表示NTC在工作温度范围内阻值随温度变化幅度的参数,与材料的成分和烧结工艺有关。另外NTC的B值会受温度变化的影响,因此通常我们会选取曲线上两个温度点来计算。表示B值时要把选取的温度点标明,如B25/85。B值越大表明阻值随温度的升高降低得越快,B值越小则相反。如下图:


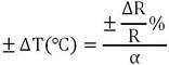
ɑ值:所谓电阻温度系数(α),是指在任意温度下温度变化1°C时的零负载电阻变化率。电阻温度系数(α)与B值的关系,可用下式表示:


这里α前的负号(-),表示当温度上升时零负载电阻降低。
以上三个参数是我们在选择NTC时应该初步了解的参数,下面我们对其他参数也做一些介绍。
散热系数
散热系数(δ)是指在热平衡状态下,热敏电阻元件通过自身发热使其温度上升1°C时所需的功率。
在热平衡状态下,热敏电阻的温度T1、环境温度T2及消耗功率P之间关系如下式所示。


规格中的数值一般为25°C静止空气条件下测定的典型值。
最大功率
在额定环境温度下,可连续负载运行的功率最大值,也称“额定功率”。
通常是以25°C为额定环境温度、由下式计算出的值。
额定功率=散热系数×(最高使用温度-25°C)
对应环境温度变化的热响应时间常数
指在零负载状态下,当热敏电阻的环境温度发生急剧变化时,热敏电阻元件产生最初温度与最终温度两者温度差的63.2%的温度变化所需的时间。热敏电阻的环境温度从T1变为T2时,经过时间t与热敏电阻的温度T之间存在以下关系。


常数τ称为热响应时间常数。
上式中,若令t=τ时,则(T-T1)/(T2-T1)=0.632。
换言之,如上面的定义所述,热敏电阻产生初始温度差63.2%的温度变化所需的时间即为热响应时间常数。
经过时间与热敏电阻温度变化率的关系如下表所示。




通常为下列测定条件下的典型值。静止空气中环境温度从25°C至85°C变化时,热敏电阻的温度变化至62.9°C所需时间。另外应注意,散热系数、热响应时间常数随环境温度、组装条件而变化。
NTC的阻值公差及相应的温度公差
NTC的阻值公差在不同温度下是不一样的,如下面的计算公式,不同温度下阻值公差受常温下阻值R25公差和B值公差影响。阻值的变化如下面的曲线所示:




当NTC用来做温度检测时,通常我们需要了解NTC可以支持的温度公差,这样我们就需要进行转换,用阻值公差除以ɑ温度系数,公式如下:


NTC的R-T表
NTC的R-T表是电子工程师在设计电路时必须要得到的信息,表格是通过公式计算出来的,所以温度间隔可以自由设定,鉴于NTC检测温度的精度,通常温度间隔设为1°C。例如下表:


NTC在电路中的应用
在深入了解了NTC的基本参数后,我们再来简单看看如何在电路中使用NTC。
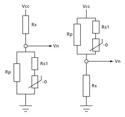
当NTC用来做温度检测,监控或者补偿时,通常需要串联一个电阻,阻值的选择可根据需要重点检测的温度区域和流过的电流大小来决定,一般情况下会串联一个和NTC常温电阻值一样的电阻,并且保证流过的电流要足够小以免产生自热,影响检测精度。检测到的信号是NTC电阻上的分压,如果希望得到分压与温度的曲线更加线性,可以采用下面的电路。


通过调整Rs和Rp就可以获得更加线性的曲线,如下图:


NTC在使用中需要注意的事项如下
1.一定要加合适的串联电阻,不然NTC使用的时候会发生热崩溃,因为电流流过NTC会发热,如果热量不能及时耗散掉,NTC的温度会升高,然后阻值下降,这时电流会显著增加,NTC会变得更热,这样循环最终可能导致NTC被烧毁,甚至起火。
2.NTC的端部电极通常由Ag组成,在使用不当时会发生银迁移,导致NTC短路。使用中要避免NTC接触到水。
3.焊接时的高温会造成NTC不可逆的阻值漂移,一些情况下可能会造成5%的漂移,所以尽量避免高温焊接。
4.NTCSMD是由陶瓷构成,安装时可能会造成断裂,如下图:


贴片NTC的结构及比较
贴片NTC是目前市场上最常用的NTC封装方式,由于生产工艺不同,其主流产品的结构主要分为以下三种。
1.厚膜贴片型,结构如下:


用厚膜工艺+烧结而成。
2.叠层贴片型,结构如下:
先制备陶瓷薄片,然后叠加在一起,工艺与MLCC类似,带有内部电极。
3.实心陶瓷贴片型,结构如下:


工艺十分古老,陶瓷烧结成砖型,然后做精密的机械切割,最后做电极。


下面我们把三种产品做一个简单的性能比较,如下表:
厚膜工艺的贴片NTC是较新的工艺技术,但它在反应速度,长期的稳定性,可靠性方面的表现都优于其他结构的产品,另外在价格上也十分具有优势,未来的应用中可能会成为主流的应用方案。
烜芯微专业制造二极管,三极管,MOS管,桥堆等20年,工厂直销省20%,4000家电路电器生产企业选用,专业的工程师帮您稳定好每一批产品,如果您有遇到什么需要帮助解决的,可以点击右边的工程师,或者点击销售经理给您精准的报价以及产品介绍
烜芯微专业制造二极管,三极管,MOS管,桥堆等20年,工厂直销省20%,4000家电路电器生产企业选用,专业的工程师帮您稳定好每一批产品,如果您有遇到什么需要帮助解决的,可以点击右边的工程师,或者点击销售经理给您精准的报价以及产品介绍