LM324系列器件带有真差动输入的四运算放大器
1.LM324 中文资料

与单电源应用场合的标准运算放大器相比,它们有一些显著优点。该四放大器可以工作在低到 3.0 伏或者高到 32 伏的电源下,静态电流为 MC1741 的静态电流的五分之一。共模输入范围包括负电源,因而消除了在许多应用场合中采用外部偏置元件的必要性。
2.引脚图及功能

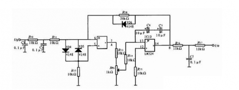
3.工作原理

给定积分器电路由电压比较电路 Ug'、C5 积分电路和反馈电路组成。给定电压经滤波,再经过由 R10、R11、C6 组成的无源迟后校正网络抗干扰后作用于由 IC1B、R11、Rp6 组成的缓冲器上,进行缓冲,调节 Rp6 可改变积分常数(积分时间),然后经由 IC1D、C7、C8 等原件组成的积分器输出,最后再次经校正网络输出 C02 电压。
当 Ug'≤0 时,UA=-15 V。由于二极管 VD6 的作用,U02=UUg'+0.7V,调节范围为 -9.7~+9.7V。
当 Ug'≥0 时,UA=+15 V。由于反馈电阻 R18 的作用,U02=Ug',调节范围为 -10~0V。
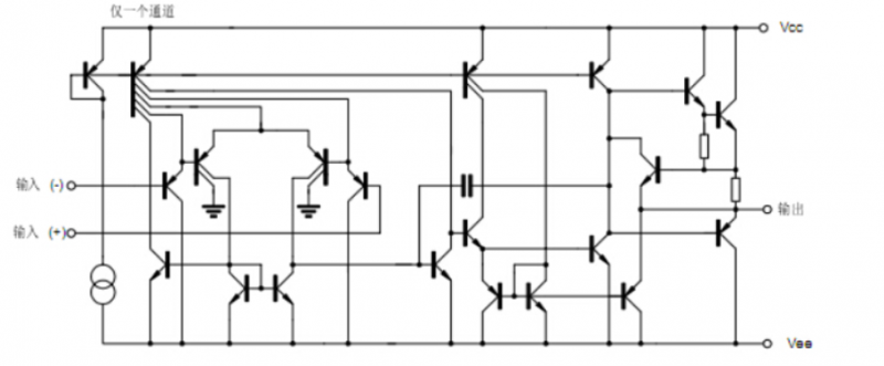
4.内部结构

5.作用和用途
对讲机
电池管理解决方案
传感器放大器
求和放大器
多谐振荡器
振荡器
直流增益???/div>
比较器(环路控制和调节)
换能放大器
滤波电路,电压跟随器
积分器,微分器,求和器,加法器等
烜芯微专业制造二极管,三极管,MOS管,桥堆等20年,工厂直销省20%,4000家电路电器生产企业选用,专业的工程师帮您稳定好每一批产品,如果您有遇到什么需要帮助解决的,可以点击右边的工程师,或者点击销售经理给您精准的报价以及产品介绍
烜芯微专业制造二极管,三极管,MOS管,桥堆等20年,工厂直销省20%,4000家电路电器生产企业选用,专业的工程师帮您稳定好每一批产品,如果您有遇到什么需要帮助解决的,可以点击右边的工程师,或者点击销售经理给您精准的报价以及产品介绍
- 上一篇:热敏电阻器的工作原理-热敏电阻器的作用介绍
- 下一篇:电压电流转换电路的作用介绍
相关阅读