BISS0001是一款具有较高性能的传感信号处理集成电路,它配以热释电红外传感器和少量外接元器件构成被动式的热释电红外开关,可以自动快速开启灯、蜂鸣器、自动门等装置。
1.biss0001中文资料

热释电红外传感器biss0001是一种新型敏感元件、它是由高热电系数材料,配以滤光镜片和阻抗匹配用场效应管组成。它能以非接触方式检测出来自人体发出的红外辐射,将其转化成电信号输出,并可有效抑制人体辐射波长以外的干扰辐射。如阳光、灯光及其反射灯。
2.biss0001引脚图和功能

pin1:触发端,高电平时触发、pin2:控制信号输出端、pin3:输出延迟时间调节端1、pin4:输出延迟时间调节端2、pin5:触发封锁时间端口1、pin6:触发封锁时间端口2、pin7:负电源端、pin8:参考电压端
pin9:触发禁止端、pin10:运放电流偏置端、pin11:正电源、pin12:二级运放输出端、pin13:二级运放输入端、pin14:一级运放输入端、pin15:一级运放输出端、pin16:输出端
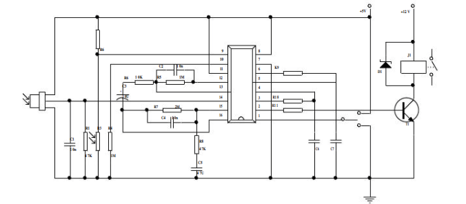
3.biss0001应用电路图

例中BISS 0001的运算放大器OP1作为热释电红外传感器的前置放大,由C3耦全给运算放大器OP2进行第二级放大。再经由电压比较器COP1和COP2构)成的双向鉴幅器处理后,检出有效触发信号去启动延迟时间定时器。输出信号经晶体管T1、驱动继电器去接通负载。R3为光敏电阻,用来检测环境照明度。当作为照明控制时,若环境较明亮,R3的电阻值会降低,使9脚输入为低电平而封锁触发信号,节省照明用电。若应用于其他方面,则可用遮光物将其罩住而不受环境影响。SW1是工作方式选择开关,当SW1与1端连通时,红外开关处于可重复触发工作方式;当SW1与2端连通时,红外开关则处于不可重复触发工作方式。
烜芯微专业制造二极管,三极管,MOS管,桥堆等20年,工厂直销省20%,4000家电路电器生产企业选用,专业的工程师帮您稳定好每一批产品,如果您有遇到什么需要帮助解决的,可以点击右边的工程师,或者点击销售经理给您精准的报价以及产品介绍
烜芯微专业制造二极管,三极管,MOS管,桥堆等20年,工厂直销省20%,4000家电路电器生产企业选用,专业的工程师帮您稳定好每一批产品,如果您有遇到什么需要帮助解决的,可以点击右边的工程师,或者点击销售经理给您精准的报价以及产品介绍