采用RC选频网络构成的振荡电路称为RC振荡电路,它适用于低频振荡,一般用于产生1Hz~1MHz的低频信号。
1.RC振荡电路原理图
RC振荡电路由放大电路、选频网络、正反馈网络,稳幅环节四部分构成。主要优点是结构简单,经济方便。根据RC选频网络的不同形式,可以将RC振荡电路分为RC超前(或滞后)相移振荡电路和文氏电路振荡电路。
对于RC振荡电路来说,增大电阻R即可降低振荡频率,而增大电阻是无需增加成本的。
常用LC振荡电路产生的正弦波频率较高,若要产生频率较低的正弦振荡,势必要求振荡回路要有较大的电感和电容,这样不但元件体积大、笨重、安装不便,而且制造困难、成本高。因此,200kHz以下的正弦振荡电路,一般采用振荡频率较低的RC振荡电路。

2.RC振荡电路频率计算公式
RC移相式振荡器是采用超前移相或滞后移相电路作为选频网络,与反相放大器构成的振荡器。具有电路简单,经济方便等优点,但选频作用较差,振幅不够稳定,频率调节不便,因此一般用于频率固定、稳定性要求不高的场合。其振荡频率为:f_0=1/(2π√6 RC)

3.RC振荡电路起振条件
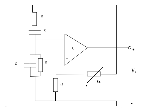
输出电压 uo经正反?。嫜∑担┩绶盅购?,取uf作为同相比例电路的输入信号ui。
(1)起振过程
刚接通电源时,电路中存在各种电扰动,经过选频网络通过反馈产生比较大的反馈电压。通过线性放大和反馈的不停循环,振荡电压就会不断增大。
(2)振荡频率
振荡频率由相位平衡条件决定。φ_A=0,仅在f_0处φ_f=0满足相位平衡条件,所以振荡频率为:f_0=1/(2πRC),改变R、C可改变振荡频率,RC振荡电路的振荡频率一般在200KHz以下。
(3)起振及稳定振荡的条件
考虑到起振条件A_F>1, 一般应选取R_t略大2R_1。如果这个比值取得过大,会引起振荡波形严重失真。
由运放构成的RC串并联正弦波振荡电路不是靠运放内部的晶体管进入非线性区稳幅,而是通过在外部引入负反馈来达到稳幅的目的。
(4)稳辐环节
振荡幅度的增长过程不可能永无止境的延续下去,当放大器逐渐由放大区进入饱和区或截止区。工作于非线性状态,其增益逐渐下降,当放大器增益下降导致环路增益下降为1,振幅增长过程将停止,振荡器达到平衡。

烜芯微专业制造二极管,三极管,MOS管,桥堆等20年,工厂直销省20%,4000家电路电器生产企业选用,专业的工程师帮您稳定好每一批产品,如果您有遇到什么需要帮助解决的,可以点击右边的工程师,或者点击销售经理给您精准的报价以及产品介绍