指针式和光点式检流计的外临界电阻较大,内阻较大,在电路中的损耗较大,而且在通电线圈中的电流发生变化时,线圈做阻尼运动,达到稳定位置需要一定的时间,检流计响应速度较慢,因而不能检测到瞬时变化的电流和回路要求损耗较小的瞬时电流(例如LC振荡电流),也不适于测量回路电阻较小的瞬时电路电流。通常万用表只可测量交流电流的有效值和直流电流大小。因此检流计和万用表都不能满足测量和观察瞬时变化电流的需要。本设计利用短路电流放大器的原理对检测电流进行1:1放大后,可结合附属电路借助发光二极管定性地检测瞬变电流的大小和变化方向。
1 原理与实现
1.1 短路电流放大器
借助集成运放电路转换速率高,输入基极电流和漂移电流小,漂移电压温度系数小的特点,利用短路电流放大器的原理对待检测电流进行1:1放大,展宽信号的内阻大小要求范围,提高了检测的灵敏度,实现瞬间变化电流的检测。图1所示为一反相输入比例运算放大器电路,输入信号Vi经过电阻R1接到集成运放的反相输入端∑,而同相输入端∑经过电阻R2接地。输出电压VO经反馈电阻RF接回到反相输入端,形成一深度的电压负反馈。在实际应用中为了保证运放的2个输入端处于平衡的工作状态,避免输入偏流产生附加的差动输入电压,应使反相输入端与同相输入端对地的电阻相等。在图1中应使R2=R1∥RF。由于理想运放的L=L=0,所以R2上无压降,VO=0,再由理想运放的V+=V-,所以V-=0,得Vi=Ii×R1,所以反相输入放大电路的等效输入电阻r1=V/Ii=Ii×R1/Ii=R1。若使R1=0,则放大器输入电阻即为零,根据平衡电阻的取值要求R2=R1∥RF,则R2=0,这就构成了一个短路电流放大器,电流输入的阻抗为零,输出的电压VO的大小随输入的电流线性变化。如图1所示,因为V∑∑=0,相当于信号源外电路短路,但实际并不断路,∑,∑之间电阻极大,又因为∑点对地电阻达到几兆欧,所以信号源的输出电流只能经RF和IC形成回路,即VO=IORF。


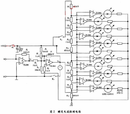
2 检测电路工作原理
瞬变电流检测仪电路原理如图2所示。选用TL084结型场效应管输入运算放大器,其中的每一个运算放大器在单块集成电路上使用了高电压结型场效应管和双极性管,兼容了更好的匹配性,具有转换速率高,输入基极电流和输入漂移电流小,漂移电压温度系数低的特点。集成运放A与R1成短路电流放大器,B与R2~R6、W1构成一个反相加法器,,对运放A的输出电压V1起放大作用,其中R3,R4与W1构成电路,如果输入i=0时,运放B的输出电压VO≠0,则可移动多圈电位器W1的活动触头使VO=0,实际上,W1相当于指针式检流计调零旋钮的作用。运放B的电压放大倍数AV=-R6/R2=-40。R7~R17串联分压产生10个基准电压,各集成运放接成电压比较器,并与电阻、发光二极管组成电平指示电路。当有输入电流i,运放A的输出电压V1=-i?R1,该电压被由B与R2~R6、W1构成的放大电路放大后与电压比较器的参考电压相比较,通过发光二极管组成电平指示电路来同步反映端子a,b间流过电流的相对大小、方向及变化规律。运放C~G构成的5个电压比较器,其反相输入端分别接基准电压1.918 9 V,1.465 8 V,1.012 7 V,0.559 6 V,0.106 5 V,同相输入端都接放大器B的输出VO,用于正向电流(即从a端流人,b端流出)的比较显示。另5个电压比较器的同相输入端分别接基准电压,-0.106 5 V,-0.559 6 V,-1.012 7 V,-1.465 8 V,-1.918 9 V,反相输入端都接放大器的输出VO,用于负向电流(即从b端流入,a端流出)的比较显示。

烜芯微专业制造二极管,三极管,MOS管,桥堆等20年,工厂直销省20%,4000家电路电器生产企业选用,专业的工程师帮您稳定好每一批产品,如果您有遇到什么需要帮助解决的,可以点击右边的工程师,或者点击销售经理给您精准的报价以及产品介绍