纹波噪声是衡量电源的一个重要指标,但有多少人知道纹波和噪声其实是两个性能指标,降低纹波和噪声的方法是有一定区别的,本文将与大家一起探索如何降低纹波和噪声。
一、纹波和噪声是如何产生的
如下图 1 所示,蓝线框内的是纹波,而蓝线框外的是噪声,纹波和噪声虽然都体现在一个波形上,但所属不同的部分。
纹波的产生是由于开关电源在向输出端传递不连续能量而引起的波动,该波动的频率为开关管的频率,幅值的大小与设计时的电流纹波率及输出滤波电容有关。而噪声的产生主要是开关管在导通或关端瞬间,由其电路中或器件上寄生的电感与电容引起的振铃现象,噪声放大以后频率较高,幅值也较大。


图 1
二、如何减小纹波
纹波的产生是由开关传递断续的能量引起的,从开关电源的内部设计来着手,可以提高开关管的频率,使每次传递的能量减小从而减小纹波,也可以增大传递能量的电感值 L,使电流的突变峰值降低,从而减小纹波的波动幅度。
从??橥獠浚绕涫窃诳突Ф?,可以增加输出滤波电容来减小纹波,但不能无限加大电容,因为大多数开关电源??橛凶畲笕菪愿涸叵拗?。
三、如何减小噪声
1、电源 PCB 走线和布局
输出滤波电容放置及走线对噪声至关重要,如图 2 所示,传统设计中由于到达每个电容的阻抗不一样,所以高频电流在三个电容中分配不均匀,改进设计中可以看出每个回路长度相当即高频电流会均匀分配到每个电容中,电流的输入输出路径一定要先经过电容,且布板的铺铜尽量向电容两极收敛。


图 2
如果 PCB 是多层板,可以选择和主电流回路层最近一层覆地,覆地可以有效的解决噪声问题,注意,尽量保证覆地的完整性。
2、电路吸收噪声
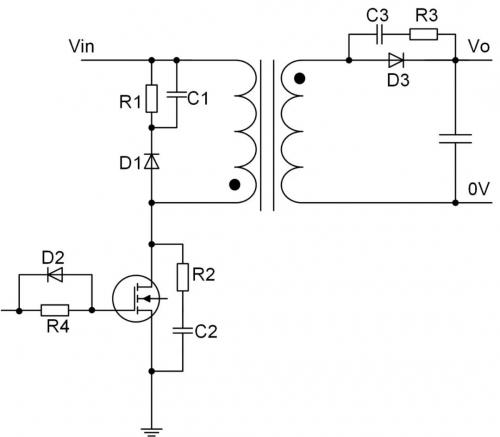
增加 RCD 吸收开关管关断时产生的电压尖峰,来减小耦合到输出端的噪声。一般选择场效应管的反向恢复时间要比二极管 D1 慢 2~3 倍,以避免形成直通电流,此电流会产生很强的磁场,会增大输出噪声,所以可通过栅极电阻 R4 来减慢开关管的导通速度。为了不影响关断速度可以在栅极电阻并联一个二极管 D2 如图 3 所示。


图 3
可以在场效应管 DS 两端并联一个 RC 电路也可以有效的降低噪声如图 3 所示,电容 C2 一般在 100PF~300PF 左右,电容值过大会导致场效应管的开关损耗加大,电阻 R2 一般选取小于 10Ω电阻。
二极管在高速导通和关断时,反向恢复期间,二极管的寄生电感和电容会产生高频振荡,为了抑制高频振荡可在二极管两端加 RC 缓冲电路如图 3 所示,电阻 R3 一般在 1Ω~100Ω,电容 C3 一般在 100pF~1nF,如果电源工作频率较低,效率满足要求的话,二极管 D3 可以选择反向恢复时间较慢的二极管。
3、变压器设计减小噪声
变压器的绕组通过高频电流时,变压器将变成有效的磁场天线,变压器绕组又承受跳跃电压,即变压器也变成了电场天线,在初次级之间加法拉第屏蔽层可收集隔离边界处的噪声电流,并予以转移到原边地,但铜箔应为非常薄的铜箔带,尽量避免涡流损耗并减小漏感,注意,铜屏蔽层末端不应有连接,否则会形成磁短路。
采用三明治绕法可使初次级绕组耦合更加紧密,使漏感得以减小,从而到达减小噪声的目的,也可以用六面屏蔽金属外壳减小对外的噪声干扰。
总结
在设计电源时,有上述一些方法可降低输出的纹波噪声,当然不是全部方法;如果选用成品电源,不管是模块电源、普通开关电源、电源适配器等,这部分的工作一般都由电源设计厂家完成,客户只需关注规格书写明的输出纹波噪声即可。如 ZLG 致远电子的??榈缭矗岜瓿龅湫偷奈撇ㄔ肷?,如 E_UHBDD-10W 系列,典型值为 150mV VP-P。

烜芯微专业制造二极管,三极管,MOS管,桥堆等20年,工厂直销省20%,4000家电路电器生产企业选用,专业的工程师帮您稳定好每一批产品,如果您有遇到什么需要帮助解决的,可以点击右边的工程师,或者点击销售经理给您精准的报价以及产品介绍

烜芯微专业制造二极管,三极管,MOS管,桥堆等20年,工厂直销省20%,4000家电路电器生产企业选用,专业的工程师帮您稳定好每一批产品,如果您有遇到什么需要帮助解决的,可以点击右边的工程师,或者点击销售经理给您精准的报价以及产品介绍