放大电路是一种能量转换器,它不可能创造能量。晶体三极管是用基极电流的微小变化控制集电极电流发生较大的变化,电子管与场效应管是用栅极电压的微小变化控制屏极电流发生较大的变化,因此,场效应管与电子管是电压控制器件,而晶体管是电流控制器件。
放大电路是一种能量转换器,它不可能创造能量。晶体三极管是用基极电流的微小变化控制集电极电流发生较大的变化,电子管与场效应管是用栅极电压的微小变化控制屏极电流发生较大的变化,因此,场效应管与电子管是电压控制器件,而晶体管是电流控制器件。
放大电路不像放大镜一样,直接放大被观看的文字或物体。放大电路将交流信号叠加在直流信号之上,由交流信号的变化,引起直流信号的变化,再通过负载电阻,将直流信号的变化转化为交流信号的变化。放大电路中的晶体三极管就是起这种转换作用,由基极电流微小的变化控制集电极电流较大的变化,相当于放大了基极电流。
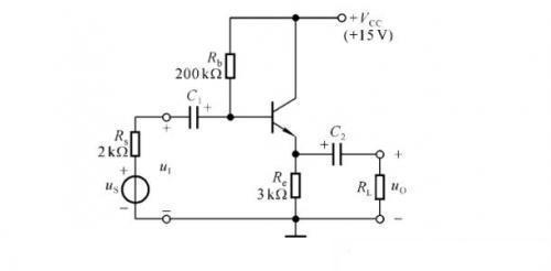
在放大器中既有直流成分,又有交流成分,为了分析电路方便,常将直流成分所通过的路径称为直流通路,而将交流信号所通过的路径称为交流通路。因电容具有隔直流通交流的作用,在画直流等效电路时,应将电容器视为开路,其他不变。


在分析直流通路时,一定要从电源的正极回到电源的负极,形成一个闭合通路;在画交流等效电路时,电容器应视为短路,直流电源因其两端电压不会变化,无交流压降产生,也视为短路,其他不变。在分析交流通路时,不必每一级重复分析,而是要掌握整个信号从何外来,经过哪些元器件,发生了哪些变化,最终到达何处。
放大电路通常具有静态和动态两种工作状态。静态是指输入信号为零时,直流电源给三极管的各个电极提供一个合适的直流工作电压,使三极管工作在放大区,也就是说三极管放大的外部条件是发射结正偏,集电结反偏。动态是指在放大电路的输入端加上输入信号后,主要分析放大电路对信号的放大能力。
因此在分析放大电路时,先静态后动态,即先分析静态直流通路,看晶体管、电子管、场效应管的工作电压是否正常,在静态工作点正常后,再分析动态交流通路。而交流通路与直流通路是共存于同一电路之中,它们既互相联系,又互相区别。交流信号电压是叠加在直流工作电压之上,而且电路的交流性能又受到 直流工作点的影响和制约。如果直流偏置电压不稳定,或有故障,则交流通路会受到影响而出现故障。
在负反馈电路中出现输出信号幅度增大,失真故障现象的主要原因是,放大电路中负反馈元件损坏,负反馈作用消失,使放大器的增益变大,导致输出信号幅度增大。此时应重点检查电路中的负反馈元件是否出现开路、虚焊、电阻变值等现象。如果输出信号出现失真,说明放大器已工作在非线性区(饱和或截 止状态),应重点测量放大器的工作点电压,苏业缏分械牡缱枋欠裾常、放大管的参数是否发生变化。
烜芯微专业制造二极管,三极管,MOS管,桥堆等20年,工厂直销省20%,4000家电路电器生产企业选用,专业的工程师帮您稳定好每一批产品,如果您有遇到什么需要帮助解决的,可以点击右边的工程师,或者点击销售经理给您精准的报价以及产品介绍
烜芯微专业制造二极管,三极管,MOS管,桥堆等20年,工厂直销省20%,4000家电路电器生产企业选用,专业的工程师帮您稳定好每一批产品,如果您有遇到什么需要帮助解决的,可以点击右边的工程师,或者点击销售经理给您精准的报价以及产品介绍