三端稳压管工作原理
三端稳压管分固定稳压和可变稳压2种。
一、三端固定稳压管工作原理
1、三端固定稳压IC有正输出(78系列)和负输出(79系列)两种类型。
2、78系列原理图:


3、工作原理:上图与一般分立件组成的串联调整式稳压电源十分相似,不同的是增加了启动电路,恒流源以及保护电路,为了使稳压器能在比较大的电压变化范围内正常工作,在基准电压形成和误差放大部分设置了恒流源电路,启动电路的作用就是为恒流源建立工作点。Rsc是过流?;と⊙缱鑂A、RB组成电压取样电路实际路是由一个电阻网络构成,在输出电压不同的稳压器中,采用不同的串、并联接法,形成不同的分压比。通过误差放大之后去控制调整管的工作状态,以形成和稳定一系列预定的输出电压,因此在图中将RA画成可变电阻形式。
79系列稳压器也是一种串联调整式稳压电源,但它的调整管处于共射工作状态,属集电极输出型稳压电路,其工作原理与78系列类似。
二、三端可变稳压管工作原理
1、作为输出电压可变的集成三端稳压管也有正输出和负输出两种类型。
2、以三端稳压管LM317为例原理图:


3、工作原理:LM317的输出电压(也就是稳压电源的输出电压)U0为两个电压之和,即A、B两点之间的电压和加在R2上的电压,而IR2实际上是两路电流之和,UR1为恒定电压1.25V,R1是一个固定电阻,所以,IR1是一个恒定的电流。另一路是LM317调整端流出的电流ID,LM317稳定工作时,它的值基本上恒定。调节R2,则,UR2=R*IR2是随R2变化的,可见,输出电压可以通过R2调节。另外,LM317内含?;すδ?、工作稳定可靠等。
三端可调输出稳压管品种繁多有正输出系列的也有对应的负输出系列的,工作原理类似。
三端集成稳压器的典型应用
⑴固定输出连接


在使用时必须注意:(VI)和(Vo)之间的关系,以W7805为例,该三端稳压器的固定输出电压是5V,而输入电压至少大于8V,这样输入/输出之间有3V的压差。使调整管保证工作在放大区。但压差取得大时,又会增加集成块的功耗,所以,两者应兼顾,即既保证在最大负载电流时调整管不进入饱和,又不致于功耗偏大。
⑵固定双组输出连接


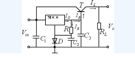
⑶扩大输出电流连接


二极管D以低消T管VBE压降而设置,扩大的输出电流为:,原输出电流是Io,现可以近似扩大β倍。
三端稳压管接线说明


输出电流小于或等于1A.
三端稳压管是一种直到临界反向击穿电压前都具有很高电阻的半导体器件。稳压管在反向击穿时,在一定的电流范围内(或者说在一定功率损耗范围内),端电压几乎不变,表现出稳压特性,因而广泛应用于稳压电源与限幅电路之中。
因为固定三端稳压器属于串联型稳压电路,因此它的原理等同于串联型稳压电路。
其中R1、Rp、R2组成的分压器是取样电路,从输出端取出部分电压UB2作为取样电压加至三极管T2的基极。稳压管Dz以其稳定电压Uz作为基准电压,加在T2的发射极上。R3是稳压管的限流电阻。三极管T2组成比较放大电路,它将取样电压UB2与基准电压Uz加以比较和放大,再去控制三极管T1的基极电位。输入电压Ui加在三极管T1与负载RL相串联的电路上,因此,改变T1集电极间的电压降UCE1便可调节RL两端的电压Uo。也就是说,稳压电路的输出电压Uo可以通过三极管T1加以调节,所以T1称为调整管。由于调整元件是晶体管管,而且在电路中与负载相串联,故称为晶体管串联型稳压电路。电阻R4和T1的基极偏置电阻,也是T2的集电极负载电阻。
当电网电压降低或负载电阻减小而使输出端电压有所下降时,其取样电压UB2相应减小,T2基极电位下降。但因T2发射极电位既稳压管的稳定Uz保持不变,所以发射极电压UBE2减小,导致T2集电极电流减小而集电极电位Uc2升高。由于放大管T2的集电极与调整管T1的基极接在一起,故T1基极电位升高,导致集电极电流增大而管压降UCE1减小。因为T1与RL串联,所以,输出电压Uo基本不变。
同理,当电网电压或负载发生变化引起输出电压Uo增大时,通过取样、比较放大、调整等过程,将使调整调整管的管压降UCE1增加,结果抑制了输出端电压的增大,输出电压仍基本保持不变。
调节电位器Rp,可对输出电压进行微调。调整管T1与负载电阻RL组成的是射极输出电路,所以具有稳定输出电压的特点。
在串联型稳压电源电路的工作过程中,要求调整管始终处在放大状态。通过调整管的电流等于负载电流,因此必须选用适当的大功率管作调整管,并按规定安装散热装置。为了防止短路或长期过载烧坏调整管,在直流稳压器中一般还设有短路?;ず凸乇;さ鹊缏贰?br />


7809三端稳压器接线说明
通常以标识面为准左进右出中间接地。7809三端稳压器有以下几部分组成:1、调整电路;2、取样电路;3、取样放大;;稳压过程:设输出电压已达到预设电压。当输出电压变化时,取样电路取得样本经取样放大与基准电路比较判断输出电压是向高了变化还是向低了变化,由此控制调整电路工作,促使调整电路调整输出电压向低或高变化,直到输出达到预设电压。
1、7812三端稳压器接线:
左边输入、中间地线、右边输出
2、1912三端稳压器接线
左边地线、中间输入、右边输出
烜芯微专业制造二极管,三极管,MOS管,桥堆等20年,工厂直销省20%,4000家电路电器生产企业选用,专业的工程师帮您稳定好每一批产品,如果您有遇到什么需要帮助解决的,可以点击右边的工程师,或者点击销售经理给您精准的报价以及产品介绍
烜芯微专业制造二极管,三极管,MOS管,桥堆等20年,工厂直销省20%,4000家电路电器生产企业选用,专业的工程师帮您稳定好每一批产品,如果您有遇到什么需要帮助解决的,可以点击右边的工程师,或者点击销售经理给您精准的报价以及产品介绍