电蚊拍是一种新型的灭蚊小家电。
1.电蚊拍电路图作用
电蚊拍主要使用4V可充电的高容量铅酸电池或2.4v镍氢/镍镉电池,也有用干电池的。工作中,经升压电路在双层电网间产生1850V直流左右的高压电(电流小于10毫安,对人畜无害),两电网间的静电场有较强的吸附力,当蚊蝇等害虫接近电网时,能将它们吸入电网间,产生的短路电流随即将其电毙。电蚊拍产生的高压电还能释放一定量的负氧离子,既可杀菌消毒,又能净化空气。
电蚊拍采用首创三倍压整流、电路,瞬间输出电压高达2500V,击蚊效果特佳。
电蚊拍可击毙正在吸血的蚊子,而对人体无害,当手平摸,轻触网面也无麻电感。
电蚊拍有特殊的三层网面构成,蚊蝇极易入网,且不漏网。
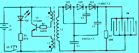
2.电蚊拍电路图

3.电蚊拍电路图原理
电蚊拍的电路主要由高频振荡电路、三倍压整流电路和高压电击网DW三部分组成。当按下电源开关SB时,由三极管VT和变压器T构成的高频振荡器通电工作,把3V直流电变成18kHz左右的高频交流电,经T升压到约800V(放电距离估测),再经二极管VD2~VD4、电容器C1~C3三倍压整流升高到2500V左右,加到蚊拍的金属网DW上。当蚊蝇触及高压电网时,虫体造成电网短路,即会被电流、电弧杀灼或击晕、击毙。
电路中,发光二极管VD1和限流电阻器R1构成指示灯电路,用来指示电路通断状态及显示电池电能的耗损情况。
晶体管VT选用2N5609型硅NPN中功率三极管,亦可用8050、9013型等常用三极管代替。VD1用φ3mm红色发光二极管,VD2~VD4用1N4007型硅整流二极管。
R1~R3均用金属膜电阻器。C1~C3一律用高压电容器(大于2kv),SB用6mm×6mm立式微型轻触开关。G用5号干电池两节串联(配塑料电池架)而成,电压3V。
高频变压器T须自制:选用EE19型铁氧体磁芯及配套塑料骨架(六脚),L1用φ0.22mm漆包线绕22匝,L2用同号线绕8匝,L3用φ0.07mm漆包线绕2000匝左右。注意黑点线头,头尾顺序绕,绕组间饶1~2圈高压绝缘胶带。
电蚊拍装有4V可充电的高容量铅酸蓄电池。每次充电8-15小时,可反复充电400次,环保节能。充电完成拔动开关,可选择是否带照明灯下灭蚊,按下开关,即可灭蚊。
对于停在墙上或蚊帐上的蚊子,按下电源开关,此时红灯亮,将稀网面对蚊子,轻轻靠近它,蚊子即被吸入两电网间,随即将其击毙,稀网朝下,松下开关,蚊子即会掉落;对于在空中飞的蚊子,按下开关,稀面网对准它,挥动即可。
灭苍蝇。因苍蝇的灵敏度较高,使用时需掌握一定的技巧
1、对于停在平面上的苍蝇,手握灭蚊蝇拍,稀面网对着苍蝇,轻轻地放置于距苍蝇20--30公分的同一平面处,按下开关,红灯亮后,对苍蝇快速挥动,苍蝇即被吸到两电网间,持续电击1-2秒,苍蝇即被电死。
2、对于墙面上的苍蝇,手握灭蚊蝇拍,稀面网对着苍蝇,贴着墙面,放在距苍蝇下面或侧面20--30公分处,按下开关快速挥动,苍蝇即被吸入两电网间,持续电击1--2秒,苍蝇即被电死。
3、对于停在悬挂于空中绳子上的苍蝇,手握灭蚊蝇拍,稀网面对着苍蝇20--30公分处,按下开关,快速挥动,苍蝇即被吸入两电网间,持续电击1--2秒,苍蝇即被电死。
若苍蝇掉到桌面上,可将稀面网朝下,使其置于稀面网的两根金属条之间,按下开关,轻轻移动,害虫即被吸入网中,翻转手柄,使稀面网朝上,即可拣起害虫。无须用手拣。
烜芯微专业制造二极管,三极管,MOS管,桥堆等20年,工厂直销省20%,4000家电路电器生产企业选用,专业的工程师帮您稳定好每一批产品,如果您有遇到什么需要帮助解决的,可以点击右边的工程师,或者点击销售经理给您精准的报价以及产品介绍
烜芯微专业制造二极管,三极管,MOS管,桥堆等20年,工厂直销省20%,4000家电路电器生产企业选用,专业的工程师帮您稳定好每一批产品,如果您有遇到什么需要帮助解决的,可以点击右边的工程师,或者点击销售经理给您精准的报价以及产品介绍