通常,开关 Q1 导通电感储能,电容 C 供电,在开关 M1 关闭后,产生左负右正电动势使二极管导通并供电。
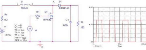
Boost 变换一般也叫升压变换,电感 L 储能,通过 M1 的导通与关断,实现升压目的。


boost 升压电路
AA 电压低,反激升压电路制约功率和效率的瓶颈在开关管,整流管,及其他损耗(含电感上).
1. 电感不能用磁体太小的(无法存应有的能量),线径太细的(脉冲电流大,会有线损大).
2 整流管大都用肖特基,大家一样,无特色,在输出 3.3V 时,整流损耗约百分之十 .
3 开关管,关键在这儿了,放大量要足够进饱和,导通压降一定要小,是成功的关键 . 总共才一伏,管子上耗多了就没电出来了,因此管压降应选最大电流时不超过 0.2--0.3V,单只做不到就多只并联 .......
4 最大电流有多大呢?我们简单点就算 1A 吧,其实是不止的 . 由于效率低会超过 1.5A,这是平均值,半周供电时为 3A,实际电流波形为 0 至 6A. 所以咱建议要用两只号称 5A 实际 3A 的管子并起来才能勉强对付 .
5 现成的芯片都没有集成上述那么大电流的管子,所以咱建议用土电路就够对付洋电路了 .
开关管导通时,电源经由电感 - 开关管形成回路,电流在电感中转化为磁能贮存;开关管关断时,电感中的磁能转化为电能在电感端左负右正,此电压叠加在电源正端,经由二极管 - 负载形成回路,完成升压功能。既然如此,提高转换效率就要从三个方面着手:
1. 尽可能降低开关管导通时回路的阻抗,使电能尽可能多的转化为磁能;
2. 尽可能降低负载回路的阻抗,使磁能尽可能多的转化为电能,同时回路的损耗最低;
3. 要尽可能降低能耗,因为对于电路的转换是没有意义的,不能供能。
烜芯微专业制造二极管,三极管,MOS管,桥堆等20年,工厂直销省20%,4000家电路电器生产企业选用,专业的工程师帮您稳定好每一批产品,如果您有遇到什么需要帮助解决的,可以点击右边的工程师,或者点击销售经理给您精准的报价以及产品介绍
烜芯微专业制造二极管,三极管,MOS管,桥堆等20年,工厂直销省20%,4000家电路电器生产企业选用,专业的工程师帮您稳定好每一批产品,如果您有遇到什么需要帮助解决的,可以点击右边的工程师,或者点击销售经理给您精准的报价以及产品介绍