基准电压源电路
有许多方法可以设计基准电压源 IC,而每种方法都有特定的优点和缺点。
基于齐纳二极管的基准电压源
深埋齐纳型基准电压源是一种相对简单的设计。齐纳(或雪崩)二极管具有可预测的反向电压,该电压具有相当好的温度稳定性和非常好的时间稳定性。如果保持在较小温度范围内,这些二极管通常具有非常低的噪声和非常好的时间稳定性,因此其适用于基准电压变化小的应用。
与其他类型的基准电压源电路相比,这种稳定性可归因于少元件数量和小芯片面积,而且齐纳元件的构造很精巧。然而,初始电压和温度漂移的变化相对较大,这很常见??梢栽黾拥缏防床钩フ庑┤毕?,或者提供一系列输出电压。分流和串联基准电压源均使用齐纳二极管。
带隙基准电压源
齐纳二极管虽然可用于制作高性能基准电压源,但缺乏灵活性。具体而言,它需要 7V 以上的电源电压,而且提供的输出电压相对较少。相比之下,带隙基准电压源可以产生各种各样的输出电压,电源裕量非常小(通常小于 100mV)。带隙基准电压源可设计用来提供非常精确的初始输出电压和很低的温度漂移,无需的耗时在应用中校准。
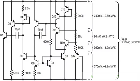
带隙操作基于双极结型晶体管的基本特性。图 1 所示为一个基本带隙基准电压源??梢钥闯觯欢圆黄ヅ涞乃嵝途骞艿?VBE 具有与温度成正比的差异。这种差异可用来产生一个电流,其随温度线性上升。当通过电阻和晶体管驱动该电流时,如果其大小合适,晶体管的基极 - 发射极电压随温度的变化会抵消电阻两端的电压变化。虽然这种抵消不是完全线性的,但可以通过附加电路进行补偿,使温度漂移非常低。


图 1:设计带隙电路提供理论上为零的温度系数
基本带隙基准电压源背后的数学原理很有意思,因为它将已知温度系数与独特的电阻率相结合,产生理论上温度漂移为零的基准电压。图 1 显示了两个晶体管,经调整后,Q10 的发射极面积为 Q11 的 10 倍,而 Q12 和 Q13 的集电极电流保持相等。这就在两个晶体管的基极之间产生一个已知电压:


其中,k 为玻尔兹曼常数,单位为 J/K(1.38×10-23),T 为开氏温度(273+T(°C));q 为电子电荷,单位为库仑(1.6x10-19)。在 25°C 时,kT/q 的值为 25.7mV,正温度系数为 86μV/°C。?VBE 为此电压乘以 ln(10)或 2.3,25°C 时电压约为 60mV,温度系数为 0.2mV/°C。
将此电压施加到基极之间连接的 50k 电阻,产生一个与温度成比例的电流。该电流偏置二极管 Q14,25°C 时其电压为 575mV,温度系数为 -2.2mV/°C。电阻用于产生具有正温度系数的压降,其施加到 Q14 二极管电压上,从而产生大约 1.235V 的基准电压电位,理论上温度系数为 0mV/°C。这些压降如图 1 所示。电路的平衡提供偏置电流和输出驱动。
分数带隙基准电压源
这种基准电压源基于双极晶体管的温度特性设计,但输出电压可以低至只有数 mV。它适用于超低电压电路,特别是阈值必须小于常规带隙电压(约 1.2V)的比较器应用。
图 2 所示为 LM10 的核心电路,同正常带隙基准电压源相似,其中结合了与温度成正比和成反比的元件,以获得恒定的 200mV 基准电压。分数带隙基准电压源通常使用?VBE 产生一个与温度成正比的电流,使用 VBE 产生一个与温度成反比的电流。二者以适当的比例在一个电阻元件中合并,以产生不随温度变化的电压。电阻大小可以更改,从而改变基准电压而不影响温度特性。这与传统带隙电路的不同之处在于,分数带隙电路合并电流,而传统电路倾向于合并电压,通常是发射极、基极电压和具有相反温度漂移 (TC)的 I•R。


图 2:200mV 基准电压源电路
像 LM10 电路这样的分数带隙基准电压源在某些情况下同样是基于减法。某些器件具有微功率、低电压 400mV 基准和放大器的串联基准。因此,可以通过改变放大器的增益来改变基准电压,并提供一个缓冲输出。使用这种简单电路可以产生低于电源电压 0.4V 至几毫伏的任何输出电压。


图 3:支持与低至 400mV 的阈值进行比较
有些器件其将 400mV 基准电压源与比较器相结合,是集成度更高的解决方案,可用作电压监控器或窗口比较器。400mV 基准电压源可以监控小输入信号,从而降低监控电路的复杂性(图 3);它还能监控采用非常低电源电压工作的电路元件。如果阈值较大,可以添加一个简单的电阻分压器(图 4)。这些产品均采用小尺寸封装(SOT23),功耗很低(低于 10μA),支持宽电源范围(1.4V 至 18V)。


图 4:通过输入电压分压来设置较高阈值
选择基准电压源
了解所有这些选项之后,如何为应用选择恰当的基准电压源呢?以下是一些用来缩小选择范围的窍门:
● 电源电压非常高?选择分流基准电压源。
● 电源电压或负载电流的变化范围很大?选择串联基准电压源。
● 需要高功效比?选择串联基准电压源。
● 确定实际温度范围。温度范围包括 0°C 至 70°C、-40°C 至 85°C 和 -40°C 至 125°C。
● 精度要求应切合实际。了解应用所需的精度非常重要。这有助于确定关键规格??悸堑秸庖灰?,将温度漂移乘以指定温度范围,
上初始精度误差、热迟滞和预期产品寿命期间的长期漂移,再减去任何将在出厂时校准或定期重新校准的项,便得到总体精度。对于要求最苛刻的应用,还可以加上噪声、电压调整率和负载调整率误差。例如:
一个基准电压源的初始精度误差为 0.1%(1000ppm),-40°C 至 85°C 范围内的温度漂移为 25ppm/°C,热迟滞为 200ppm,峰峰值噪声为 2ppm,时间漂移为 50ppm/√kHr。
那么在电路建成时总不确定性将超过 4300ppm。
在电路通电后的前 1000 小时,这种不确定性增加 50ppm。初始精度可以校准,从而将误差降低至 3300ppm+50ppm•√(t/1000 小时)。
● 实际功率范围是什么?最大预期电源电压是多少?是否存在基准电压源 IC 必须承受的故障情况,例如电池电源切断或热插拔感应电源尖峰等?这可能会显著减少可选择的基准电压源数量。
● 基准电压源的功耗可能是多少?基准电压源往往分为几类:
大于 1mA,~500μA,<300μA,<50μA,<10μA,<1μA。
● 负载电流有多大?负载是否会消耗大量电流或产生基准电压源必须吸收的电流?很多基准电压源只能为负载提供很小电流,很少基准电压源能够吸收大量电流。负载调整率规格可以有效说明这个问题。
● 安装空间有多少?基准电压源的封装多种多样,包括金属帽壳、塑料封(DIP、SOIC、SOT)和非常小的封装,例如采用 2mmx2mm DFN 的产品。人们普遍认为,较大封装的基准电压源因机械应力引起的误差要小于较小封装的基准电压源。虽然确有某些基准电压源在使用较大封装时性能更好,但有证据表明,性能差异与封装大小没有直接关系。更有可能的是,由于采用较小封装的产品使用的芯片较小,所以必须对性能进行某种取舍以适应芯片上的电路。通常,封装的安装方法对性能的影响比实际封装还要大,密切注意安装方法和位置可以最大限度地提高性能。此外,当 PCB 弯曲时,占位面积较小的器件相比占位面积较大的器件,应力可能更小。
烜芯微专业制造二极管,三极管,MOS管,桥堆等20年,工厂直销省20%,4000家电路电器生产企业选用,专业的工程师帮您稳定好每一批产品,如果您有遇到什么需要帮助解决的,可以点击右边的工程师,或者点击销售经理给您精准的报价以及产品介绍
烜芯微专业制造二极管,三极管,MOS管,桥堆等20年,工厂直销省20%,4000家电路电器生产企业选用,专业的工程师帮您稳定好每一批产品,如果您有遇到什么需要帮助解决的,可以点击右边的工程师,或者点击销售经理给您精准的报价以及产品介绍