耦合是指两个或两个以上的电路元件或电路网络的输入与输出之间存在紧密配合与相互影响,并通过相互作用从一侧向另一侧传输能量的现象。耦合电路就是指参与耦合过程的电路。
从电路来说,总是可以区分为驱动的源和被驱动的负载。如果负载电容比较大,驱动电路要把电容充电、放电,才能完成信号的跳变,在上升沿比较陡峭的时候,电流比较大,这样驱动的电流就会吸收很大的电源电流,由于电路中的电感,电阻(特别是芯片管脚上的电感,会产生反弹),这种电流相对于正常情况来说实际上就是一种噪声,会影响前级的正常工作,这就是耦合。

以下为您分别介绍几种耦合电路:
一级:组成多级放大电路的每一个基本放大电路称为一级。
级间耦合:级与级之间的连接称为级间耦合。
多级放大电路的耦合方式:直接耦合、阻容耦合、变压器耦合和光电耦合。
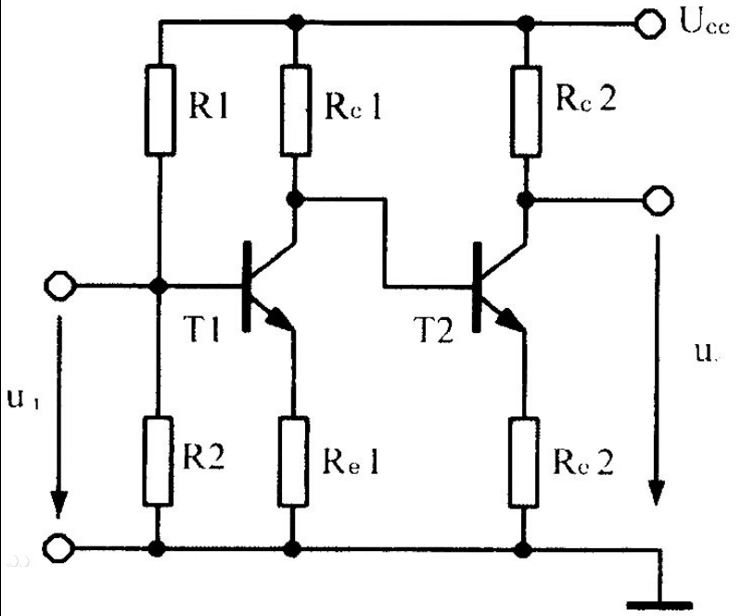
1、直接耦合:将前一级的输出端直接连接到后一级的输入端。
直接耦合方式的缺点:采用直接耦合方式使各级之间的直流通路相连,因而静态工作点相互影响。有零点漂移现象。
直接耦合方式的优点:具有良好的低频特性,可以放大变化缓慢的信号;由于电路中没有大容量电容,易于将全部电路集成在一片硅片上,构成集成电路。
2、阻容耦合方式:将放大电路的前级输出端通过电容接到后级输入端,称为阻容耦合方式。
直流分析:由于电容对直流量的电抗为无穷大,因而阻容耦合放大电路各级之间的直流通路不相通,各级的静态工作点相互独立。
交流分析:只要输入信号频率较高,耦合电容容量较大,前级的输出信号可几乎没有衰减地传递到后级的输入端。因此,在分立元件电路中阻容耦合方式得到非常广泛的应用。
阻容耦合电路的缺点:首先,不适合传送缓慢变化的信号,当缓慢变化的信号通过电容时,将严重被衰减,由于电容有“隔直”作用,因此直流成分的变化不能通过电容。更重要的是,由于集成电路工艺很难制造大容量的电容,因此,阻容耦合方式在集成放大电路中无法采用。
3、变压器耦合:将放大电路前级的输出端通过变压器接到后级的输入端或负载电阻上,称为变压器耦合。
电路缺点:它的低频特性差,不能放大变化缓慢的信号,且非常笨重,不能集成化。
电路优点是可以实现阻抗变换,因而在分立元件功率放大电路中得到广泛应用。变压器耦合电路的前后级靠磁路耦合,它的各级放大电路的静态工作点相互独立。
4、光电耦合器:是实现光电耦合的基本器件,它将发光元件(发光二极管)与光敏元件(光电三极管)相互绝缘地组合在一起。
工作原理:发光元件为输入回路,它将电能转换成光能;光敏元件为输出回路,它将光能再转换成电能,实现了两部分电路的电气隔离,从而可有效地抑制电干扰。
传输比 CTR:在 c-e 之间电压一定的情况下,iC 的变化量与 iD 的变化量之比称为传输比 CTR,即 CTR 的数值只有 0.1~1.5。
烜芯微专业制造二极管,三极管,MOS管,桥堆等20年,工厂直销省20%,4000家电路电器生产企业选用,专业的工程师帮您稳定好每一批产品,如果您有遇到什么需要帮助解决的,可以点击右边的工程师,或者点击销售经理给您精准的报价以及产品介绍
烜芯微专业制造二极管,三极管,MOS管,桥堆等20年,工厂直销省20%,4000家电路电器生产企业选用,专业的工程师帮您稳定好每一批产品,如果您有遇到什么需要帮助解决的,可以点击右边的工程师,或者点击销售经理给您精准的报价以及产品介绍