直流恒流电源是电网电压及其他影响量在一定范围内改变时,能提供稳定输出电流的直流电源设备。广泛应用于电力直流屏系统、工控、通信、科研、蓄电等设备。
什么是直流恒流电流

是一种宽频谱,高精度稳流电源,具有响应速度快,恒流精度高、能长期稳定工作,适合各种性质负载(阻性、感性、容性)等优点。主要用于检测热继电器、断路器、小型短路器及需要设定额定电流、动作电流、短路保护电流等生产场合。
恒流源原理

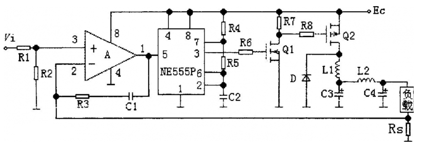
以上图的电路为例,控制电压 Vi 经 R1、R2 分压后加到运放 A 的输入端,运放的输出信号作为NE555P的调制信号。NE555P③脚输出的 PWM 信号控制 Q1,驱动 Q1、Q2 交替工作在开关状态;Q1 的工作频率和占空比等于 NE555P③脚输出电压信号的频率和占空比。Q2 导通时,D 处于截止状态,直流电压 EC 加在 D 的两端,经 LC 滤波后对负载供电;Q2 截止时,输入电压为 0,D 在回路电感的作用下导通,构成续流回路,D 还可以削弱输出信号电压从高电平跳变到低电平时在感性负载两端产生的反电动势。RS 为取样电阻。所以,控制电压经运放后,控制脉位调制器输出脉冲信号的占空比,改变 Q1、Q2 的开关时间,从而控制输出电流的大小。
基本的恒流源电路主要是由输入级和输出级构成,输入级提供参考电流,输出级输出需要的恒定电流。
①构成恒流源电路的基本原则
恒流源电路就是要能够提供一个稳定的电流以保证其它电路稳定工作的基础。即要求恒流源电路输出恒定电流,因此作为输出级的器件应该是具有饱和输出电流的伏安特性。这可以采用工作于输出电流饱和状态的 BJT 或者 MOSFET 来实现。
为了保证输出晶体管的电流稳定,就必须要满足两个条件:a)其输入电压要稳定——输入级需要是恒压源;b)输出晶体管的输出电阻尽量大(最好是无穷大)——输出级需要是恒流源。
②对于输入级器件的要求:
因为输入级需要是恒压源,所以可以采用具有电压饱和伏安特性的器件来作为输入级。一般的 pn 结二极管就具有这种特性——指数式上升的伏安特性;另外,把增强型 MOSFET 的源 - 漏极短接所构成的二极管,也具有类似的伏安特性——抛物线式上升的伏安特性。
③对于输出级器件的要求:
如果采用 BJT,为了使其输出电阻增大,就需要设法减小 Evarly 效应(基区宽度调制效应),即要尽量提高 Early 电压。
如果采用 MOSFET,为了使其输出电阻增大,就需要设法减小其沟道长度调制效应和衬偏效应。因此,这里一般是选用长沟道 MOSFET ,而不用短沟道器件。
直流恒流电源的作用
被广泛应用于:电子电力、通信、科研、工业控制、仪器仪表、军工、医疗、铁路、电台、国防、船白、电镀电解、蓄电池、测试、工控设备及其他高科技领域通等。
烜芯微专业制造二极管,三极管,MOS管,桥堆等20年,工厂直销省20%,4000家电路电器生产企业选用,专业的工程师帮您稳定好每一批产品,如果您有遇到什么需要帮助解决的,可以点击右边的工程师,或者点击销售经理给您精准的报价以及产品介绍
烜芯微专业制造二极管,三极管,MOS管,桥堆等20年,工厂直销省20%,4000家电路电器生产企业选用,专业的工程师帮您稳定好每一批产品,如果您有遇到什么需要帮助解决的,可以点击右边的工程师,或者点击销售经理给您精准的报价以及产品介绍